Котел Baxi LUNA HT Residential (85-100 кВт) - инструкция пользователя по применению, эксплуатации и установке на русском языке. Мы надеемся, она поможет вам решить возникшие у вас вопросы при эксплуатации техники.
Если остались вопросы, задайте их в комментариях после инструкции.
"Загружаем инструкцию", означает, что нужно подождать пока файл загрузится и можно будет его читать онлайн. Некоторые инструкции очень большие и время их появления зависит от вашей скорости интернета.

Luna HT 1.850-1.1000
руководство
для
технического
персонала
газовые
настенные
котлы
38
22.
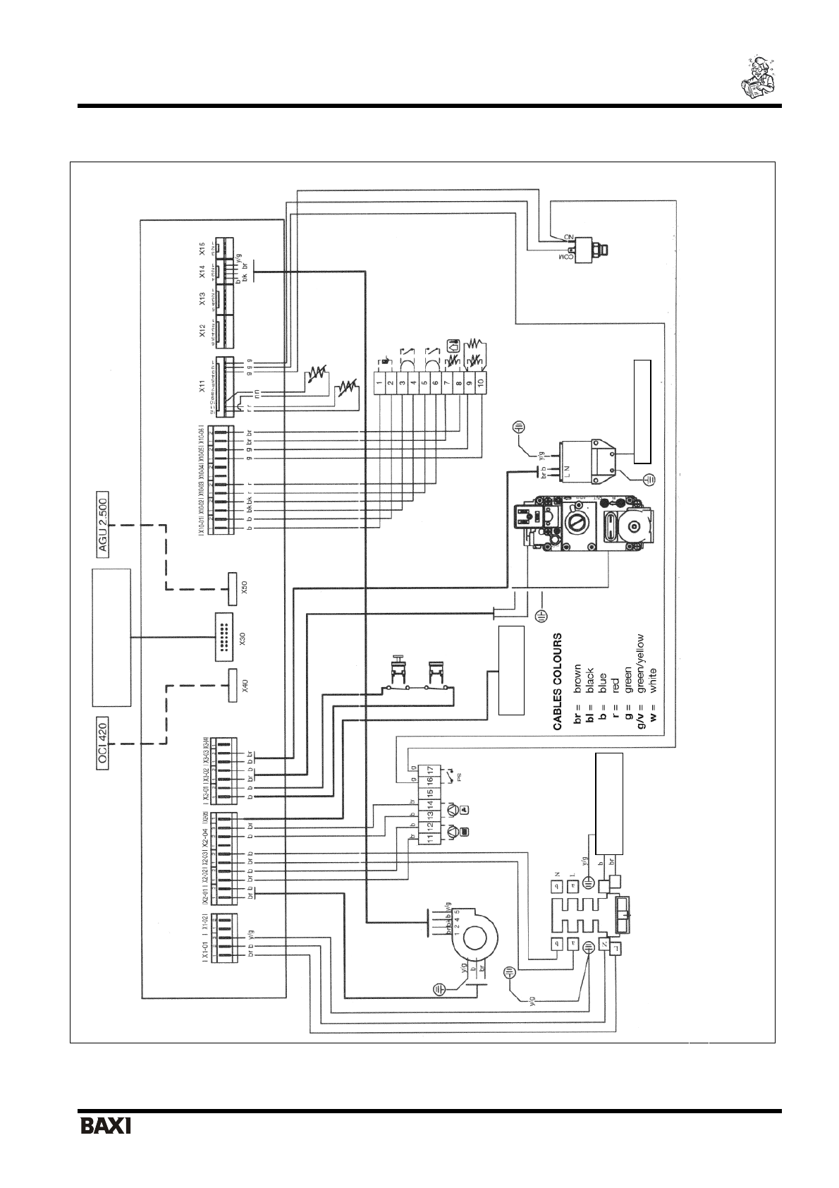
Схема
электрических
соединений
r =
красный
g/v =
жел
то
-
зел
ен
ы
й
w =
белый
g =
зел
ен
ы
й
Ц
вет
п
р
ово
дов
b
=
го
лубой
b
r =
ко
р
и
ч
н
ев
ы
й
bl =
че
р
н
ы
й
гидравлический
прессостат
электрод
заж
иган
ия
ус
трой
ств
о
заж
ига
ни
я
Газ
овый
клапан
ДИС
ПЛЕЙ
дат
чик
температуры
во
зв
ра
та
(NTC)
ко
нту
ра
от
оп
л
ен
ия
Подсоединение
:
1-2
:
дист
ан
ционн
ое
управ
. QA
A73
3-4:
ком
натный
те
рмост
.
5-6
:
термо
стат
дл
я
оборуд
. «
теп
л
ые
по
л
ы
»
7-8:
да
тч
ик
ул
ич
но
й
тем
-
ры
9-10
:
датчик
тем
-
ры
(NTC)
пр
иори
тета
ГВС
термоста
т
-
дат
чик
тя
ги
термоста
т
перегрева
Электрод
-
да
тч
ик
пламени
сет
ь
электропи
тания
плавкий
предохра
нитель
Клеммн
ая
колодка
электропи
тания
На
сос
гидравличе
ской
стрелки
вен
тилятор
По
дс
ое
ди
не
ни
е
:
11-
12:
на
со
с
ко
нтура
отоп
л
е
ни
я
13-
14
:
насос
контур
а
ГВС
16-
17:
да
тч
ик
пр
иорит
е
та
конту
р
а
ГВ
С
дат
чик
температуры
пода
чи
(NTC)
ко
нту
ра
от
оп
л
ен
ия
Содержание
- 2 BAXI; Компания
- 3 СОДЕРЖАНИЕ
- 4 FERNOX Rigeneratore; Подготовка
- 8 параметр
- 9 Рис
- 12 Общие
- 13 FERNOX Protettivo; Установка
- 15 ВНИМАНИЕ
- 19 Внимание; = 15m L
- 23 Присоединение
- 25 LUNA HT; SIEMENS
- 26 PROG; «kt»
- 27 QA; без; климатическим; kt
- 28 сняв
- 29 NTC
- 30 Пояснения; SI
- 33 Таб
- 37 газ
- 39 Модель; NO; Ed. 1-02/10 Cod. 912.959.1












