Котел Baxi LUNA HT Residential (85-100 кВт) - инструкция пользователя по применению, эксплуатации и установке на русском языке. Мы надеемся, она поможет вам решить возникшие у вас вопросы при эксплуатации техники.
Если остались вопросы, задайте их в комментариях после инструкции.
"Загружаем инструкцию", означает, что нужно подождать пока файл загрузится и можно будет его читать онлайн. Некоторые инструкции очень большие и время их появления зависит от вашей скорости интернета.

Luna HT 1.850-1.1000
руководство
для
технического
персонала
газовые
настенные
котлы
29
Рис
. 11
с
) c AGU2.500
для
управления
низкотемпературным
оборудованием
(«
теплые
полы
»).
Для
подсоединения
и
управления
AGU2.500
смотри
инструкции
,
прилагаемые
к
данному
оборудованию
.
В
этом
случае
некоторые
параметры
электронной
платы
должны
быть
изменены
(
см
.
параграф
15:
Н
552-
Н
553-
Н
632).
Н
552=50
Н
553=12
Н
632=00001111
13.6
Присоединение
насоса
системы
ГВС
.
Насос
системы
ГВС
Р
3
,
используемый
для
эксплуатации
внешнего
бойлера
,
должен
быть
присоединен
к
клеммной
колодке
М
3
котла
к
клеммам
13-14 (
Рис
.12).
Насос
должен
иметь
следующие
характеристики
:
230
В
переменного
тока
; 50
Гц
; 1
А
max; cos
φ
>0,8
В
случае
если
используемый
насос
имеет
характеристики
отличные
от
вышеприведенных
,
то
необходимо
установить
между
электронной
платой
котла
и
насосом
реле
.
Присоедините
датчик
NTC
приоритета
контура
ГВС
(
поставляется
отдельно
)
к
клеммам
9-10
клеммной
колодки
М
2,
предварительно
удалив
электрическое
сопротивление
(
рис
.12).
Чувствительный
элемент
датчика
NTC
должен
быть
помещен
в
специальную
колбу
,
расположенную
внутри
бойлера
(
рис
.12).
Температура
и
рабочий
цикл
в
контуре
ГВС
устанавливаются
с
панели
управления
котла
как
описано
в
руководстве
для
пользователя
.
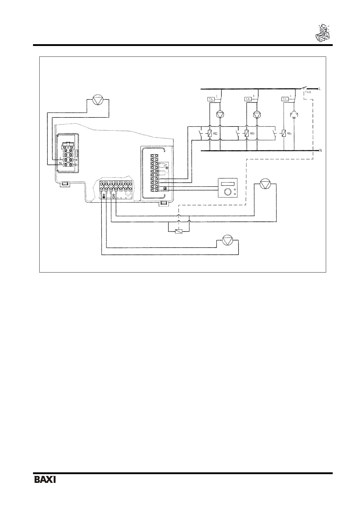
При
наличии
зонального
оборудования
необходимо
установить
реле
,
отключающее
электропитание
зональных
насосов
при
работе
котла
на
систему
отопления
(
см
.
Рис
. 11).
Зона
2
Комнатный
термостат
1
Зона
QAA73
Зона
3
Комнатный
термостат
Зона
n
Комнатный
термостат
Насос
зоны
1
Насос
зоны
2
Насос
зоны
3
Насос
зоны
n
Циркуляционный
насос
котла
Насос
бойлера
Реле
,
отключающее
систему
отопления
Содержание
- 2 BAXI; Компания
- 3 СОДЕРЖАНИЕ
- 4 FERNOX Rigeneratore; Подготовка
- 8 параметр
- 9 Рис
- 12 Общие
- 13 FERNOX Protettivo; Установка
- 15 ВНИМАНИЕ
- 19 Внимание; = 15m L
- 23 Присоединение
- 25 LUNA HT; SIEMENS
- 26 PROG; «kt»
- 27 QA; без; климатическим; kt
- 28 сняв
- 29 NTC
- 30 Пояснения; SI
- 33 Таб
- 37 газ
- 39 Модель; NO; Ed. 1-02/10 Cod. 912.959.1












