Котел Baxi LUNA HT Residential (85-100 кВт) - инструкция пользователя по применению, эксплуатации и установке на русском языке. Мы надеемся, она поможет вам решить возникшие у вас вопросы при эксплуатации техники.
Если остались вопросы, задайте их в комментариях после инструкции.
"Загружаем инструкцию", означает, что нужно подождать пока файл загрузится и можно будет его читать онлайн. Некоторые инструкции очень большие и время их появления зависит от вашей скорости интернета.

Luna HT 1.850-1.1000
руководство
для
технического
персонала
газовые
настенные
котлы
35
17.
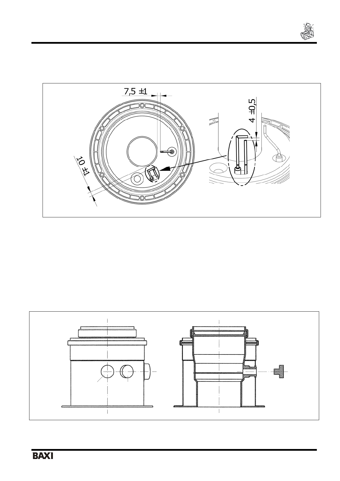
Расположение
электрода
зажигания
и
электрода
-
датчика
пламени
.
Рис
.15
18.
Контроль
отходящих
газов
.
Для
контроля
отходящих
газов
котлы
с
принудительной
вытяжкой
имеют
две
точки
замера
на
конической
муфте
.
Одна
их
них
находится
на
вытяжном
дымоходе
и
позволяет
контролировать
соответствие
отходящих
газов
гигиеническим
нормам
.
Вторая
точка
замера
находится
на
трубе
забора
воздуха
и
позволяет
определить
наличие
продуктов
сгорания
в
забираемом
воздухе
при
использовании
коаксиальной
системы
труб
.
В
точках
замера
определяют
:
-
температуру
продуктов
сгорания
;
-
содержание
кислорода
(
О
2
)
или
,
наоборот
,
двуокиси
углерода
(
СО
2
);
-
содержание
окиси
углерода
(
СО
).
Температура
подаваемого
воздуха
определяется
в
точке
замера
на
трубе
подачи
воздуха
.
Рис
. 16
Внимание
:
в
конце
проверки
закройте
фланцы
специальными
колпачками
.
отходящие
газы
поступающий
воздух
Содержание
- 2 BAXI; Компания
- 3 СОДЕРЖАНИЕ
- 4 FERNOX Rigeneratore; Подготовка
- 8 параметр
- 9 Рис
- 12 Общие
- 13 FERNOX Protettivo; Установка
- 15 ВНИМАНИЕ
- 19 Внимание; = 15m L
- 23 Присоединение
- 25 LUNA HT; SIEMENS
- 26 PROG; «kt»
- 27 QA; без; климатическим; kt
- 28 сняв
- 29 NTC
- 30 Пояснения; SI
- 33 Таб
- 37 газ
- 39 Модель; NO; Ed. 1-02/10 Cod. 912.959.1












