Котел Baxi ECO COMPACT 1.14 F / 1.24 (F) - инструкция пользователя по применению, эксплуатации и установке на русском языке. Мы надеемся, она поможет вам решить возникшие у вас вопросы при эксплуатации техники.
Если остались вопросы, задайте их в комментариях после инструкции.
"Загружаем инструкцию", означает, что нужно подождать пока файл загрузится и можно будет его читать онлайн. Некоторые инструкции очень большие и время их появления зависит от вашей скорости интернета.
Загружаем инструкцию

7
2
1
7
2
4
4
.0
1
(1
-1
0
/1
4
)
2
0
4
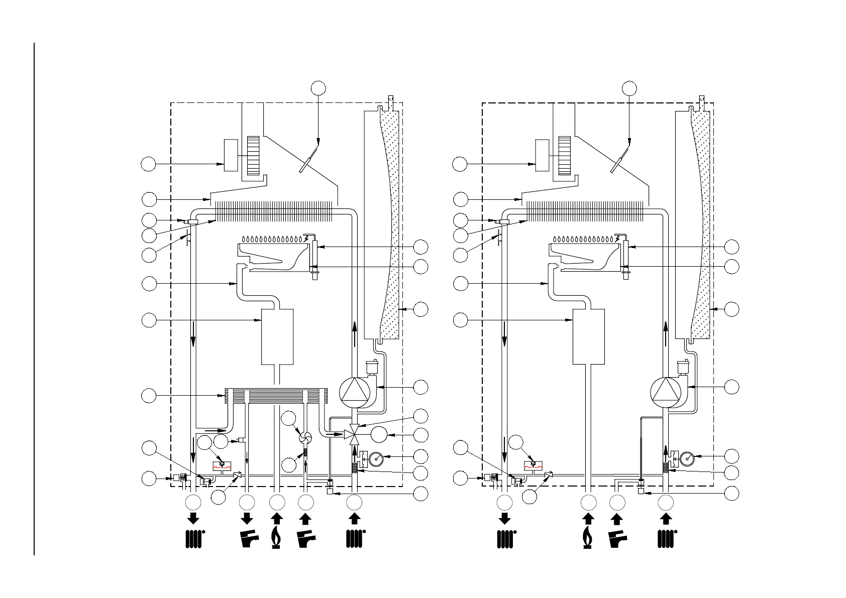
S E C T I O N A
M
M
15
9
16
18
20
21
22
23
24
19
1
6
14
8
CG _ 2 4 6 3
12
17
7
25
2
3
4
5
13
11 10
E
B
A
C
D
M
11
6
12
16
17
18
23
24
15
1
5
C G _ 2 4 6 4
13
25
4
9
19
20
21
22
E
A
C
D
1.14F - 1.24F
14F - 18F - 24F
Содержание
- 2 ОПИСАНИЕ СИМВОЛОВ; Легковоспламеняющийся материал или газ.; МЕРЫ БЕЗОПАСНОСТИ; БАКСИ
- 3 но; ОБЩИЕ ПРЕДУПРЕЖДЕНИЯ; Контур отопления; РЕКОМЕНДАЦИИ ПО ЭКОНОМИИ ЭНЕРГИИ; Управление системой отопления
- 4 ВВОД КОТЛА В ЭКСПЛУАТАЦИЮ; Описание СИМВОЛОВ; РЕГУЛИРОВКА ТЕМПЕРАТУРЫ ПОДАЧИ ОТОПЛЕНИЯ И ТЕМПЕРАТУРЫ; РЕЖИМ ОТОПЛЕНИЯ
- 5 ЕЛ; НАПОЛНЕНИЕ СИСТЕМЫ; ВЫКЛЮЧЕНИЕ НА ДЛИТЕЛЬНЫЙ ПЕРИОД. ЗАЩИТА ОТ ЗАМЕРЗАНИЯ
- 6 ТАБЛИЦА НЕИСПРАВНОСТЕЙ; ИНСТРУКЦИИ ПО ПЛАНОВОМУ ТЕХОБСЛУЖИВАНИЮ
- 7 ПРЕДУПРЕЖДЕНИЯ ПЕРЕД МОНТАЖОМ; ДОПОЛНИТЕЛЬНЫЙ НАСОС; СОЛНЕЧНАЯ СИСТЕМА; МОНТАЖ ДЫМОХОДА И ВОЗДУХОВОДА; В МОДЕЛЯХ С ЗАКРЫТОЙ КАМЕРОЙ СГОРАНИЯ
- 8 КОАКСИАЛЬНЫЕ ДЫМОХОДЫ; 0° отвод сокращает возможную полную длину трубы на 1 метр.; РАЗДЕЛЬНЫЕ ДЫМОХОДЫ; 0° отвод сокращает возможную полную длину трубы на 0,5 метра.
- 9 ЭЛЕКТРИЧЕСКИЕ СОЕДИНЕНИЯ; Доступ к клеммной колодке электропитания; Фаза
- 10 ПОДСОЕДИНЕНИЕ ДАТЧИКА УЛИЧНОЙ ТЕМПЕРАТУРЫ; kt; ПОДСОЕДИНЕНИЕ ДАТЧИКА БОЙЛЕРА
- 11 ГАЗОВЫЙ КЛАПАН И ЭЛЕКТРОННAЯ ПЛАТA; ПОРЯДОК ПЕРЕВОДА КОТЛА НА ДРУГОЙ ТИП ГАЗА; B) Настройка параметров на электронной плате
- 12 D) Электронная настройка газового клапана (
- 13 E) Заключительные проверки; ЗАМЕНА ГАЗОВОГО КЛАПАНА
- 14 ЗАМЕНА ЭЛЕКТРОННОЙ ПЛАТЫ + ГАЗОВЫЙ КЛАПАН; НАСТРОЙКА ПАРАМЕТРОВ; Изменение параметров
- 19 УСТРОЙСТВА ДЛЯ РЕГУЛИРОВАНИЯ И БЕЗОПАСНОСТИ
- 20 ЕЖЕГОДНОЕ ТЕХОБСЛУЖИВАНИЕ; ГИДРАВЛИЧЕСКИЙ УЗЕЛ; В МОДЕЛЯХ С ЗАКРЫТОЙ КАМЕРОЙ СГОРАНИЯ; В МОДЕЛЯХ С ОТКРЫТОЙ КАМЕРОЙ СГОРАНИЯ
- 21 ДЕМОНТАЖ ВТОРИЧНОГО ТЕПЛООБМЕННИКА; ПАРАМЕТРЫ ГОРЕНИЯ ГАЗА
- 22 ТЕХНИЧЕСКИЕ ХАРАКТЕРИСТИКИ; II












