Кондиционеры Cooper&Hunter CH-IDH100PNK - инструкция пользователя по применению, эксплуатации и установке на русском языке. Мы надеемся, она поможет вам решить возникшие у вас вопросы при эксплуатации техники.
Если остались вопросы, задайте их в комментариях после инструкции.
"Загружаем инструкцию", означает, что нужно подождать пока файл загрузится и можно будет его читать онлайн. Некоторые инструкции очень большие и время их появления зависит от вашей скорости интернета.

DC Inverter Duct Type Unit
40
Single-phase Unit: C
H-IU
125
NK
, C
H-IU
140
NK
, C
H-IU
160N
K
.
C
H-IDH
125N
K
+C
H-IU
125N
K
, C
H-IDH
125
P
N
K
+C
H-IU
125N
K
CH-IDH140N
K
+CH-IU140N
K
, CH-IDH140
P
N
K
+CH-IU140N
K
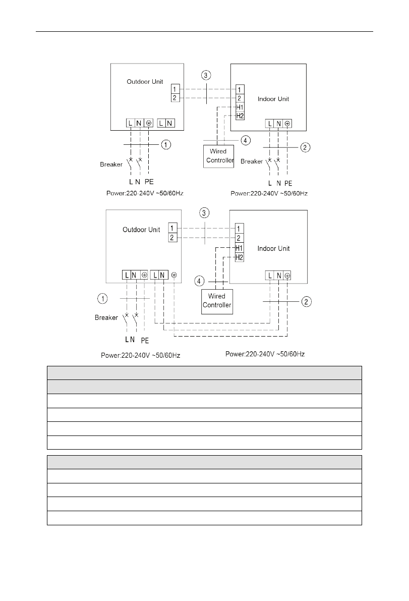
①
Power cord 3×4.0mm²
②
Power cord 3×1.0mm²
③
Communication Cords 2×0.75mm²
④
Communication Cords 2×0.75mm²
CH-IDH160N
K
+CH-IU160N
K
, CH-IDH160
P
N
K
+CH-IU160N
K
①
Power cord 3×6.0mm²
②
Power cord 3×1.0mm²
③
Communication Cords 2×0.75mm²
④
Communication Cords 2×0.75mm²
Характеристики
Остались вопросы?Не нашли свой ответ в руководстве или возникли другие проблемы? Задайте свой вопрос в форме ниже с подробным описанием вашей ситуации, чтобы другие люди и специалисты смогли дать на него ответ. Если вы знаете как решить проблему другого человека, пожалуйста, подскажите ему :)