Кондиционеры Cooper&Hunter CH-IDH100PNK - инструкция пользователя по применению, эксплуатации и установке на русском языке. Мы надеемся, она поможет вам решить возникшие у вас вопросы при эксплуатации техники.
Если остались вопросы, задайте их в комментариях после инструкции.
"Загружаем инструкцию", означает, что нужно подождать пока файл загрузится и можно будет его читать онлайн. Некоторые инструкции очень большие и время их появления зависит от вашей скорости интернета.

DC Inverter Duct Type Unit
39
(4)
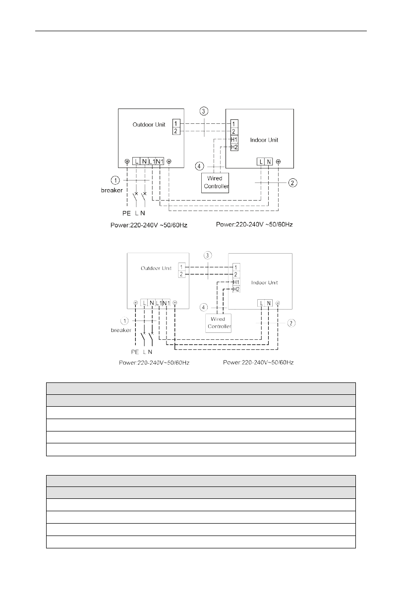
Wire between indoor and outdoor units.
Single-phase Unit: C
H-IU0
35N
K
, C
H-IU0
50N
K
, C
H-IU0
71N
K
,
C
H-IU
100N
K
.
CH-IU
0
35N
K
+CH-ID
S0
35N
K
,CH-ID
S0
35PN
K
+CH-IU
0
35N
K
CH-ID
S0
50N
K
+CH-IU
0
50N
K
,CH-ID
S0
50P
NK
+CH-IU
0
50N
K
①
Power cord 3×1.5mm²
②
Power cord 3×1.0mm²
③
Communication Cords 2×0.75mm²
④
Communication Cords 2×0.75mm²
CH-ID
S0
71N
K
+CH-IU
0
71N
K
, CH-ID
S0
71PN
K
+CH-IU
0
71N
K
CH-ID
H
100N
K
+CH-IU100N
K
,CH-ID
H
100PN
K
+CH-IU100N
K
①
Power cord 3×2.5mm²
②
Power cord 3×1.0mm²
③
Communication Cords 2×0.75mm²
④
Communication Cords 2×0.75mm²
Характеристики
Остались вопросы?Не нашли свой ответ в руководстве или возникли другие проблемы? Задайте свой вопрос в форме ниже с подробным описанием вашей ситуации, чтобы другие люди и специалисты смогли дать на него ответ. Если вы знаете как решить проблему другого человека, пожалуйста, подскажите ему :)