Компрессоры Remeza ВК 15Т-8-500 Д 3001640 - инструкция пользователя по применению, эксплуатации и установке на русском языке. Мы надеемся, она поможет вам решить возникшие у вас вопросы при эксплуатации техники.
Если остались вопросы, задайте их в комментариях после инструкции.
"Загружаем инструкцию", означает, что нужно подождать пока файл загрузится и можно будет его читать онлайн. Некоторые инструкции очень большие и время их появления зависит от вашей скорости интернета.

14
 
 
 
 
 
 
 
 
 
 
 
 
 
 
 
 
 
 
 
 
 
 
 
 
 
 
 
 
 
 
 
 
 
 
 
 
 
 
Рисунок 4
Рисунок 5
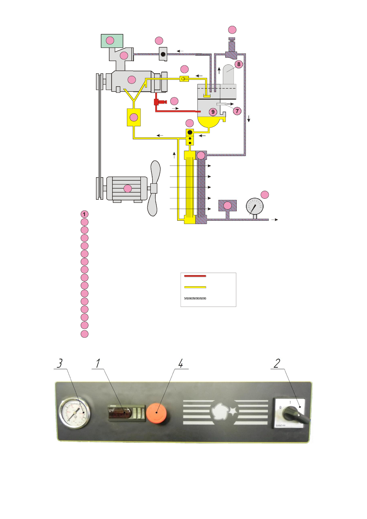
Фильтр воздушный
Клапан всасывающий
Электроклапан управления
Манометр
Клапан минимального давления
Визуализатор возврата масла
Датчик давления
Фильтр - маслоотделитель (сепаратор)
Маслосборник
Термостатический клапан
Радиатор
Электродвигатель
13
14
15
16
2
3
4
5
6
7
8
9
10
11
12
Фильтр масляный
Термодатчик
Винтовой блок
Предохранительный клапан
Контур смеси воздух-масло
Контур масла
Контур сжатого воздуха
12
14
15
1
2
3
5
6
7
8
9
10
4
16
13
11
Содержание
- 3 ОБЩИЕ СВЕДЕНИЯ ОБ ИЗДЕЛИИ
- 4 НАЗНАЧЕНИЕ; вне помещений, под воздействием атмосферных осадков.
- 5 ТЕХНИЧЕСКИЕ ХАРАКТЕРИСТИКИ; Общие требования безопасности соответствуют ГОСТ МЭК 60204-1.; Наименование; Характеристика приводного ремня приведена в таблице 2.; Код
- 6 Характеристика смазочного материала
- 7 КОМПЛЕКТНОСТЬ; Комплектность поставки изделия приведена в таблице 3; Установка компрессорная
- 11 УСТРОЙСТВО; Общий вид установки
- 13 Конденсатоотводчик; (см. рисунок 2 или 3) предназначен для удаления скопившихся в; Осушитель; важные узлы, указывая на возможные неисправности:
- 15 Рисунок 6 – Блок-схема компрессорной установки
- 16 ПРИНЦИП РАБОТЫ
- 17 УКАЗАНИЕ МЕР БЕЗОПАСНОСТИ
- 19 ПОДГОТОВКА К РАБОТЕ
- 20 РЕ; ПОРЯДОК РАБОТЫ
- 21 происходит автоматический пуск установки и т.д.
- 22 ТЕХНИЧЕСКОЕ ОБСЛУЖИВАНИЕ; приведены в таблице 4.
- 23 через каждые 500 часов работы
- 26 Таблица 5 – Перечень сменных запасных частей, применяемых при ТО
- 30 1 СВЕДЕНИЯ О СОДЕРЖАНИИ ДРАГОЦЕННЫХ И ЦВЕТНЫХ МЕТАЛЛОВ
- 31 вий и правил эксплуатации, транспортирования и хранения.; Гарантийные обязательства не распространяются:; гламентом проведения технического обслуживания; Гарантийные обязательства не предусматривают:; No документа, подтверждающего покупку и обязательства продавца
- 33 Приложение А; выброс теплого воздуха
- 37 Приложение В; Руководство пользователя контроллера DOTECH FX32A; Технические характеристики; Описание работы
- 39 Гарантийное свидетельство; ремонт компрессорного оборудования; Уважаемый покупатель!
- 40 Для проведения гарантийного ремонта предъявите:; Гарантийное свидетельство.; Гарантийные обязательства изготовителя прекращаются, в случае:

 
  
  
  
  
  
  
  
  
  
  
  
  
  
  
  
  
  
  
  
  
  
  
  
  
  
  
  
  
  
  
  
  
  
  
  
  
  
  
  
 











