Страница 4 - Введение; ПРЕДУПРЕЖДЕНИЕ
Поздравляем Вас с приобретением внедорожного мотоцикла CRF. Становясь владельцем мотоцикла Honda, вы вливаетесь вовсемирную счастливую семью людей, имеющих возможность вполной мере насладиться продукцией компании Honda, котораяимеет репутацию производителя товаров исключительно высокогокачества. Дан...
Страница 5 - Несколько слов о безопасности.
Ваша безопасность и безопасность окружающих исключительно важны. Поэтому управление мотоциклом в полном соответствии с правилами безопасности является вашей обязанностью. Соответствующая информация по мерам предосторожности, размещенная на предупреждающих табличках на самом мотоцикле и в Руководстве...
Страница 6 - ДЕЙСТВИЯ ПРИ НЕПРЕДВИДЕННЫХ ОБСТОЯТЕЛЬСТВАХ 147; Содержание
БЕЗОПАСНОСТЬ ЭКСПЛУАТАЦИИМОТОЦИКЛА . . . . . . . . . . . . . . . . . . . . . . . . . . . . . . . . . . . . . .1 Сведения по мерам безопасности . . . . . . . . . . . . . . . . . . . . . . . . .2Загрузка . . . . . . . . . . . . . . . . . . . . . . . . . . . . . . . . . . . . . . . . . . . . . . . .3Ис...
Страница 7 - Безопасность эксплуатации мотоцикла 1; Безопасность эксплуатации мотоцикла
В данном разделе приведена наиболее важная информация ирекомендации, касающиеся обеспечения безопасностиэксплуатации мотоцикла CRF. Обязательно найдите время длятщательного изучения данного раздела. В этом разделе такжеприведена информация о местах расположенияпредупреждающих табличек на мотоцикле. ...
Страница 8 - Безопасность эксплуатации мотоцикла; Сведения по мерам безопасности; Информация, относящаяся к безопасности
Мотоцикл CRF сможет служить вам и доставлять удовольствие втечение многих лет, если вы осознаёте ответственность за вашусобственную безопасность и понимаете опасности, с которымиможете встретиться на дороге. Вы можете сделать очень многое, чтобы обеспечить собственнуюбезопасность при управлении мото...
Страница 9 - Загрузка
Данный мотоцикл CRF предназначен для перевозки только одноговодителя. Конструкцией мотоцикла не предусмотрена перевозкагруза либо пассажиров. Наличие пассажира крайне затруднитуправление и нарушит устойчивость мотоцикла. Кроме того, превышение максимально допустимой нагрузки илине сбалансированная н...
Страница 10 - Аксессуары; Изменения конструкции
Изменения в конструкции или использование аксессуаров, неизготовленных компанией Honda, могут отрицательно сказатьсяна безопасности вождения мотоцикла CRF. До внесения в конструкцию мотоцикла любых изменений илиприобретением аксессуаров, ознакомьтесь со следующейинформацией. Аксессуары Мы настоятель...
Страница 11 - Безопасность эксплуатации мотоцикла 5; Предупреждающие таблички
На данной странице приведена информация о местах расположения предупреждающих табличек на мотоцикле CRF. Некоторые из этих наклеек предостерегают вас о потенциальной опасности серьёзноготравмирования. Другие предоставляют важную информацию по безопасности. Внимательно изучите эти наклейки и никогда ...
Страница 13 - Органы управления 7; Органы управления
Внимательно ознакомьтесь с содержанием раздела передначалом эксплуатации. В данном разделе содержитсяинформация о расположении основных органов управлениямотоцикла CRF. Расположение частей и механизмов . . . . . . . . . . . . . . . . . . . . . . . .8 Органы управления 7 Органы управления
Страница 14 - Органы управления; Расположение частей и механизмов
8 Органы управления Расположение частей и механизмов рычаг сцепления рычаг "горячего" пуска рычаг переднего тормоза выключатель двигателя рукоятка акселератора указатель пробега за поездку кнопка стартера рукоятка управления воздушной заслонкой топливный кран рычаг переключения передач кикст...
Страница 15 - Перед поездкой 9; Перед поездкой
Перед началом движения убедитесь, что вы и мотоцикл готовы кпоездке. Чтобы помочь вам в подготовке к поездке, в даннойсекции помещена информация о том, как правильно оценитьстепень готовности к поездке, и приведен перечень операций,подлежащих выполнению в рамках обязательного осмотра передпоездкой. ...
Страница 16 - 0 Перед поездкой
Перед началом эксплуатации рекомендуется тщательно изучитьданное руководство, убедиться в том, что вы поняли и усвоилисмысл предупреждающих сообщений и умеете правильнопользоваться всеми органами управления. Перед началом движения убедитесь, что вы и мотоцикл CRFготовы к поездке. Полная информация к...
Страница 17 - Перед поездкой 11; Готовность мотоцикла к поездке; Осмотр перед поездкой
Участие в гоночных состязаниях является серьезным испытаниемдля мотоцикла, поэтому столь важно перед поездкой тщательнопроверить мотоцикл и устранить все обнаруженныенеисправности. Необходимо проводить следующие видыпроверок (номера страниц приведены с правой стороны): Перед каждой поездкой необходи...
Страница 19 - Общие сведения по управлению мотоциклом и вождению 13; Общие сведения по управлению мотоциклом и вождению
В данном разделе содержатся основные рекомендации повождению, включая запуск и остановку двигателя, а такжеприведена информация по обкатке мотоцикла. Правила безопасного вождения . . . . . . . . . . . . . . . . . . . . . . .14Боковой упор . . . . . . . . . . . . . . . . . . . . . . . . . . . . . . ....
Страница 20 - 4 Общие сведения по управлению мотоциклом и вождению; Правила безопасного вождения; OFF
Перед началом эксплуатации мотоцикла CRF внимательноознакомьтесь с содержанием раздела "Информация, относящаясяк безопасности", который начинается со стр. 2, и предыдущегораздела "Перед поездкой". В целях безопасности воздержитесь от запуска и работыдвигателя в закрытых помещениях, т...
Страница 21 - Запуск и остановка двигателя; ВКЛ
Всегда следуйте правильной процедуре запуска двигателя,рассматриваемой ниже. Пуск двигателя мотоцикла CRF с помощью кикстартера можетпроизводиться на включенной передаче, если сцеплениевыключено (рычаг выжат) или кнопкой пуска двигателя. Проверьте, включена ли нейтральная передача.Установите регулят...
Страница 22 - 6 Общие сведения по управлению мотоциклом и вождению; Заливание цилиндров топливом
Запуск горячего двигателя 1. Полностью вдвиньте рукоятку горячего пуска (3) и запуститедвигатель, выполнив шаг 4 из раздела "Нормальнаятемпература окружающего воздуха". 2. Как только двигатель запустится, отпустите рычаг горячегопуска. (3) рычаг горячего пуска Запуск двигателя после его само...
Страница 23 - Общие сведения по управлению мотоциклом и вождению 17; Переключение передач; ПРИМЕЧАНИЕ
Мотоцикл CRF оснащен пятиступенчатой коробкой передач, спереключением первой передач вниз, а четырех следующих вверх.Движение следует начинать после прогрева двигателя иподнимания бокового упора. 1. Закройте дроссельную заслонку и выжмите рычаг переднего тормоза. 2. Полностью выжмите рычаг сцепления...
Страница 24 - 8 Общие сведения по управлению мотоциклом и вождению; Торможение
Для снижения скорости или остановки мотоцикла плавнонажимайте на рычаг и педаль тормозов, одновременнопоследовательно переходя на пониженные передачи дляторможения двигателем. В зависимости от скорости замедленияпостепенно наращивайте усилие на рычаге и педали тормозов.Чтобы избежать остановки двига...
Страница 25 - Общие сведения по управлению мотоциклом и вождению 19; Стоянка
Для удержания мотоцикла опустите боковой упор. Повернитетопливный кран в положение OFF (ВЫКЛ), если вы непредполагаете продолжить движение. Всегда устанавливайтемотоцикл на стоянку на горизонтальной поверхности. Общие сведения по управлению мотоциклом и вождению 19 Стоянка
Страница 26 - 0 Общие сведения по управлению мотоциклом и вождению
После возвращения домой произведите тщательную очисткумотоцикла от грязи, земли, веток кустарника, камней и иныхобъектов, которые могли попасть на мотоцикл во время поездки. После очистки внимательно осмотрите мотоцикл на предметналичия протечек или повреждений. Для предотвращения коррозии смажьте п...
Страница 27 - Общие сведения по управлению мотоциклом и вождению 21; Обкатка
Правильная обкатка мотоцикла CRF % это залог егопродолжительной и безотказной работы в будущем, поэтомуследует уделять особое внимание правильной эксплуатациимотоцикла в течение первого дня или 25 километров пробега.Во время периода обкатки избегайте запусков двигателя сполностью открытой дроссельно...
Страница 29 - Обслуживание мотоцикла Honda
Соблюдение правил проведения технического обслуживаниямотоцикла CRF является важным условием обеспечениябезопасности. Кроме того, это позволяет увеличить срок службымотоцикла, добиться максимальных рабочих характеристик,избежать поломок и получить максимальное удовольствие отвождения. Данный раздел ...
Страница 30 - Важность технического обслуживания
Для безопасной, экономичной и беспроблемной эксплуатациимотоцикла очень важно правильно осуществлять техническоеобслуживание. Оно также способствует снижению степенивоздействия на окружающую среду. Проведение тщательногоосмотра перед поездкой и поддержание мотоцикла в исправномсостоянии особо важны,...
Страница 31 - Меры безопасности при проведении технического обслуживания
В данный раздел включены инструкции по выполнению некоторыхважных операций технического обслуживания. Ниже приводятсянекоторые наиболее важные предупреждения, относящиеся кбезопасности. Однако мы не можем предостеречь вас от любоговозможного риска, который может возникнуть в связи спроведением техни...
Страница 32 - Регламент технического обслуживания
Осмотр перед поездкой и регулярное обслуживание мотоциклаCRF в полном соответствии с регламентом техническогообслуживания (Регламент техобслуживания при повседневнойэксплуатации и Регламент техобслуживания во время состязаний)жизненно необходимы для обеспечения его безопасной ибезотказной эксплуатац...
Страница 35 - Техническое обслуживание во время состязаний
Чтобы исключить риск падения мотоцикла при проведениитехнического обслуживания, устанавливайте его на твёрдойровной поверхности, используя боковой упор, опционнуюцентральную опору или эквивалентную. При затяжке болтов, гаек или винтов, начинать затяжку следует скреплений большего диаметра или с внут...
Страница 39 - Техническое обслуживание до и после состязаний; Техническое обслуживание после состязаний
После тренировочных поездок или между спортивными заездамипредоставляется возможность проведения дополнительныхпроверок и регулировок. • Вычищайте скопившуюся под крыльями и прилипшую кколесам, компонентам подвески, рукояткам, органамуправления и подножкам грязь. Для этого подойдет жесткаянейлоновая...
Страница 41 - Техническое обслуживание. Расположение частей и механизмов
35 Обслуживание мотоцикла Honda Техническое обслуживание. Расположение частей и механизмов частотавращениядвигателя нахолостом ходу рукояткавоздушнойзаслонки регуляторпредварительногонатяга пружинызадней подвески пламегаситель патрубок вентиляции картера приводная цепь расширительный бачоксистемы ох...
Страница 42 - Демонтаж седла
О знакомьтесь с правилами техники безопасности на стр. 25. Демонтаж1. Выверните крепежный болт седла (1).2. Снимите седло (2), сдвинув его назад. (1) болты крепления седла (2) седло Установка:1. Установите седло на место, совместив передний выступ (3) с кронштейном седла (4), а задний выступ (5) с у...
Страница 43 - Поверните топливный кран в положение OFF; Демонтаж топливного бака
Ознакомьтесь с правилами техники безопасности на стр. 25. Демонтаж 1. Поверните топливный кран в положение OFF (Закрыто). 2. Снимите заднее седло (см. стр. 36).3. Снимите болты/манжеты (1) обтекателя А.4. Снимите болты/манжеты (2) обтекателя В и обтекатели (3). (1) болты/манжеты обтекателя А(2) болт...
Страница 45 - Вертикальное положение подрамника
Ознакомьтесь с правилами техники безопасности на стр. 25. Для проведения обслуживания задней подвески подрамникдолжен быть установлен в верхнее положение. Верхнее положение1. Снимите заднее седло (см. стр. 36).2. Снимите болт правого кожуха (1) и правый кожух (2). (1) болт правого кожуха(2) правый к...
Страница 47 - Топливная система; Рекомендации, касающиеся топлива
Ознакомьтесь с правилами техники безопасности на стр. 25. Рекомендуется применять неэтилированный бензин, посколькуего использование увеличивает ресурс узлов выпускной системыи образует меньше нагара на свечах зажигания и других узлах идеталях двигателя. Конструкция двигателя предусматривает использ...
Страница 48 - Топливный фильтр
Топливный фильтр находится на нижней левой части топливногобака. Скапливающаяся в фильтре грязь ограничивает подачутоплива в карбюратор. Для проведения технического обслуживания топливного фильтра:1. Слейте топливо из топливного бака в предназначенную для этого емкость. 2. Снимите топливный бак (стр...
Страница 49 - Моторное масло; Рекомендации по выбору масла; OK
Ознакомьтесь с правилами техники безопасности на стр. 25. Используя моторное масло с рекомендованнымихарактеристиками, а также регулярно проводя проверку уровня,долив и замену масла, вы сможете добиться максимального срокаслужбы двигателя. Даже самое качественное масло имеетограниченный срок службы....
Страница 50 - ПРОИЗВОДИТЕЛЬ ПРОДУКТА ГАРАНТИРУЕТ; Проверка уровня и долив масла
Стандарт JASO T 903 JASO T 903 % это стандарт для моторного масла для четырехтактных мотоциклетных двигателей. По этому стандарту предусмотрено два класса: MA и MB. Масло, соответствующее данному классу, имеет маркировку на емкости. Например, на этикетке ниже показана маркировка по классификации МА....
Страница 52 - Трансмиссионное масло; НЕ РЕКОМЕНДУЕТСЯ
Ознакомьтесь с правилами техники безопасности на стр. 25. Используя моторное масло с рекомендованнымихарактеристиками, а также регулярно проводя проверку уровня,долив и замену масла, вы сможете добиться максимального срокаслужбы трансмиссии и сцепления. Даже самое качественноемасло имеет ограниченны...
Страница 54 - Охлаждающая жидкость; Рекомендации относительно охлаждающей жидкости
Система охлаждения мотоцикла CRF предназначена для отводатепла от двигателя с помощью рубашки охлаждения, встроенной вконструкцию блока и головки цилиндра. Грамотное техническое обслуживание способствует безотказнойработе двигателя и позволяет предотвратить замерзание,перегрев и коррозию двигателя. ...
Страница 55 - Проверка системы охлаждения
1. Проверьте систему охлаждения на отсутствие протечек (инструкции по диагностике неисправностей системыохлаждения приведены в руководстве по ремонту Honda). 2. Осматривайте магистрали (1) системы на предмет наличия трещин и износа. Проверьте надежность затяжки хомутовмагистралей. 3. Проверьте, не о...
Страница 56 - Прокачка системы охлаждения от воздуха
1. Снимите пробку радиатора (1).2. Залейте в наливную горловину рекомендованную охлаждающую жидкость до ее нижней кромки (2). Используйтесвежую охлаждающую жидкость рекомендованного состава(стр. 48). Заправочная емкость: 1,21 л (1) пробка радиатора(2) заправочная горловина 3. Снимите пробку расширит...
Страница 57 - Воздухоочиститель
Ознакомьтесь с правилами техники безопасности на стр. 25. Фильтрующий элемент воздухоочистителя состоит из двухполиуретановых неразделяемых частей.Загрязненный воздухоочиститель приводит к падению выходноймощности двигателя. Правильное и своевременное техническое обслуживаниевоздухоочистителя очень ...
Страница 59 - Вентиляционная трубка картера
Ознакомьтесь с правилами техники безопасности на стр. 25. Производите обслуживание более часто, если мотоциклэксплуатируется в дождь или при высокой нагрузке.Обслуживание вентиляционной трубки картера необходимопроводить и в том случае, если в прозрачном контрольном окошкевидны отложения.1. Снимите ...
Страница 60 - Дроссельная заслонка; Свободный ход рукоятки акселератора
Ознакомьтесь с правилами техники безопасности на стр. 25. (1) свободный ход ПроверкаПроверка свободного хода (1). Свободный ход: 3 % 5 мм При необходимости отрегулируйте до штатного значения. Регулировка верхнего тросаНезначительные регулировки производятся на верхнемрегуляторе. (2) противопылевой к...
Страница 61 - Осмотр дроссельной заслонки
(1) дроссельная заслонка 1. Проверьте правильность установки всех компонентов дроссельной заслонки и надежность затяжки всех болтов. 2. Проверьте корректность рукоятки (1) акселератора работы во всех положениях руля. Для устранения обнаруженныхнеисправностей обратитесь к официальному дилеру Honda. 3...
Страница 62 - Система сцепления; Свободный ход ручки сцепления
Ознакомьтесь с правилами техники безопасности на стр. 25. (1) ручка сцепления ПроверкаПроверьте величину свободного хода. Свободный ход: 10 % 20 мм При необходимости отрегулируйте до штатного значения.Неправильно выставленная величина свободного хода можетпривести к преждевременному износу сцепления...
Страница 63 - Иные виды осмотра и смазка
• Убедитесь в том, что узел сцепления расположен правильно(торец держателя (1) совмещен с установочной меткой (2) нарукоятке руля), а крепежные болты надлежащим образомзатянуты. (1) торец держателя(2) установочная метка • Осмотрите трос сцепления на предмет отсутствияповреждений и признаков износа. ...
Страница 64 - Проверка ведомых и ведущих дисков
6. Снимите шайбу (11), игольчатый подшипник (12), механизм выключения сцепления (13) и рычаг выключения сцепления(14). 7. Снимите восемь ведомых дисков и семь ведущих дисков (15). Произведите сборку механизма выключения сцепления,игольчатого подшипника и шайбы. Проверните игольчатыйподшипник пальцем...
Страница 65 - Установка ведомых и ведущих дисков
1. Нанесите на ведомые диски А (1) и В (2) и ведущие (3) диски чистое трансмиссионное масло. 2. Начиная и заканчивая двумя ведомыми дисками А, поочередно установите шесть ведомых дисков В и семь ведущих дисков. (1) ведомый диск А(2) ведомый диск В(3) ведущие диски 3. Нанесите смазку на рычаг выключе...
Страница 67 - Свеча зажигания; Рекомендации касательно свечей зажигания
Ознакомьтесь с правилами техники безопасности на стр. 25. Стандартная свеча зажигания рекомендованного типа пригоднадля использования в большинстве гонок. Используйте только свечи зажигания рекомендованного типа справильным калильным числом. Использование свечи зажигания с неверным калильным числоми...
Страница 69 - Выпускная труба/Глушитель
Проверьте надежность затяжки крепежных болтов и гаек.Убедитесь в отсутствии трещин и деформации выпускной трубы.Глушитель и выпускная труба, имеющие повреждения, могутухудшить характеристики двигателя. 1. Снимите винты крепления сиденья (1), болт бокового кожуха (2) и правый кожух (3) (1) болт седла...
Страница 70 - Установка глушителя
1. Установите новую прокладку (1) на выпускную трубу.2. Установите хомут глушителя (2), соединив фиксатор (4) хомута глушителя с вырезом (5) на глушителе (3). 3. Установите на место глушитель. (1) прокладка (4) фиксатор (2) хомут глушителя (5) вырез (3) глушитель 4. Установите на место передний креп...
Страница 71 - Демонтаж выпускной трубы
1. Снимите глушитель (стр. 63).2. Снимите крепежные гайки (1) выпускной трубы, выпускную трубу (2) и старую прокладку выпускной трубы (3). (1) крепежные гайки выпускной системы(2) выпускная труба(3) прокладка выпускной трубы 1. Установите новую прокладку (1) выпускной трубы.2. Установите выпускную т...
Страница 72 - Пламегаситель; Проверка пламегасителя
Для поддержания пламегасителя в исправном состояниинеобходимо проводить его техническое обслуживание каждые1600 километров или 100 мото%часов. 1. Дайте двигателю и системе выпуска остыть.2.` Открутите четыре болта (1), снимите пламегаситель (2) и прокладку (3) с глушителя. (1) болты (3) прокладка (2...
Страница 73 - Зазоры клапанов; Демонтаж крышки головки цилиндра
Ознакомьтесь с правилами техники безопасности на стр. 25. Повышенный зазор клапанов приведет к повышенной шумности ипоследующему выходу двигателя из строя. Слишком маленькийили отсутствующий зазор будет препятствовать закрываниюклапанов, что приведет к их повреждению и потере мощностидвигателем. Что...
Страница 74 - Проверка зазоров клапанов и зазора рычага декомпрессора
68 Обслуживание мотоцикла Honda Зазоры клапанов 2. Поворотом болта (2) первичной ведущей шестерни коленчатого вала поверните коленчатый вал по часовойстрелке до тех пор, пока установочная линия (3) на первичнойведущей шестерне не совместится с установочной меткой (4)на правом кожухе картера. Это пол...
Страница 75 - Демонтаж распределительного вала
Измерьте зазор рычага декомпрессора, вставив калибр (1) междурегулировочным винтом рычага декомпрессора (6) и правымкоромыслом (7). (1) калибр для измерения зазоров(6) регулировочный винт рычага декомпрессора(7) правое коромысло ЗАЗОР ДЕКОМПРЕССОРА:ЗАЗОР ПРАВОГО ВЫПУСКНОГО КЛАПАНА + 0,35 мм Пример:Е...
Страница 77 - Выбор регулировочных шайб в приводе клапанов
1. С помощью сжатого воздуха очистите контактную поверхность толкателя клапана (1). (1) толкатель клапанов 2. Измерьте толщину шайбы и запишите ее. Имеется семьдесят три размера шайб (2) толщиной от 1,20 мм до 3,0 мм с шагом в0,025 мм. (2) регулировочная шайба 3. Вычислите толщину новой шайбы с помо...
Страница 78 - Установка держателя распределительного вала
1. Установите новые шайбы (1) на тарелки клапанов. Исключите падение шайб в картер двигателя. (1) регулировочные шайбы 2. Нанесите масло на основе дисульфида молибдена (смесь из равных частей моторного масла и консистентной смазки наоснове дисульфида молибдена, в которой содержаниеприсадки дисульфид...
Страница 80 - Регулировка зазора рычага декомпрессора
8. Снимите стопор натяжителя (14) с ролика натяжителя цепи распределительного вала. (14) стопор натяжителя 9. Установите новую уплотнительную шайбу (15) и затяните болт (16) кожуха натяжного ролика натяжителя цепираспределительного вала. (15) уплотнительная шайба(16) болт кожуха натяжного ролика цеп...
Страница 81 - Установка пробки контрольного отверстия коленчатого вала
Нанесите смазку на новое уплотнительное кольцо (1) иустановите ее на пробку (2) контрольного отверстияколенчатого вала.Нанесите смазку на резьбу пробки контрольного отверстияколенчатого вала. Установите пробку контрольного отверстияколенчатого вала на место и затяните ее рекомендованныммоментом: 15 ...
Страница 90 - Подвеска; Проверка передней подвески
Ознакомьтесь с правилами техники безопасности на стр. 25. Незакрепленные, изношенные и поврежденные компонентыподвески могут отрицательно сказаться на управляемости иустойчивости мотоцикла CRF. Если какие%либо компонентыподвески изношены или повреждены, обратитесь к официальномудилеру Honda для их п...
Страница 91 - Проверка задней подвески
Перемещение качающегося рычага контролируется однимгидравлическим амортизатором с алюминиевым резервуаром, вкотором содержится рабочая жидкость и азот под давлением.Давление газа в резервуаре поддерживается в резиновомбаллоне. Регулировка степени предварительного сжатия пружины идемпфирования (хода ...
Страница 92 - Замена амортизационной жидкости передней вилки; неисправна
См. Рекомендации по настройке подвески на стр. 109. 1. Запишите положение регулятора демпфирующего усилия отбоя и поверните регулятор против часовой стрелки до упора. 2. Удерживая трубу вилки (1), снимите с нее демпфер вилки (2) с помощью гаечного ключа (3). (1) внешняя труба (3) гаечный ключ (2) де...
Страница 93 - or; или
87 Обслуживание мотоцикла Honda Подвеска 5. Залейте рекомендованное количество амортизационного масла (стр. 86) во внешнюю трубу. Заправочная емкость амортизационного масла передней вилки:Стандартная (0,47 кгс*мм) пружина вилки Мягкая опционная (0,45 кгс*мм) пружина вилки Жесткая опционная (0,49 кгс...
Страница 94 - Тормоза; Регулировка рычага переднего тормоза
Ознакомьтесь с правилами техники безопасности на стр. 25. Тормозные механизмы переднего и заднего колесгидравлические, дискового типа. По мере износа тормозныхколодок уровень тормозной жидкости понижается. Понижениеуровня тормозной жидкости может быть вызвано и ее утечкой. Тормозную систему следует ...
Страница 95 - Проверка уровня тормозной жидкости
Проверка уровня тормозной жидкости в переднем тормозномконтуре (1) Нижняя отметка уровня LOWER Проверьте уровень жидкости на вертикально стоящем мотоцикле.Он должен быть выше нижней (LOWER) отметки (1). Если уровеньнаходится на нижней отметке LOWER или ниже неё, проверьтеизнос тормозных колодок (стр...
Страница 97 - Износ тормозных колодок
91 Обслуживание мотоцикла Honda Тормоза Скорость износа тормозных колодок зависит от стиля вождения идорожных условий. (Обычно колодки изнашиваются быстрее намокрых и грязных дорогах.) Проверяйте состояние тормозныхколодок при каждом периодическом техническом обслуживании(стр. 27 и 28). Передние тор...
Страница 98 - Колёса; Обода колес и спицы
Ознакомьтесь с правилами техники безопасности на стр. 25. Сохранение штатного натяжения колесных спиц и геометрииколес крайне важно для эксплуатации. Во время первыхнескольких поездок натяжение спиц ослабевает быстрееобычного вследствие штатной приработки компонентов.Чрезмерно низкое натяжение спиц ...
Страница 99 - Шины и камеры; Давление воздуха в шинах
Ознакомьтесь с правилами техники безопасности на стр. 25. Для того, чтобы безопасно ездить на мотоцикле CRF, шиныдолжны быть правильного типа и размера, находиться в хорошемсостоянии, с удовлетворительным состоянием протектора и срекомендованным давлением воздуха. На следующих страницах содержится и...
Страница 100 - Замена шин
94 Обслуживание мотоцикла Honda Шины и камеры Шины, установленные на мотоцикл CRF, разработаны с учётомхарактеристик и особенностей мотоцикла именно этой модели иобеспечивают наилучшее сочетание управляемости, тормозныхкачеств, долговечности и комфорта. тип U, DK тип ED • Каждый раз при замене испол...
Страница 101 - Боковой упор
95 Обслуживание мотоцикла Honda Боковой упор Ознакомьтесь с правилами техники безопасности на стр. 25. 1. Убедитесь в отсутствии повреждений и потери упругости пружины бокового упора. 2. Проверьте, насколько свободно перемещается упор. (1) пружина бокового упора Если боковой упор перемещается с труд...
Страница 102 - Приводная цепь; Проверка
Ознакомьтесь с правилами техники безопасности на стр. 25. Цепь привода (соединения клепаного типа) соединяетпромежуточный вал и ведомые звездочки. Цепь данногомотоцикла снабжена миниатюрными резиновымиуплотнительными кольцами между пластинами звеньев, которыеспособствуют продлению срока службы цепи ...
Страница 103 - Демонтаж, чистка и замена
Для обеспечения максимального срока службы необходимоочищать, смазывать и регулировать приводную цепь перед каждойпоездкой. Данный мотоцикл CRF оснащается замкнутойприводной цепью втулочного типа. Демонтаж или замена цепидолжны производиться силами официального дилера Honda.Уплотнительные кольца мог...
Страница 104 - Ползуны приводной цепи
98 Обслуживание мотоцикла Honda Приводная цепь 1. Проверьте износ ползуна направляющей (1) приводной цепи. Если износ превышает 5 мм, ползун подлежит замене. (1) ползун направляющей приводной цепи 2. Проверьте износ ползуна направляющей (2) приводной цепи. Направляющая приводной цепи подлежит замене...
Страница 105 - Дополнительные операции по техническому обслуживанию; Проверка подшипников головки руля
Ознакомьтесь с правилами техники безопасности на стр. 25. 1. Установите мотоцикл, используя опору, предназначенную для проведения технического обслуживания (переднее колесовывешено), поверните руль вправо, а затем влево, чтобыпроверить плавность работы подшипников рулевой головки. 2. Встаньте перед ...
Страница 107 - Аккумуляторная батарея; Хранение аккумуляторной батареи
101 Обслуживание мотоцикла Honda Аккумуляторная батарея Ознакомьтесь с правилами техники безопасности на стр. 25. Мотоцикл CRF оснащен необслуживаемой аккумуляторнойбатареей. Поэтому нет необходимости проверять уровеньэлектролита либо доливать дистиллированную воду. Аккумуляторная батарея не требует...
Страница 108 - Подзарядка аккумуляторной батареи
Обязательно ознакомьтесь с инструкцией по эксплуатациизарядного устройства и выполняйте все правила, указанные нааккумуляторной батарее. Нарушение правил подзарядки можетпривести к выходу аккумуляторной батареи из строя. Рекомендуется использовать бытовое устройство (1) для зарядкив медленном режиме...
Страница 109 - Фара и задний фонарь; Лампа фары
Ознакомьтесь с правилами техники безопасности на стр. 25. 1. Снимите болты переднего ветрозащитного щитка (1). Снимите передний ветрозащитный щиток (2). (1) болты переднего ветрозащитного щитка(2) передний ветрозащитный щиток 2. Освободите колодку фары (4) из хомута (3) и отсоедините колодку фары. С...
Страница 110 - Регулировка направления светового пучка фары
104 Обслуживание мотоцикла Honda Фара и задний фонарь В данном мотоцикле предусмотрена возможность регулировкинаправления светового пучка фар в вертикальном направлении.Поворот регулировочного винта (1) по часовой стрелке поднимаетсветовой пучок фары, поворот винта против часовой стрелкиприводит к е...
Страница 111 - Уход; Общие рекомендации
Ознакомьтесь с правилами техники безопасности на стр. 25. Регулярный уход за мотоциклом позволит ему дольше выглядетьновым. Содержание мотоцикла в ухоженном состоянии такжевыдает в вас рачительного хозяина. Чистый мотоцикл легчеобслуживать и осматривать. Одновременно с очисткой мотоцикла производитс...
Страница 113 - Гоночные настройки мотоцикла
В данном разделе приводится информация по выполнению тонкихнастроек мотоцикла для адаптации его характеристик ктребованиям конкретной гоночной трассы. Первичные настройки подвески должны выполняться послеобкатки мотоцикла в течение как минимум двух часов. Для обеспечения возможности адаптации мотоци...
Страница 114 - Регулировка передней подвески
Регулировки передней подвески позволяет адаптировать еехарактеристики под вес водителя и конкретные условияэксплуатации. Регулировка может быть выполнена приведенныминиже способами: •• Количество масла % Эффект от большего или меньшего количества амортизационного масла ощущается только напоследних 1...
Страница 115 - Пружины вилки
Поворотом регулятора по часовой стрелке можно регулироватьстепень демпфирования сжатия и отбоя. Регулировка демпфирующего усилия должна производиться изположения максимально жесткой настройки демпфирования.Не поворачивайте регулировочный винт на большее количествооборотов, чем предусмотрено конструк...
Страница 117 - НЕИСПРАВНА
11. Проведите чистку всех компонентов передней вилки, обращая особое внимание на опорные поверхности трубчатогонаконечника (18) и сальника (19). 12. Запишите положение регулятора демпфирующего усилия отбоя и сжатия и поверните регулировочный винт противчасовой стрелки до упора. 13. Измерьте расстоян...
Страница 119 - Замена амортизационной жидкости в демпфере
1. Установите демпфер вилки (1) в зажим, используя кусок дерева или мягкие тиски во избежание повреждений. 2. Убедитесь в том, что регулятор демпфирующего усилия сжатия установлен в положение самой мягкой настройки. 3. Ослабьте узел наконечника вилки (2), удерживая демпфер вилки с помощью ключа для ...
Страница 122 - Узел вилки
1. Слейте амортизационную жидкость из узла вилки (1), перевернув его. (В узле вилки останется приблизительно 7 см3амортизационной жидкости, если оставить ее в перевернутомсостоянии на двадцать минут при температуре 20°C.) (1) узел вилки Количество амортизационной жидкости,остающейся в узле (без демп...
Страница 128 - Регулировка задней подвески; Предварительное сжатие пружины задней подвески
122 Гоночные настройки мотоцикла Регулировка задней подвески Задняя подвеска может настраиваться под вес водителя идорожные условия путём изменения предварительного сжатияпружины и регулировки демпфирующего усилия отбоя. Узел заднего амортизатора включает демпфирующее устройство,которое содержит азо...
Страница 129 - Регулировка демпфирующего усилия задней подвески
Демпфирующее усилие сжатияСтепень демпфирования сжатия может быть отрегулирована в дваэтапа с помощью разных регуляторов. Регулятор быстрого демпфирования (1) эффективен длярегулировки характеристик демпфирования сжатия на высокойскорости. Регулятор медленного демпфирования (2) хода сжатияэффективен...
Страница 130 - Регулировка величины проседания для гонок
Выставление правильной величины проседания (высоты посадки)является важным фактором для гонок. Проседание соответствует величине, на которую уменьшается ходподвески на снаряженном мотоцикле, находящемся внеподвижном состоянии с ездоком в седле. Согласно основномуправилу большого пальца величина прос...
Страница 132 - Адаптация характеристик подвески под условия гоночной трассы
Мягкий грунтПри езде по мягкому грунту, песку и особенно грязирекомендуется увеличивать демпфирующее усилие сжатияпередней и задней подвески. При езде по песку нередко нужно немного увеличиватьдемпфирующее усилие отбоя для минимизации толчков заднейподвески. Хотя обычно песчаные кочки имеют больший ...
Страница 133 - Рекомендации по регулировке подвески
Для достижения точных настроек мотоцикла с помощью методов, описанных на стр. 108 %123, воспользуйтесь нижеследующими рекомендациями. Помните о необходимости проведения регулировки с шагом водин щелчок. После каждой регулировки выполняйте тестовую поездку. Регулировка передней подвески применительно...
Страница 136 - Полезные советы по регулировке и настройке карбюратора; Составные части карбюратора
Карбюратор данного мотоцикла CRF настроен для работы состандартными регулировками и при обычных условиях нагрузки,климатических и атмосферных условиях. Однако для адаптациимотоцикла под специфические условия состязаний можетпонадобиться его тонкая настройка. Однако чтобы мотоциклсоответствовал станд...
Страница 138 - Демонтаж карбюратора
1. Поверните топливный кран в положение OFF (Закрыто).2. Слейте топливо из поплавковой камеры, открутив сливной винт (1). (1) винт сливного отверстия карбюратора 3. Надежно затяните винт сливной винт карбюратора.4. Снимите топливный бак (стр. 37).5. Поднимите подрамник в вертикальное положение (стр....
Страница 139 - Разборка/сборка карбюратора
133 Гоночные настройки мотоцикла Полезные советы по регулировке и настройке карбюратора 11. Снимите болт цилиндра дроссельной заслонки (10) и крышку цилиндра дроссельной заслонки (11). (10) болт крышки цилиндра дроссельной заслонки(11) крышка цилиндра дроссельной заслонки 12. Снимите тросы привода д...
Страница 142 - Регулировка частоты вращения холостого хода
(4) воздуховоды(5) переливная трубка 1. Если двигатель холодный, запустите его и прогрейте в течение 2%3 минут. Остановите двигатель. 2. Присоедините тахометр к двигателю.3. Включите нейтральную передачу. Запустите двигатель.4. Удерживайте мотоцикл в вертикальном положении.5. Отрегулируйте частоту х...
Страница 143 - Регулировка шасси; Задняя часть
Для исправления некоторых недостатков можно воспользоватьсяследующим рекомендациям. При этом может измениться общийхарактер управляемости. Если имеется проблема недостаточного сцепления заднегоколеса, поднимите заднюю часть мотоцикла, увеличив степеньпредварительного сжатия задней пружины. Вместо пр...
Страница 144 - Адаптация коробки передач
Изменение передаточных чисел позволяет адаптировать передачумощности двигателя на ведущее колесо к условиям конкретнойгонки. Это позволяет использовать иной диапазон оборотовдвигателя при заданной степени открывания дроссельнойзаслонки. Использование иных передаточных чисел можетизбавить вас от необ...
Страница 145 - Выбор шин для состязаний
От правильного выбора рисунка протектора и состава смеси шинзависит ваш результат в гонке. Стандартные шины данногомотоцикла обеспечивают хорошие показатели в усредненномдиапазоне условий трассы. Опытные водители подбирают шины, исходя из условийконкретной трассы. Если вы примете такое решение, собл...
Страница 146 - Индивидуальные настройки; Расположение органов управления
Нижеследующие рекомендации помогут вам добиться болеевысокого комфорта езды и управления. • Расположение органов управления должно обеспечиватьудобство их использование как стоя, так и сидя. • Измените момент затяжки узлов рычагов тормоза и сцепленияс тем, чтобы они могли вращаться на рукоятках при ...
Страница 147 - Полезные подсказки
В данном разделе приводятся полезные советы относительнотого, как перевозить и хранить мотоцикл, а также три таблицы дляпоиска и устранения неисправностей. Перевозка мотоцикла . . . . . . . . . . . . . . . . . . . . . . . . . . . . . . . . . . .142Хранение мотоцикла . . . . . . . . . . . . . . . . ....
Страница 148 - Перевозка мотоцикла
При использовании грузовика или трейлера для перевозкимотоцикла воспользуйтесь следующими рекомендациями: • Используйте погрузочную рампу. • Установите топливный кран в положение OFF. • Зафиксируйте мотоцикл в вертикальном положение спомощью грузовых строп. Избегайте использования веревки,поскольку ...
Страница 149 - Хранение мотоцикла; Подготовка к хранению
Если не предполагается эксплуатировать мотоцикл в течениедлительного периода, например, зимой, проведите тщательныйего осмотр и устраните все обнаруженные неисправности. Впротивном случае об этих неисправностях можно забыть и неустранить их перед началом эксплуатации после расконсервации. Для предот...
Страница 150 - Расконсервация после хранения
9. Установите на место центральную защитную панель двигателя (4), совмещая ее ушки (10) с пазами (11) расширительногобачка. Установите на место крепежные болты и манжетыцентральной защитной панели (3) и затяните их. Установите наместо правую защитную панель (2) и затяните болт (1). (1) болт(2) права...
Страница 151 - Используйте неагрессивные чистящие средства.; Вы и окружающая среда
Обладание мотоциклом может доставлять удовольствие от еговождения, но нельзя забывать об охране окружающей среды.Оказывая должное уважение земле, природе и другим людям, высохраняете дух спортивности во внедорожной езде. Далее следуют рекомендации по охране окружающей среды: • Используйте неагрессив...
Страница 152 - Устранение неполадок
Виды работ, инструкции по проведению которых приведены вданном руководстве, сопровождаются номерами страниц вскобках. Виды работ, инструкции по проведению которыхприведены в руководстве по ремонту, отмечены звездочкой. ДВИГАТЕЛЬ НЕ ЗАПУСКАЕТСЯ ИЛИ ЕГО ПУСК ЗАТРУДНЕН НАРУШЕНИЕ РАБОТЫ НА НИЗКИХ ОБОРОТ...
Страница 153 - Действия при непредвиденных обстоятельствах
В данном разделе приведены рекомендации практическогохарактера по устранению неисправностей. Перегоревший предохранитель . . . . . . . . . . . . . . . . . . . . . . . . . . .148Разряженная аккумуляторная батарея . . . . . . . . . . . . . . . . . . . . .149 147 Действия при непредвиденных обстоятельс...
Страница 154 - Перегоревший предохранитель
Все электрические цепи мотоцикла CRF снабженыпредохранителями, которые служат для предохраненияповреждения цепей при перегрузке (короткого замыкания илискачков напряжения). Если какое%либо устройство, потребляющее электрический ток,выходит из строя, первым делом необходимо проверитьсоответствующий п...
Страница 155 - Разряженная аккумуляторная батарея
Не рекомендуется производить пуск двигателя от внешнегоисточника, особенно от автомобильных аккумуляторных батарей.Более высокая сила тока автомобильной аккумуляторной батареиможет привести к выходу из строя электрической системымотоцикла CRF. Также не рекомендуется запускать двигатель путем буксиро...
Страница 157 - Информация технического характера
В данном разделе содержится данные о габаритных размерах,заправочных емкостях и иная информация техническогохарактера. Идентификационные номера . . . . . . . . . . . . . . . . . . . . . . . . . . . . .152Технические характеристики . . . . . . . . . . . . . . . . . . . . . . . . . . . . .153Моменты з...
Страница 158 - Идентификационные номера
152 Информация технического характера Для регистрации мотоцикла необходимо знать номер рамы иномер двигателя. Они могут также потребоваться при заказезапасных частей. Номер рамы (1) выштампован на правой стороне рулевой головки. VIN ПРАВАЯ СТОРОНА (1) VIN Номер двигателя (2) выбит на левой стороне к...
Страница 159 - Технические характеристики
% 153 Информация технического характера Технические характеристики Пункт Метрическая мера Габаритные размеры Габаритная длина 2,180 мм Габаритная ширина 821 мм Габаритная высота 1,273 мм Колёсная база 1,483 мм Высота посадки 963 мм Высота подножки 431 мм Дорожный просвет 345 мм Пункт Метрическая мер...
Страница 161 - Моменты затяжки
ПРИМЕЧАНИЕ: 1. Болт UBS. 155 Информация технического характера Моменты затяжки Болты, гайки, прочий крепежПеред каждой поездкой следует проверять затяжку всех болтов, гаек и соединений. Двигатель (6) (11) (8) (10) (7) (12) (1) (3) (5) (4) (2) (9) Пункт Крутящий момент Заметки Нм ДВИГАТЕЛЬ 1 Болты кр...
Страница 162 - РАМА
156 Информация технического характера Моменты затяжки Рама (2) (1) (3) (7) (6) (13) (10) (15) (14) (9) (19) (14) (11) (4) (20) (21) (9) (8) (17) (18) (12) (7) (5) (16) (22) (23) Пункт Крутящий момент Заметки Нм РАМА 1 Гайка рулевого стержня 108 2 Стяжные болты верхнего мостика вилки 22 3 Стяжные бол...
Страница 164 - Использование спиртосодержащих видов топлива
Если вы решили эксплуатировать двигатель на бензине,содержащем спирт, убедитесь в том, что октановое число этоготоплива не ниже значения, рекомендованного компанией Honda. Существует два вида спиртосодержащего бензина: Один из нихсодержит в своем составе этанол, а другой % метанол.Запрещается исполь...
Страница 165 - Дневник состязаний
Успех в спорте зависит от информации, накопленной во времяпредыдущих соревнований. Наилучшим способом сбора такойинформации является ведение дневника состязаний. В дневник можно заносить информацию об использовавшихсянастройках подвески, а также выборе передаточных чиселкоробки передач и применявших...
Страница 166 - Информация технического характерам; Дата
(На будущее сделайте несколько копий данной страницы) 160 Информация технического характерам Дневник состязаний Дата Моторное время Место проведения/Состязание Комментарии (настройки подвески, передаточные числа коробки передач, регулировки шасси, видывыполненных работ технического обслуживания и т....
Страница 167 - Перечень дополнительного оборудования
Данные компоненты и инструменты могут быть заказаны уофициального дилера Honda. 161 Информация технического характера Перечень дополнительного оборудования РАМА Заметки Ведомая звездочка Стандартная < >: Звенья приводной цепи51 зубьев, алюминиевый сплав.<114> Опционная 50 зубьев, алюмини...
Страница 168 - Запасные части и оборудование
Существует перечень разнообразных запчастей, которые могутпригодиться во время состязаний. В дополнение к запасныхболтам и гайкам можно рассмотреть следующее: свечи зажиганиярегулировочные шайбыфильтрующий элемент воздухоочистителя (очищенный исмазанный, упакованный в пакет)приводная цепь и соединит...
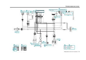
Страница 169 - Коммутационная схема
163 Информация технического характера Коммутационная схема КНОПКА ПУСКАДВИГАТЕЛЯ ВЫКЛЮЧАТЕЛЬДВИГАТЕЛЯ КОНЦЕВОЙВЫКЛЮЧАТЕЛЬСЦЕПЛЕНИЯ БЛОК УПРАВЛЕНИЯ СИСТЕМОЙЗАЖИГАНИЯ ВЫПРЯМИТЕЛЬ/РЕГУЛЯТОРНАПРЯЖЕНИЯ ЭЛЕКТРОМАГНИТНЫЙВЫКЛЮЧАТЕЛЬ СТАРТЕРА ЭЛЕКТРОДВИГАТЕЛЬСТАРТЕРА ПРЕДОХРАНИТЕЛЬ15 А АККУМУЛЯТОРНАЯ БАТАРЕЯ...
Страница 170 - Общие сведения по управлению; Оглавление
Далее указывается содержание всех разделов Руководства поэксплуатации. Безопасность эксплуатации мотоцикла . . . . . . . . . . . . . . . . .1 Информация, относящаяся к безопасности . . . . . . . . . . . . . . . . .2 Загрузка . . . . . . . . . . . . . . . . . . . . . . . . . . . . . . . . . . . . . ....
Страница 172 - Алфавитный указатель
166 Алфавитный указатель Алфавитный указатель аксессуары . . . . . . . . . . . . . . . . . . . . . . . . . . . . . . . . . . . . . . . . . . . . . . .4амортизационное масло, передняя вилка . . . . . . . . . . . . . . . . . . . . . . . . . . . . . . . . . . . . . . . .86коробка передач . . . . . . . ...