Страница 2 - Preface; Preface; WEEE (Waste Electrcal and Electronc Equpment) Statement; ENGLISH; FRANÇAIS
v Preface MS-7697 Preface Preface MS-7697 Preface WEEE (Waste Electrcal and Electronc Equpment) Statement ENGLISH To protect the global envronment and as an envronmentalst, MSI must re- mnd you that...Under the European Unon (“EU”) Drectve on Waste Electrcal and Electron- c Equpment, Drectve 2002/96...
Страница 16 - Характеристики системной платы
Ru-2 MS-7697 Системная плата Характеристики системной платы Поддержка процессоров Процессоры серии AMD ® A8/A6/A4/E2 для разьема FM1 (Список поддерживаемых моделей см. http://www.ms.com/servce/cpu-support) Чипсет AMD ® A75/ A55 Память 2x слота DDR3 DIMM с поддержкой модулей DDR3 1600/ 1333/ 1066 DRA...
Страница 17 - Слоты
Ru-3 Русский Разъемы & Кнопки Разъемы на задней панели 1x PS/2 порт клавиатуры 1x PS/2 порт мыши 4x порта USB 2.0 2x порта USB 3.0 (A75MA-P35) 1x порт LAN 1x порт VGA 1x порт DVI-D 6x аудиоразъемов Разъемы на плате 2x разъема USB 2.0 1x разъем USB 3.0 (A75MA-P35) 1x разъем S/PDIF-Out 1x аудиораз...
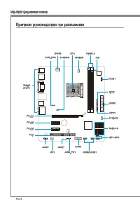
Страница 18 - Краткое руководство по разъемам
Ru-4 MS-7697 Системная плата Краткое руководство по разъемам Задняя панель CPU CPUFAN DIMM1,3 JPWR2 JPWR1 SYSFAN1 SATA1~6 JFP1/JFP2 JUSB3 JSP1 JAUD1 JCI1 JTPM1 PCI_E1 SYSFAN2 JBAT1 PCI_E2 PCI_E3 PCI1 JCOM1 JLPT1 JUSB_PW1 JUSB2/JUSB1 JUSB_PW2
Страница 20 - Разъемы на задней панели
Ru-6 MS-7697 Системная плата Разъемы на задней панели Разъем мыши/клавиатуры Стандартные разъемы DIN PS/2 ® для подключения мыши/клавиатуры с интерфейсом PS/2 ® . Порт USB 2.0 Порт USB 2.0 предназначен для подключения USB-устройств, таких как клавиатура, мышь и другие USB-совместимые устройства. Пор...
Страница 23 - Установка CPU и вентилятора
Ru-9 Русский Установка CPU и вентилятора При установке CPU убедитесь, что на нем установлен вентилятор, предотвращающий перегрев процессора. При установке радиатора/вентилятора не забудьте нанести на CPU термопасту, улучшающую теплопередачу. Для правильной установки вентилятора и процессора выполнит...
Страница 26 - Электропитание
Ru-12 MS-7697 Системная плата Электропитание 24-контактный разъем питания ATX: JPWR1 Этот разъем позволяет подключить 24-контактный разъем питания ATX. Перед подключением источника питания убедитесь, что его контакты и разъем на плате правильно сориентированы. Затем плотно вставьте его в разъем на с...
Страница 28 - Установка модулей памяти
Ru-14 MS-7697 Системная плата Установка модулей памяти Разблокируйте DIMM слот, разведя зажимы в стороны. Вставьте модуль памяти в слот DIMM вертикально. На модуле памяти имеется смещенная от центра выемка внизу, благодаря которой его можно вставить в гнездо DIMM только определенным образом.Вставьте...
Страница 29 - Слот PCIe (Perpheral Component Interconnect Express)
Ru-15 Русский Слот расширения Данная материнская плата содержит несколько слотов для плат расширения, таких как дискретные видео и аудио карты. Слот PCIe (Perpheral Component Interconnect Express) Слот PCIe поддерживает карты расширения интерфейса PCIe. PCIe 2.0 x16 слот PCIe x1 слот Слот PCI (Perph...
Страница 30 - Установка одной видеокарты
Ru-16 MS-7697 Системная плата Видео/ Видеокарты По умолчанию, данная плата использует графическое ядро интегрированное в CPU, но Вы так же можете значительно повысит графическую производительность системы, путем добавление одной или нескольких дискретных видеокарт в слоты расширения. Для лучшей совм...
Страница 33 - Выносной разъем аудио: JAUD1
Ru-19 Русский Разъемы передней панели: JFP1, JFP2 Эти разъемы используются для подключения кнопок и светодиодных индикаторов, расположенных на передней панели системного блока. Разъем JFP1 соответствует стандарту Intel ® Front Panel I/O Connectvty Desgn. Для упрощения процедуры подключения передней ...
Страница 35 - Разъем параллельного порта: JLPT1
Ru-21 Русский Разъем модуля ТРМ: JTPM1 (опционально) Данный разъем подключается к модулю TPM (Trusted Platform Module). За более подробной информацией и назначениями обращайтесь к описанию модуля TPM. * Размещение системной платы на рисунке приведено только для примера. 11 5 V 10.N o Pin 14.G roun d...
Страница 36 - Разъем последовательного порта: JCOM1
Ru-22 MS-7697 Системная плата Разъем последовательного порта: JCOM1 Данный разъем является высокоскоростным последовательным портом передачи данных 16550А с 16-разрядной передачей FIFO. К этому разъему можно подключить устройство c последовательным интерфейсом. 1.DC D 3.SO UT 10.N o Pin 5.Gro und 7....
Страница 37 - Перемычка очистки данных CMOS: JBAT1
Ru-23 Русский Перемычка Перемычка очистки данных CMOS: JBAT1 На плате установлена CMOS память с питанием от батарейки, хранящая данные о конфигурации системы. С помощью памяти CMOS, система автоматическизагружается каждый раз при включении. Если у вас возникает необходимость сбросить конфигурацию си...
Страница 38 - Настройка BIOS; Вход в режим настройки
Ru-24 MS-7697 Системная плата Настройка BIOS В этой главе приводятся основные сведения о режиме настройки BIOS (BIOS SETUP), который позволяет установить оптимальную конфигурацию системы. Этот режим может потребоваться в следующих случаях: Во время загрузки системы появляется сообщение об ошибке с т...
Страница 39 - Управление
Ru-25 Русский Управление Клавиатура Мышь Описание <↑><↓> Перемещение указателя Выбор пункта <←><→> Выбор экрана <Enter> Щелчок/ двойной щелчок левой кнопкой Выбор значка/области <Esc> Щелчок правой кнопкой Переход в меню Ext (Выход) или возврат к предыдущему меню ...
Страница 42 - Overclockng «Разгон»
Ru-28 MS-7697 Системная плата Overclockng «Разгон» Данное меню предназначено для опытных пользователей и предоставляет возможности для “Overclockng (разгона)” системы. Current CPU / NB / DRAM Frequency В этом разделе отображается текущая частота процессора (CPU), процессора в режиме бездействия (NB)...
Страница 46 - Сведения о программном обеспечении
Ru-32 MS-7697 Системная плата Сведения о программном обеспечении Установите в привод DVD-ROM прилагаемый к системной плате компакт диск «Drver/Utlty». Установка запустится автоматически. Выберите драйвер или служебную программу и следуйте инструкциям на экране для завершения установки. Содержимое Ds...