Страница 3 - ОПИСАНИЕ; AMPTEC; ОСНОВНЫЕ
ОПИСАНИЕ Электрический проточный котел AMPTEC предназначен для нагрева рециркуляционной воды в системах центрального отопления . Вода нагревается , проходя вдоль электрических нагревательных элементов , расположенных в корпусе . Температура воды отслеживается и регулируется по методу модуляции путем...
Страница 4 - УСТАНОВКА
УСТАНОВКА При транспортировке и подключении котла следует соблюдать необходимые меры предосторожности , чтобы не повредить котел . До установки котел должен храниться в сухом и безопасном месте . Котел должен монтироваться в ВЕРТИКАЛЬНОМ положении . До подсоединения труб котел должен быть закреплен ...
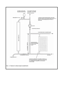
Страница 5 - Amptec
ПРИСОЕДИНЕНИЕ СЕТИ ВОДОСНАБЖЕНИЯ ПРИСОЕДИНЕНИЕ СЕТИ ВОДОСНАБЖЕНИЯ ДОЛЖНО ВЫПОЛНЯТЬСЯ В СООТВЕТСТВИИ С ТЕКУЩИМИ СТРОИТЕЛЬНЫМИ НОРМАМИ И ПРАВИЛАМИ . Установка котла должна производиться квалифицированным специалистом в соответствии с текущими нормами и правилами . Для обеспечения нормальной работы сис...
Страница 6 - ПРИМЕЧАНИЕ
ПРИМЕЧАНИЕ : СОГЛАСНО СТРОИТЕЛЬНЫМ НОРМАМ И ПРАВИЛАМ ПРИ ИСПОЛЬЗОВАНИИ КОТЛА AMPTEC ДЛЯ ЦЕНТРАЛЬНОГО ОТОПЛЕНИЯ , ДЛЯ ЕГО УПРАВЛЕНИЯ ДОЛЖЕН ИСПОЛЬЗОВАТЬСЯ КОМНАТНЫЙ ТЕРМОСТАТ ( СМ . СТР . 15). Не устанавливайте терморегулирующие радиаторные клапаны в комнате , где расположен управляющий термостат , о...
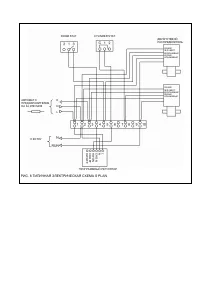
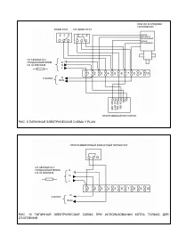
Страница 14 - Y PLAN
РИС . 9 ТИПИЧНАЯ ЭЛЕКТРИЧЕСКАЯ СХЕМА Y PLAN РИС . 10 ТИПИЧНАЯ ЭЛЕКТРИЧЕСКАЯ СХЕМА ПРИ ИСПОЛЬЗОВАНИИ КОТЛА ТОЛЬКО ДЛЯ ОТОПЛЕНИЯ ROOM STAT CYLINDER STAT КЛАПАН В СРЕДНЕМ ПОЛОЖЕНИИ СИНИЙ ЗЕЛ ./ ЖЕЛТ . КОРИЧНЕВЫЙ СЕРЫЙ ОРАНЖЕВЫЙ E N L N RUN ОТ АВТОМАТА С ПРЕДОХРАНИТЕЛЕМ НА 3 А ИЛИ MCB К КОТЛУ ПРОГРАММНЫ...
Страница 15 - TRV
УСТАНОВКА – ПОСЛЕДНЯЯ РЕДАКЦИЯ ПРАВИЛ 1. Установка должна представлять полностью прокачиваемую систему (fully pumped system). 2. Независимый температурный и временной контроль , как для отопительной системы , так и для системы приготовления бытовой горячей воды . 3. Система должна предусматривать бл...
Страница 16 - RCD
ЗАПУСК КОТЛА Устройства управления котлом полностью автоматизированы , поэтому обращаться с ними достаточно просто . Электрические подключения в системе можно производить только после промывки и последующего заполнения системы водой , добавления ингибитора , а также установки правильного давления ( ...
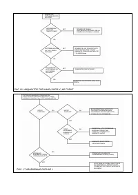
Страница 18 - РИС
ПИТАЮЩЕЕ НАПРЯЖЕНИЕ ВКЛ . ТЕРМОВЫКЛ . ОТКРЫТ , Т . Е . К . З . ИЛИ ПЕРЕГРЕВ КОТЛА ВЫЗОВ LED RED МИГАЕТ КРАСНЫЙ СИГНАЛЬНЫЙ ИНДИКАТОР ДА НЕТ ПРОВЕРЬТЕ , ПОДАЕТСЯ ЛИ ЭЛЕКТРОПИТАНИЕ НА КОТЕЛ ВКЛЮЧИТЕ ПИТАНИЕ ВКЛЮЧИТЕ НАСОС И ПРЕДВАРИТЕЛЬНЫЙ НАГРЕВ , ЗАТЕМ ПОДОЖДИТЕ 1-1.5 МИНУТ ОБА ТЕРМИСТОРА ВЫДАЮТ ОДИН...
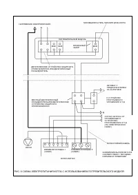
Страница 19 - ALARM; ОБСЛУЖИВАНИЕ; Расположение; Conn 3
ОПЕРАЦИИ И ИНДИКАЦИЯ Зеленый индикатор SUPPLY ( ПИТАНИЕ ) горит все время , пока на котел подается напряжение электропитания . Индикатор CALL ( ВЫЗОВ ) горит зеленым цветом при запросе от программного устройства и термостата или красным цветом , сигнализируя о перегреве в системе . Он будет мигать з...
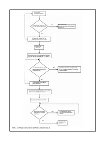
Страница 21 - АВАРИЙНАЯ
ОБНАРУЖЕНИЕ НЕИСПРАВНОСТЕЙ 1. Если красный сигнальный индикатор ALARM при включении котла постоянно мигает , значит , при транспортировке ослабло или пропало соединение в разъеме «Conn4». Если мигают сигнальный индикатор ALARM и индикатор CALL ( ВЫЗОВ ) ( красный ), то ослабли контакты термовыключат...
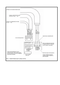
Страница 27 - Heatrae
РЕЛЕЙНАЯ РЕГУЛИРОВКА ДУША ДЛЯ КОТЛА AMPTEC ® Ограничения по электропитанию . При совместной установке электрического душа и электрического проточного котла может произойти перегрузка сети , когда оба этих устройства работают одновременно . Для устранения данной проблемы в систему добавляется простой...