Беговые дорожки Freemotion t12.8 - инструкция пользователя по применению, эксплуатации и установке на русском языке. Мы надеемся, она поможет вам решить возникшие у вас вопросы при эксплуатации техники.
Если остались вопросы, задайте их в комментариях после инструкции.
"Загружаем инструкцию", означает, что нужно подождать пока файл загрузится и можно будет его читать онлайн. Некоторые инструкции очень большие и время их появления зависит от вашей скорости интернета.

141
141
141
167
171
119
120
119 96
137
122
149
146
175
94
95
180
178 191
155
156
157
153
151
155
105
156
157
153
105
106
106
176
94
183
184
150
94
184
183
96
92
93
13
181
154
154
94
95
92
13
181
182
93
123
122
121
123
122
91
123
122
104
123
122
137
137
137
136
104
137
137
122
137
122
148
СБ
ОРОЧНЫ
Й ЧЕРТЁ
Ж
B
Модель
N
o
. FMTL70
8
14-INT.0
R0315В
R031
5A
66
Содержание
- 3 МЕРЫ ПРЕДОСТОРОЖНОСТИ
- 4 СПЕЦИФИКАЦИЯ
- 5 СБОРКА
- 11 КАК ПОДКЛЮЧИТЬ БЕГОВУЮ ДОРОЖКУ
- 14 Инструкция по работе с консолью; Структура
- 15 Наименование; QUICK START
- 16 Структура консоли C; Youtube
- 17 Введение по работе с дисплеем
- 18 Область данных; Кнопка переключения; Upload / Download flow status
- 19 нормальной; Страница ожидания
- 20 Настройка программы; Go
- 21 Выбор сохраненных программ тренировок
- 22 Страница с упражнениями; Описание секторов экрана; Информационная область состояния тренировки
- 23 LEVEL; Сектор
- 24 Охлаждение; Режим паузы
- 25 Функции мультимедиа; Facebook; Чтобы избежать заражения вирусом, мы блокируем каждую рекламу
- 28 Сведения о результатах тренировки; Csafe; Иллюстрация программы
- 29 Настройка целевой программы тренировки
- 31 Контроль сердцебиения
- 35 РЕЖИМ ТЕСТИРОВАНИЯ; Skip
- 39 ТРЕНИРОВКА
- 40 ДИАПАЗОН; Кардио; ВОССТАНОВЛЕНИЕ; Данная модель беговой дорожке предусмотрена для кардио
- 42 Виртуальная активность
- 43 Режим технического обслуживания; Вход и выход; Вход
- 44 Этот значок подтверждает наличие; Информация; (Изображение представлено для ознакомления)
- 45 not; Настройка часового пояса
- 46 Настройка языка
- 47 Единицы измерения; Metric; Информация о тренажёре; Тип оборудования
- 48 нажать на кнопку; Настройки Wi
- 50 Настройка мощности; WAKE
- 54 КАК ПЕРЕДВИГАТЬ ТРЕНАЖЁР
- 55 ПРОФИЛАКТИКА
- 60 УСТРАНЕНИЕ НЕПОЛАДОК
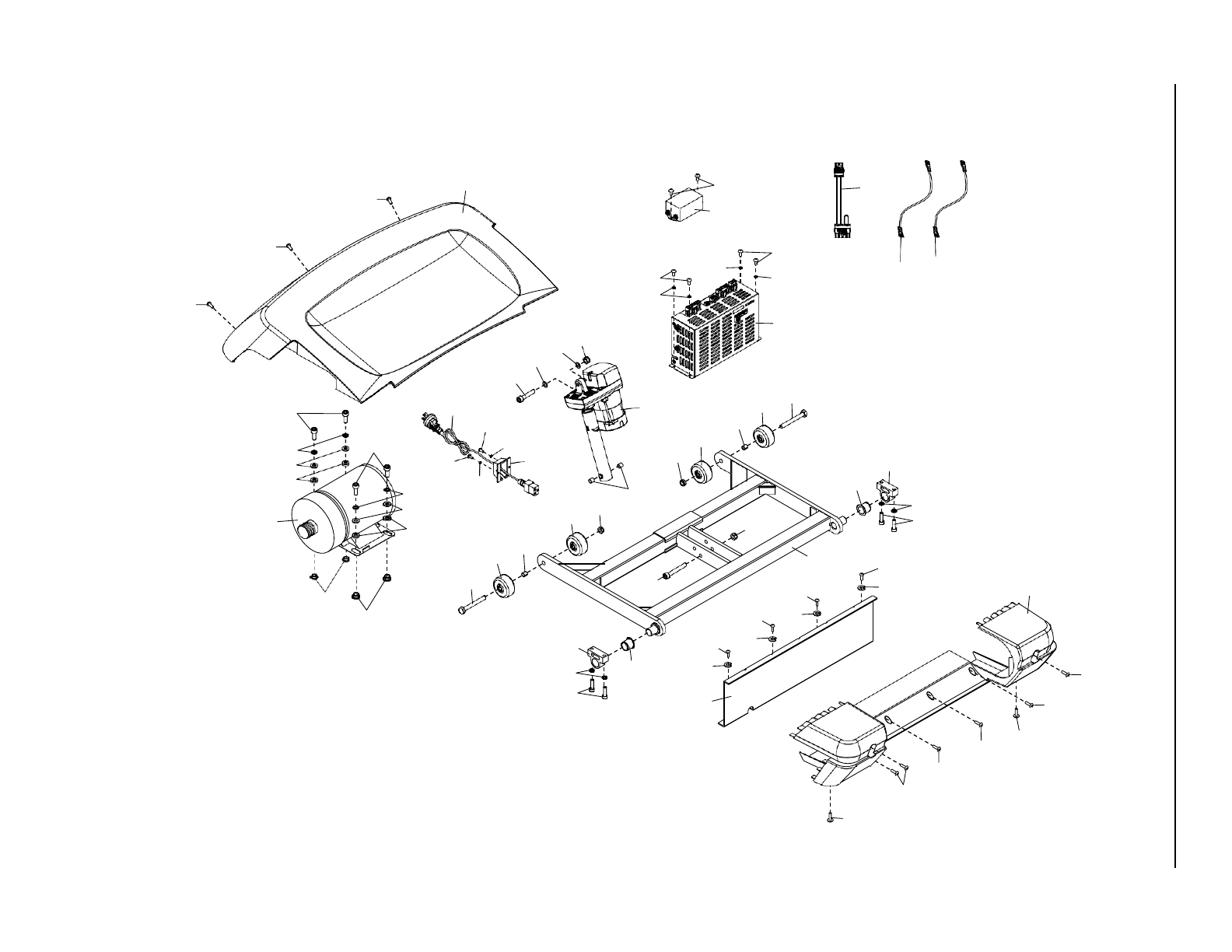
- 64 ПЕРЕЧЕНЬ ДЕТАЛЕЙ
- 67 Й ЧЕРТЁ
- 68 Й ЧЕРТЕ
- 69 СБОРОЧНЫЙ ЧЕРТЕЖ
Характеристики
Остались вопросы?Не нашли свой ответ в руководстве или возникли другие проблемы? Задайте свой вопрос в форме ниже с подробным описанием вашей ситуации, чтобы другие люди и специалисты смогли дать на него ответ. Если вы знаете как решить проблему другого человека, пожалуйста, подскажите ему :)