Автосигнализации Sheriff ZX-940 - инструкция пользователя по применению, эксплуатации и установке на русском языке. Мы надеемся, она поможет вам решить возникшие у вас вопросы при эксплуатации техники.
Если остались вопросы, задайте их в комментариях после инструкции.
"Загружаем инструкцию", означает, что нужно подождать пока файл загрузится и можно будет его читать онлайн. Некоторые инструкции очень большие и время их появления зависит от вашей скорости интернета.

52
Перережьте штатный провод отпирания
и подключите
белый провод
системы к тому концу пере
резанного штатного провода, который идет к дополнительным переключателям (электроприводам
замков дверей). Подключите синий провод к тому концу перерезанного штатного провода, который
идет к основному переключателю .
Оранжевый провод и синий провод с белой полосой должны быть подключены к источнику
питания +12 В, защищенному предохранителем .
Эксплуатация
Мастерустановщик обязательно должен пометить в руководстве пользователя все установленные
опции и запрограммированные настройки и полностью разъяснить владельцу автомобиля правила
эксплуатации охранной системы.
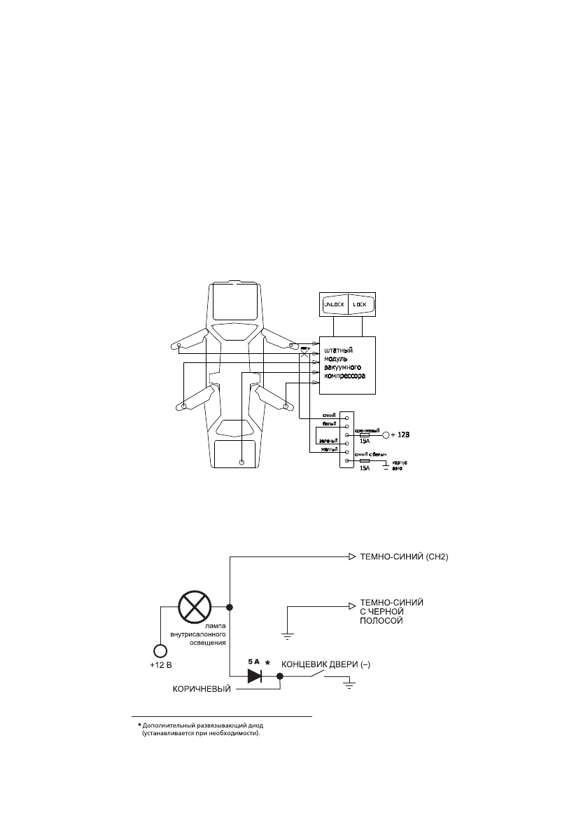
Дополнительные полезные схемы управления центральным замком
Схема управления вакуумными системами «MercedesBenz», «Audi»
Дополнительные полезные схемы управления внутрисалонным освещением
Внутрисалонное освещение с отрицательной полярностью
Содержание
- 2 Оглавление
- 4 Основные функции системы Sheriff ZX940; Охрана
- 5 Управление центральным замком; Сирена; «Комфорт»; Сервисуправление
- 6 Управление работой системы Sheriff ZX940; Функции кнопок брелоковпередатчиков
- 7 Комбинации индикаторов LCDдисплея
- 10 Запись кодов новых передатчиков (F18 — состояние «Секретный код»)
- 20 Режимы работы габаритных огней автомобиля; Примечание
- 21 Индикатор разряда/замена батареи; Для замены батареек в пятикнопочном брелокепередатчике; Для замены батареек в дополнительном брелокепередатчике
- 22 Дополнительные команды постановки системы на охрану; Пассивная (автоматическая) постановка системы на охрану; Подготовка; Ручная постановка системы на охрану
- 23 Постановка на охрану с работающим двигателем (функция «Any Stop»); Включение функции «Any Stop» с постановкой на охрану; Защита автомобиля в режиме охраны; Защита автомобиля при включенном режиме охраны
- 24 Сигналы предупреждения о попытке проникновения в автомобиль; Отключение системы/сервисный режим; Кнопка «Valet»
- 25 Для отключения системы с помощью персонального кода; Сервисный режим «Valet»; Включение режима «Valet».
- 26 Дополнительные функции пассивной безопасности; Автоматическое безопасное запирание дверей
- 29 Дополнительные функции активной безопасности; Режим «AntiHiJack» (защита от угона и захвата автомобиля); Отключение режима «AntiHiJack»
- 32 Дополнительные сервисные функции управления системой
- 33 Внимание
- 34 Дистанционно управляемый дополнительный канал CH2; Дистанционно управляемый дополнительный канал CH3
- 35 Программирование охранной системы; Программирование функций системы
- 36 Изменение персонального кода отключения системы
- 43 Руководство по установке; Установка основных компонентов системы
- 46 Подключение проводов системы; Важно; Описание функций проводов 18контактного разъема системы N1
- 49 Реле запирания; контактный белый разъем «Shock sensor 1» N4
- 51 Перережьте штатный провод запирания; желтый провод
- 52 Перережьте штатный провод отпирания; белый провод; Эксплуатация; Дополнительные полезные схемы управления центральным замком; Схема управления вакуумными системами «MercedesBenz», «Audi»
- 53 Внутрисалонное освещение с положительной полярностью; Установка (программирование) параметров функций
- 54 Выбор режимов работы световой индикациии системы
- 56 Установка времени работы центрального замка F12.1
- 60 Завешение установки системы
- 63 Комплектация Sheriff ZX940; Основные технические характеристики
- 64 Глоссарий (часто используемые термины и обозначения)
- 65 Удаленное цифровое реле блокировки R350
- 66 Приложение 2; Технические характеристики
- 67 Приложение 3; Датчик наклона/перемещений TMS207XL; Описание датчика; Инстркуция по подключению
- 68 Программирование датчика; Порог чувствительности датчика наклона
Как отключить питание транспондера сигнализации sheriff 940