Автосигнализации Scher-Khan Magicar II - инструкция пользователя по применению, эксплуатации и установке на русском языке. Мы надеемся, она поможет вам решить возникшие у вас вопросы при эксплуатации техники.
Если остались вопросы, задайте их в комментариях после инструкции.
"Загружаем инструкцию", означает, что нужно подождать пока файл загрузится и можно будет его читать онлайн. Некоторые инструкции очень большие и время их появления зависит от вашей скорости интернета.

ëïÖåÄ 6
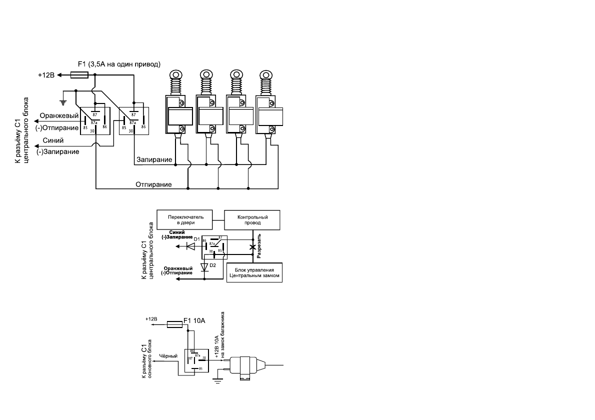
íàè 4 ÔÓÚ·ÛÂÚÒfl ‰‚‡ ‚̯ÌËı ÂÎÂ Ë Ô‰Óı‡ÌËÚÂθ.
ìÒÚ‡Ìӂ͇ ̯ڇÚÌÓ„Ó ‰‚ÛıÔÓ‚Ó‰ÌÓ„Ó ˝ÎÂÍÚÓÁ‡Ï͇. í·ÛÂÚÒfl ËÌ‚ÂÒËfl
ÔÓÎflÌÓÒÚË.
ëïÖåÄ 7
íàè 6 ÔÓÚ·ÛÂÚÒfl Ó‰ÌÓ ‚̯Ì ÂÎÂ
Ë ‰‚‡ ‰ËÓ‰‡ 1N 4001. é‰ÌÓÔӂӉ̇fl
ÒËÒÚÂχ. ùÚ‡ ÒËÒÚÂχ Ó·˚˜ÌÓ Ú·ÛÂÚ
ÓÚˈ‡ÚÂθÌÓ„Ó
ËÏÔÛθ҇
‰Îfl
ÓÚÔˇÌËfl Ë ‡Á˙‰ËÌÂÌËfl ÔÓ‚Ó‰Ó‚
‰Îfl
Á‡ÔˇÌËfl.
Ç
ÌÂÍÓÚÓ˚ı
‡‚ÚÓÏÓ·ËÎflı ̇ӷÓÓÚ.
ëïÖåÄ 8
èéÑäãûóÖçàÖ èêàÇéÑÄ áÄåäÄ
ÅÄÉÄÜçàäÄ.
èÓÚ·ÛÂÚÒfl Ó‰ÌÓ ‰ÓÔÓÎÌËÚÂθÌÓÂ
ÂÎÂ Ë Ô‰Óı‡ÌËÚÂθ.
СХЕМЫ ПОДКЛЮЧЕНИЯ