Автосигнализации Scher-Khan Magicar II - инструкция пользователя по применению, эксплуатации и установке на русском языке. Мы надеемся, она поможет вам решить возникшие у вас вопросы при эксплуатации техники.
Если остались вопросы, задайте их в комментариях после инструкции.
"Загружаем инструкцию", означает, что нужно подождать пока файл загрузится и можно будет его читать онлайн. Некоторые инструкции очень большие и время их появления зависит от вашей скорости интернета.

èêéÉêÄååàêéÇÄçàÖ êÖÜàåéÇ êÄÅéíõ ëàëíÖåõ ë èéåéôúû DIP - èÖêÖäãûóÄíÖãÖâ
ç‡ Á‡‰ÌÂÈ ÒÚÂÌÍ ·ÎÓ͇ SCHER-KHAN MAGICAR II ËÏÂÂÚÒfl Ô‡ÌÂθ ËÁ ˜ÂÚ˚fiı DIP-
ÔÂÂÍβ˜‡ÚÂÎÂÈ, ‰Îfl ÔÓ„‡ÏÏËÓ‚‡ÌËfl ÂÊËÏÓ‚ ‡·ÓÚ˚ ÒËÒÚÂÏ˚ ‚ Á‡‚ËÒËÏÓÒÚË ÓÚ
ÍÓÌÒÚÛÍÚË‚Ì˚ı ÓÒÓ·ÂÌÌÓÒÚÂÈ Ç‡¯Â„Ó ‡‚ÚÓÏÓ·ËÎfl. îÛÌ͈ËË, ÔÓ„‡ÏÏËÛÂÏ˚Â
DIP- ÔÂÂÍβ˜‡ÚÂÎflÏË, ÛÒڇ̇‚ÎË‚‡˛ÚÒfl ÔË ËÌÒÚ‡ÎÎflˆËË ÒËÒÚÂÏ˚ ‚ ÛÒÚ‡ÌÓ‚Ó˜ÌÓÏ
ˆÂÌÚÂ Ë Ì ÓÚÌÓÒflÚÒfl Í Ò‚ËÒÌ˚Ï ÙÛÌ͈ËflÏ, Ëı ËÁÏÂÌÂÌË ‰ÓÔÛÒÚËÏÓ ÚÓθÍÓ ‚
ÛÒÚ‡ÌÓ‚Ó˜ÌÓÏ ˆÂÌÚÂ.
ÇçàåÄçàÖ!
çÂÔ‡‚Ëθ̇fl ÛÒÚ‡Ìӂ͇ ÔÓÎÓÊÂÌËfl DIP — ÔÂÂÍβ˜‡ÚÂÎÂÈ
ÏÓÊÂÚ ÔË‚ÂÒÚË Í ÌÂÔ‡‚ËθÌÓÈ ‡·ÓÚ ‰‚Ë„‡ÚÂÎfl ‡‚ÚÓÏÓ·ËÎfl ‚Ó
‚ÂÏfl ‰ËÒڇ̈ËÓÌÌÓ„Ó Ë ‡‚ÚÓχÚ˘ÂÒÍÓ„Ó Á‡ÔÛÒ͇, ‡ Ú‡ÍÊ Í
ÌÂÒ˜‡ÒÚÌÓÏÛ ÒÎÛ˜‡˛ ËÎË ÔÓ‚ÂʉÂÌ˲ ‡‚ÚÓÏÓ·ËÎfl. ÇÌËχÚÂθÌÓ
ÓÁ̇ÍÓϸÚÂÒ¸ Ò Ì‡Á̇˜ÂÌËÂÏ DIP — ÔÂÂÍβ˜‡ÚÂÎÂÈ.
ÇçàåÄçàÖ!
ÖÒÎË ‡‚ÚÓÏÓ·Ëθ Ó·ÓÛ‰Ó‚‡Ì ‡‚ÚÓχÚ˘ÂÒÍÓÈ ÍÓÓ·ÍÓÈ
Ô‰‡˜ ·ÂÁ ÌÂÈڇθÌÓ„Ó Ô‰Óı‡ÌËÚÂθÌÓ„Ó ‚˚Íβ˜‡ÚÂÎfl,
ËÒÔÓθÁÛÈÚ ÂÊËÏ ‡·ÓÚ˚ ÒËÒÚÂÏ˚ ‰Îfl ‡‚ÚÓÏÓ·ËÎÂÈ Ò
ÏÂı‡Ì˘ÂÒÍÓÈ ÍÓÓ·ÍÓÈ Ô‰‡˜. ìÒÚ‡ÌÓ‚ËÚ DIP‹4 ‚
ÔÓÎÓÊÂÌËÂ Çõäã (OFF).
çÄëíêéâäÄ ÑÄíóàäÄ ìÑÄêÄ
óÚÓ·˚ Û‚Â΢ËÚ¸ ˜Û‚ÒÚ‚ËÚÂθÌÓÒÚ¸ ‰‡Ú˜Ë͇ Û‰‡‡ ÔÓ‚ÂÌËÚ „ÛÎflÚÓ Ì‡ ÍÓÔÛÒÂ
‰‡Ú˜Ë͇ ÔÓ ˜‡ÒÓ‚ÓÈ ÒÚÂÎÍÂ.
36
èÓÎÓÊÂÌËÂ
ÔÂÂÍβ˜‡ÚÂÎfl
Çõäã.(OFF)
Çäã.(ON)
DIP‹1
ç‡ÔflÊÂÌË ̇
ÊÂÎÚÓÏ/˜fiÌÓÏ
ÔӂӉ ‚ ‡Á˙fiÏÂ
ë5, ÔË ÍÓÚÓÓÏ ÒË-
ÒÚÂχ Ò˜ËÚ‡ÂÚ, ˜ÚÓ
‰‚Ë„‡ÚÂθ ‡‚ÚÓÏÓ-
·ËÎfl Á‡ÔÛ˘ÂÌ ‚ Â-
ÊËÏ “чژË͇ „Â-
̇ÚÓ‡”.
4,5Ç (ÂÊËÏ
„Â̇ÚÓ‡)
9Ç (ÂÊËÏ
„Â̇ÚÓ‡)
DIP‹2
ÇÂÏfl ‡·ÓÚ˚ ‰‚Ë-
„‡ÚÂÎfl ‰Îfl Ôӄ‚‡
ÔË ‡‚ÚÓχÚ˘ÂÒÍÓÏ
Ë ‰ËÒڇ̈ËÓÌÌÓÏ
Á‡ÔÛÒÍ (Á̇˜ÂÌËfl
‚ ÒÍӷ͇ı ‰Îfl ‡‚ÚÓ-
ÏÓ·ËÎÂÈ ‰ËÁÂθÌ˚Ï
‰‚Ë„‡ÚÂÎÂÏ).
15 ÏËÌ.
(25 ÏËÌ. ‰Îfl ‰ËÁÂÎfl)
25 ÏËÌ.
(45 ÏËÌ. ‰Îfl ‰ËÁÂÎfl)
DIP‹3
íËÔ ‚˚·‡ÌÌÓ„Ó
‰‡Ú˜Ë͇ Á‡ÔÛÒ͇
‰‚Ë„‡ÚÂÎfl.
чژËÍ
„Â̇ÚÓ‡
чژËÍ
Ú‡ıÓÏÂÚ‡
DIP‹4
íËÔ ÍÓÓ·ÍË
Ô‰‡˜ LJ¯Â„Ó
‡‚ÚÓÏÓ·ËÎfl
êۘ̇fl ÍÓӷ͇
Ô‰‡˜
Ä‚ÚÓχÚ˘ÂÒ͇fl
ÍÓӷ͇ Ô‰‡˜
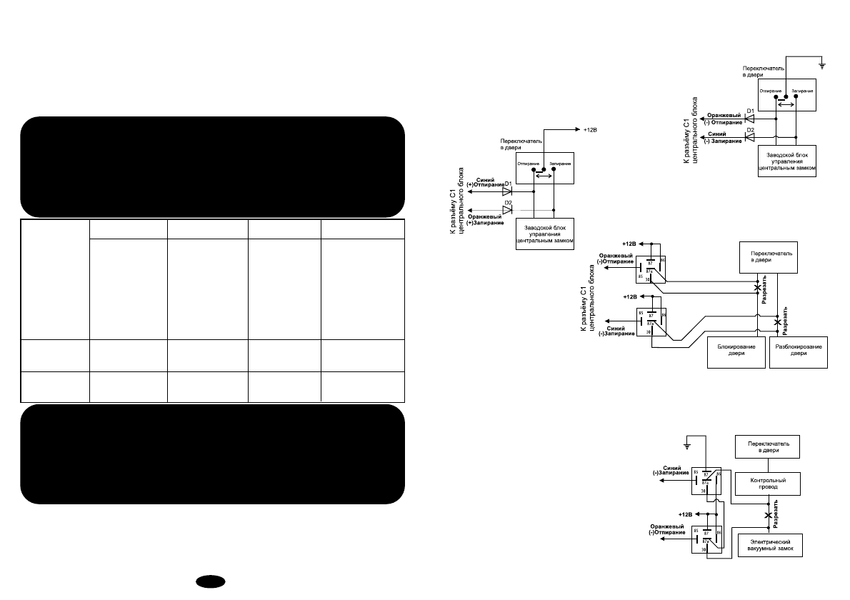
ëïÖåõ èéÑäãûóÖçàü ñÖçíêÄãúçéÉé áÄåäÄ ä ëàëíÖåÖ
SCHER-KHAN MAGICAR II
ëïÖåÄ 2
íàè1 ÔÓÚ·ÛÂÚÒfl ‰‚‡ ‰ËÓ‰‡ (̇ÔËÏ 1N4001).
ÑÎfl ·ÎÓ͇ ÛÔ‡‚ÎÂÌËfl ÚÂ·Û˛ÚÒfl ËÏÔÛθÒ˚
ÓÚˈ‡ÚÂθÌÓÈ ÔÓÎflÌÓÒÚË. ÅÛ‰¸Ú ÓÒÚÓÓÊÌ˚
۷‰ËÚÂÒ¸, ˜ÚÓ ˝ÚÓ Ì íàè 3.
ëïÖåÄ 3
íàè
2
Ô Ó Ú Â · Û Â Ú Ò fl
‰‚‡ ‰ËÓ‰‡ (̇ÔËÏ 1N4001) ÑÎfl ·ÎÓ͇
ÛÔ‡‚ÎÂÌËfl ÚÂ·Û˛ÚÒfl ËÏÔÛθÒ˚ ÔÓÎÓÊËÚÂθÌÓÈ
ÔÓÎflÌÓÒÚË.
ëïÖåÄ 4
íàè 3 ÔÓÚ·ÛÂÚÒfl ‰‚‡
‚̯ÌËı ÂÎÂ.
ÅÎÓÍÛ
ÛÔ‡‚ÎÂÌËfl
ÌÂÓ·ıÓ‰ËÏ˚ ËÏÔÛθÒ˚ Ò
ÔÂÂÏÂÌÓÈ
Á͇̇
ÔÓÎflÌÓÒÚË. é·flÁ‡ÚÂθÌÓ
۷‰ËÚÂÒ¸, ˜ÚÓ ˝ÚÓ Ì íàè 1
ËÎË íàè2, ÂÒÎË Ç˚ ӷ̇ÛÊËÎË ÌÂÓÔÓÁ̇ÌÌ˚È ÔÓ‚Ó‰, ÚÓ ÓÚÒÓ‰ËÌËÚÂ Â„Ó Ë
Ôӂ¸Ú ‡·ÓÚÛ Á‡Ï͇ ‚˚Íβ˜‡ÚÂÎÂÏ Á‡Ï͇. ÖÒÎË ‡·ÓÚ‡ÂÚ Ó‰ÌÓ Ì‡Ô‡‚ÎÂÌËÂ, ÚÓ
˝ÚÓ Ì íàè 3, ‡ íàè 1, ËÎË íàè 2. Ç íàè 3, ÂÒÎË ÔÓ‚Ó‰ ÓÚÔˇÌËfl ËÎË Á‡ÔˇÌËfl
ÓÚÒÓ‰ËÌfiÌ ˆÂÌڇθÌ˚È Á‡ÏÓÍ Ì ·Û‰ÂÚ
‡·ÓÚ‡Ú¸ ‚ÓÓ·˘Â.
ëïÖåÄ 5
íàè 4 ÔÓÚ·ÛÂÚÒfl ‰‚‡ ‚̯ÌËı ÂÎÂ.
ùÎÂÍÚ˘ÂÒÍËÈ ‚‡ÍÛÛÏÌ˚È Á‡ÏÓÍ. ç‡
ÔӂӉ ÔÓfl‚ÎflÂÚÒfl Ò˄̇Π+12 Ç, ÍÓ„‰‡
‰‚ÂË ÓÚÔÂÚ˚ Ë “åÄëëÄ” ÍÓ„‰‡ ‰‚ÂË
Á‡ÔÂÚ˚,
ÒËÒÚÂχ
‰ÓÎÊ̇
·˚Ú¸
Á‡ÔÓ„‡ÏÏËÓ‚‡Ì‡ ̇ 4 ÒÂÍÛ̉Ì˚Â
ËÏÔÛθÒ˚ ÛÔ‡‚ÎÂÌËfl ñá.
СХЕМЫ ПОДКЛЮЧЕНИЯ