Водонагреватели STIEBEL ELTRON SHZ 120 LCD 1210х510х510 мм 231255 - инструкция пользователя по применению, эксплуатации и установке на русском языке. Мы надеемся, она поможет вам решить возникшие у вас вопросы при эксплуатации техники.
Если остались вопросы, задайте их в комментариях после инструкции.
"Загружаем инструкцию", означает, что нужно подождать пока файл загрузится и можно будет его читать онлайн. Некоторые инструкции очень большие и время их появления зависит от вашей скорости интернета.

www.stiebel-eltron.com
SHZ LCD |
77
РУ
С
С
К
И
Й
МОНТАЖ
Технические характеристики
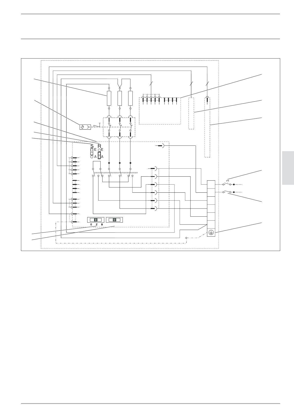
16.2 Электрические схемы и соединения
;
;
;
;
;
;
;
.
.
.
.
;
;
/)
)%
/
&%
/
1
/
/
/
/
1
;
;
.
/
)%
/
/)
2
6
_0
2
_
0
7
_0
2
5
5
1
2
3
4
5
6
13
11
12
7
9
8
10
/
/)
1 Электронный блок управления
2 Датчик температуры
3 анод с наложением тока
4 Пульт дистанционного управления устройства быстро-
го нагрева (подключать можно любую фазу, без пере-
дачи мощности)
5 Контакт для подключения системы энергоснабжающе-
го предприятия (подключать можно любую фазу, без
передачи мощности)
6 Клемма подключения к сети
7 Переключатель мощности
8 Переключатель режимов работы
9 Перемычка ECO (энергосберегающий режим)
10 Перемычка управления рециркуляцией
11 Электронный блок регулирования
12 Предохранительный ограничитель температуры
13 Нагревательные элементы по 2 кВт, ~ 230 В
Содержание
- 3 слова; безопасности
- 4 устройства
- 5 управления; Индикация количества смешанной воды; Энергосберегающие настройки в; Указание
- 6 ECO Dynamic (при работе в одноконтурном режиме)
- 7 Другие возможные символы; настройки; Быстрая настройка с помощью кнопок; Двухконтурный режим
- 8 меню
- 9 Просмотр кода технического обслуживания; ограничений в меню; Ограничения в меню ВКЛ.; обслуживание
- 10 неисправностей; МОНТАЖ; работы; Водопроводная линия для холодной воды; Водопроводная линия для горячей воды
- 11 поставки; мероприятия; монтажа
- 12 Подключение воды
- 13 Завершение монтажа; Ввод в эксплуатацию; Первый ввод в эксплуатацию; Повторный ввод в эксплуатацию; Вывод из эксплуатации
- 14 Устранение неисправностей
- 15 ПРЕДУПРЕЖДЕНИЕ опасность поражения элек-; Предохранительный узел; Опорожнение прибора; ПРЕДУПРЕЖДЕНИЕ ожог; Покрытие для защиты от коррозии
- 16 Технические характеристики; Размеры и соединения; Глубина погружения предохранительного
- 17 Электрические схемы и соединения
- 18 Одноконтурный режим и режим бойлера
- 21 Диаграмма нагрева; Настройка заданной температуры 65 °C; Возможные неисправности
- 22 Таблица параметров; Гарантия













