Водонагреватели Neva Lux 6014 сж газ - инструкция пользователя по применению, эксплуатации и установке на русском языке. Мы надеемся, она поможет вам решить возникшие у вас вопросы при эксплуатации техники.
Если остались вопросы, задайте их в комментариях после инструкции.
"Загружаем инструкцию", означает, что нужно подождать пока файл загрузится и можно будет его читать онлайн. Некоторые инструкции очень большие и время их появления зависит от вашей скорости интернета.

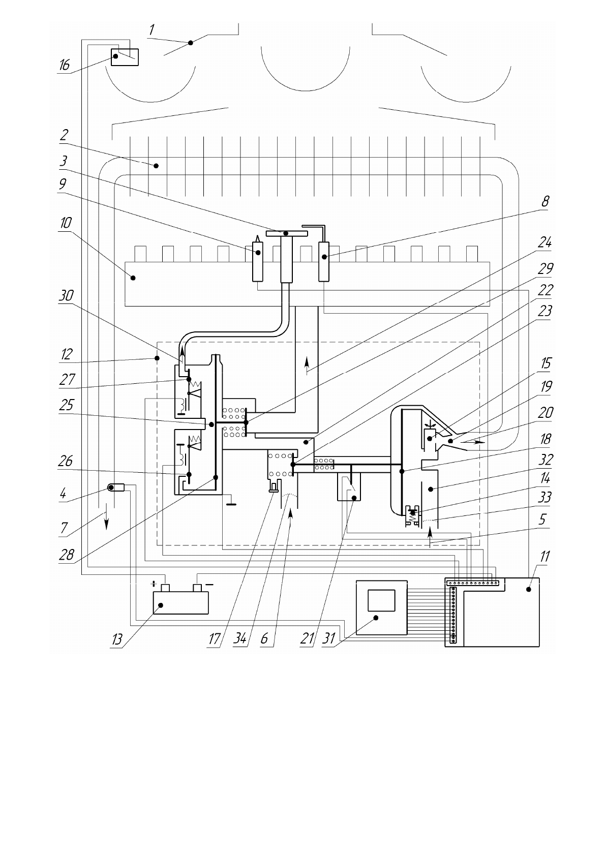
1 –
газоотводящее
устройство
; 2 –
теплообменник
; 3 –
горелка
запальная
; 4 –
датчик
температуры
воды
;
5 –
подвод
холодной
воды
; 6 –
подвод
газа
; 7 –
отвод
горячей
воды
; 8 –
датчик
наличия
пламени
;
9 –
свеча
; 10 –
горелка
основная
; 11 –
блок
управления
электронный
; 12 –
узел
водогазовый
; 13 –
отсек
батарейный
;
14 –
пробка
для
слива
воды
; 15 –
кран
расхода
воды
; 16 –
термореле
(
датчик
тяги
);
17 –
штуцер
для
измерения
входного
давления
газа
; 18 –
мембрана
узла
водяного
; 19 –
штуцер
Вентури
;
20 –
выход
холодной
воды
на
теплообменник
; 21 –
микровыключатель
(
датчик
протока
воды
); 22 –
узел
газовый
;
23 –
клапан
газовый
,
управляемый
узлом
водяным
; 24 –
выход
газа
на
горелку
основную
; 25 –
блок
клапанов
;
26 –
электромагнитный
сервоклапан
(
нормально
открытый
);
27 –
клапан
электромагнитный
горелки
запальной
(
нормально
закрытый
); 28 –
мембрана
блока
клапанов
;
29 –
двухступенчатый
клапан
газовый
горелки
основной
; 30 –
выход
газа
на
горелку
запальную
;
31 –
плата
дисплея
температуры
воды
; 32 –
узел
водяной
; 33 –
фильтр
водяной
; 34 –
фильтр
газовый
.
Рисунок
3.
Функциональная
схема
аппарата
8













