Водонагреватели Kospel SW-140 - инструкция пользователя по применению, эксплуатации и установке на русском языке. Мы надеемся, она поможет вам решить возникшие у вас вопросы при эксплуатации техники.
Если остались вопросы, задайте их в комментариях после инструкции.
"Загружаем инструкцию", означает, что нужно подождать пока файл загрузится и можно будет его читать онлайн. Некоторые инструкции очень большие и время их появления зависит от вашей скорости интернета.

3/'()5*%/958BI
18
17
10
11
13
14
16
15
G3/4
ZW
PG1
G3/4
6
G3/4
G1/2
ZG1
C
CW
ø500
G3/4
G3/4
1
1
1
214
C
E
G
H
1610
1464
1291
E
903
813
G3/4
G1
G1/2
G3/4
G1
G1
G1
G3/4
G1/2
ø595
CW
ZG2
C
6
PG2
ZG1
6
PG1
ZW
127
B
21
20
16
15
13
14
12
10
11
17
18
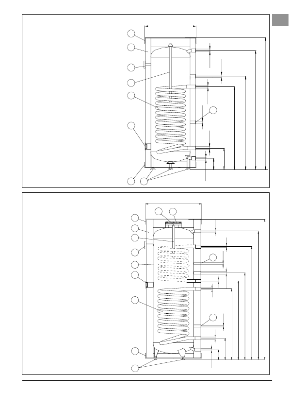
%XGRZDZ\PLHQQLNyZ6:O
%XGRZDZ\PLHQQLNyZ6%6%=6:6:=O
>@ UXUNDF]XMQLND
>@ NUyFLHF JU]DáNL HOHNWU\F]QHM
NRUHNò
>@ ZĊĪRZQLFDJU]HMQD
>@ DQRGDPDJQH]RZD
>@ WHUPRPHWU
>@ L]RODFMDWHUPLF]QD
>@ SRNU\ZDJyUQD
>@ SRNU\ZDGROQD
>@ VWRSNL
=: ]LPQDZRGD
&: FLHSáDZRGD
& F\UNXODFMD
=* ]DVLODQLHF]\QQLNLHPJU]HZF]\P
3* SRZUyWF]\QQLNDJU]HZF]HJR
$+ Z\PLDU\ RNUHĞORQH Z WDEHOL
'DQHWHFKQLF]QH
>@ UXUNDF]XMQLND
>@ NUyFLHFJU]DáNLHOHNWU\F]QHMNRUHN
ò
>@ ZĊĪRZQLFDJU]HMQDGROQD
>@ ZĊĪRZQLFDJU]HMQDJyUQD
>@ DQRGDPDJQH]RZD
>@ WHUPRPHWU
>@ L]RODFMDWHUPLF]QD
>@ SRNU\ZDJyUQD
>@ SRNU\ZDGROQD
>@ VWRSNL
>@ RWZyUUHZL]\MQ\¡
>@ SRNU\ZDRWZRUXUHZL]\MQHJR
=: ]LPQDZRGD
&: FLHSáDZRGD
& F\UNXODFMD
=*=*]DVLODQLHF]\QQLNLHPJU]HZF]\P
3*3*SRZUyWF]\QQLNDJU]HZF]HJR
%( Z\PLDU\RNUHĞORQHZWDEHOLÄ'DQH
WHFKQLF]QH´
*yUQDZĊĪRZQLFDSU]\áąF]D=*3*
RUD] JyUQD UXUND F]XMQLND Z\VWĊSXMą
W\ONRZPRGHODFK6%L6%=
3/

