Водонагреватели Kospel SW-140 - инструкция пользователя по применению, эксплуатации и установке на русском языке. Мы надеемся, она поможет вам решить возникшие у вас вопросы при эксплуатации техники.
Если остались вопросы, задайте их в комментариях после инструкции.
"Загружаем инструкцию", означает, что нужно подождать пока файл загрузится и можно будет его читать онлайн. Некоторые инструкции очень большие и время их появления зависит от вашей скорости интернета.

3/'()5*%/958BI
18
17
10
11
13
14
16
15
G3/4
ZW
PG1
G3/4
6
G3/4
G1/2
ZG1
C
CW
ø500
G3/4
G3/4
1
1
1
214
C
E
G
H
1610
1464
1291
E
903
813
G3/4
G1
G1/2
G3/4
G1
G1
G1
G3/4
G1/2
ø595
CW
ZG2
C
6
PG2
ZG1
6
PG1
ZW
127
B
21
20
16
15
13
14
12
10
11
17
18
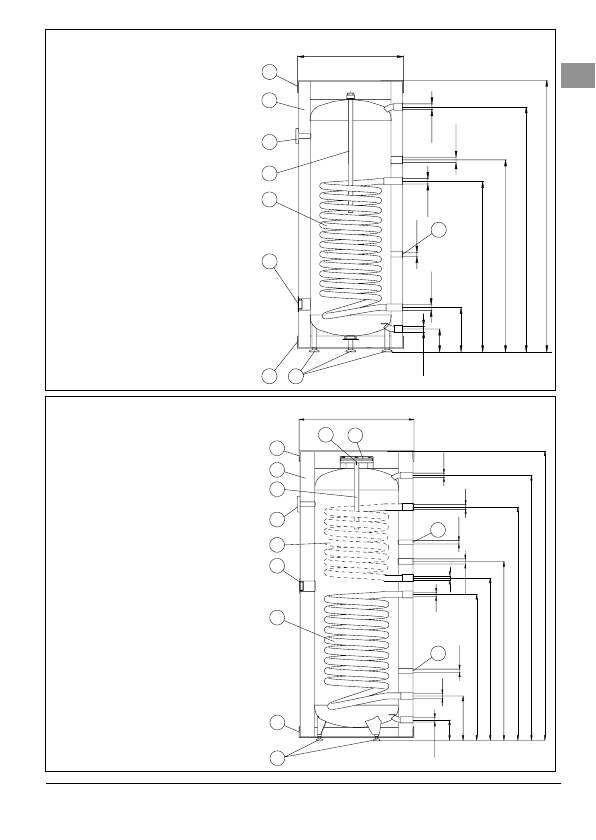
$XIEDXGHU6WDQGVSHLFKHU6:O
$XIEDXGHU6SHLFKHU6%6%=6:6:=O
>@ )KOHUURKU
>@ +HL]SDWURQHQVWXW]HQ.RUNHQò
>@ +HL]UHJLVWHU
>@ 0DJQHVLXPDQRGH
>@ 7KHUPRPHWHU
>@ 7KHUPLVFKH,VROLHUXQJ
>@ REHUHU'HFNHO
>@ XQWHUHU'HFNHO
>@ 6WHOOIVVH
=: .DOWZDVVHU
&: :DUPZDVVHU
& =LUNXODWLRQ
=* 9HUVRUJXQJDQKDQG:lUPHWUlJHUV
3* 5FNODXIGHV:lUPHWUlJHUV
$+ $EPHVVXQJHQ VLQG LQ GHU 7DEHOOH
Ä
7HFKQLVFKH'DWHQ´
>@ )KOHUURKU
>@ +HL]SDWURQHQVWXW]HQ.RUNHQò
>@ XQWHUHV+HL]UHJLVWHU
>@ REHUHV+HL]UHJLVWHU
>@ 0DJQHVLXPDQRGH
>@ 7KHUPRPHWHU
>@ 7KHUPLVFKH,VROLHUXQJ
>@ REHUHU'HFNHO
>@ XQWHUHU'HFNHO
>@ 6WHOOIVVH
>@ 5HYLVLRQV|IIQXQJ¡
>@ 'HFNHOGHU5HYLVLRQV|IIQXQJ
=: .DOWZDVVHU
&: :DUPZDVVHU
& =LUNXODWLRQ
=*=*9HUVRUJXQJDQKDQG:lUPHWUlJHUV
3*3* 5FNODXIGHV:lUPHWUlJHUV
%( $EPHVVXQJHQ VLQG LQ GHU 7DEHOOH
Ä
7HFKQLVFKH'DWHQ´
'DVREHUH5HJLVWHU6WXW]HQ=*3*
XQGGDVREHUH)KOHUURKUNRPPHQQXU
LQGHQ0RGHOOHQ6%XQG6%=YRU
'(

