Водонагреватели Kospel SW-140 - инструкция пользователя по применению, эксплуатации и установке на русском языке. Мы надеемся, она поможет вам решить возникшие у вас вопросы при эксплуатации техники.
Если остались вопросы, задайте их в комментариях после инструкции.
"Загружаем инструкцию", означает, что нужно подождать пока файл загрузится и можно будет его читать онлайн. Некоторые инструкции очень большие и время их появления зависит от вашей скорости интернета.

3/'()5*%/958BI
18
17
10
11
13
14
16
15
G3/4
ZW
PG1
G3/4
6
G3/4
G1/2
ZG1
C
CW
ø500
G3/4
G3/4
1
1
1
214
C
E
G
H
1610
1464
1291
E
903
813
G3/4
G1
G1/2
G3/4
G1
G1
G1
G3/4
G1/2
ø595
CW
ZG2
C
6
PG2
ZG1
6
PG1
ZW
127
B
21
20
16
15
13
14
12
10
11
17
18
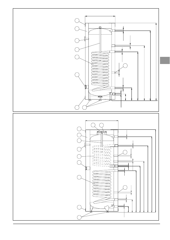
Ʉɨɧɫɬɪɭɤɰɢɹɬɟɩɥɨɨɛɦɟɧɧɢɤɨɜ6:
Ʉɨɧɫɬɪɭɤɰɢɹɬɟɩɥɨɨɛɦɟɧɧɢɤɨɜ6%6%=6:6:=
>@ ɝɢɥɶɡɚɞɚɬɱɢɤɚ
>@ ɩɚɬɪɭɛɨɤɌɗɇɚɩɪɨɛɤɚò´
>@ ɡɦɟɟɜɢɤ
>@ ɦɚɝɧɢɟɜɵɣɚɧɨɞ
>@ ɬɟɪɦɨɦɟɬɪ
>@ ɬɟɪɦɢɱɟɫɤɚɹɢɡɨɥɹɰɢɹ
>@ ɜɟɪɯɧɢɣɤɨɠɭɯ
>@ ɧɢɠɧɢɣɤɨɠɭɯ
>@ ɧɨɝɢ
=: ɯɨɥɨɞɧɚɹɜɨɞɚ
&: ɝɨɪɹɱɚɹɜɨɞɚ
& ɰɢɪɤɭɥɹɰɢɹ
=*=*ɩɨɞɚɱɚɬɟɩɥɨɧɨɫɢɬɟɥɹ
3*3*ɜɨɡɜɪɚɬɬɟɩɥɨɧɨɫɢɬɟɥɹ
$+ ɪɚɡɦɟɪɵ ɭɤɚɡɚɧɧɵɟ ɜ ɬɚɛɥɢɰɟ
ÄɌɟɯɧɢɱɟɫɤɢɟɞɚɧɧɵɟ´
>@ ɝɢɥɶɡɚɞɚɬɱɢɤɚ
>@ ɩɚɬɪɭɛɨɤɌɗɇɚɩɪɨɛɤɚò´
>@ ɧɢɠɧɢɣɡɦɟɟɜɢɤ
>@ ɜɟɪɯɧɢɣɡɦɟɟɜɢɤ
>@ ɦɚɝɧɢɟɜɵɣɚɧɨɞ
>@ ɬɟɪɦɨɦɟɬɪ
>@ ɬɟɪɦɢɱɟɫɤɚɹɢɡɨɥɹɰɢɹ
>@ ɜɟɪɯɧɢɣɤɨɠɭɯ
>@ ɧɢɠɧɢɣɤɨɠɭɯ
>@ ɧɨɝɢ
>@ ɨɬɜɟɪɫɬɢɟɨɱɢɫɬɤɢ¡
>@ ɤɪɵɲɤɚɨɬɜɟɪɫɬɢɹɨɱɢɫɬɤɢ
=: ɯɨɥɨɞɧɚɹɜɨɞɚ
&: ɝɨɪɹɱɚɹɜɨɞɚ
& ɰɢɪɤɭɥɹɰɢɹ
=*=*ɩɨɞɚɱɚɬɟɩɥɨɧɨɫɢɬɟɥɹ
3*3*ɜɨɡɜɪɚɬɬɟɩɥɨɧɨɫɢɬɟɥɹ
%( ɪɚɡɦɟɪɵɭɤɚɡɚɧɧɵɟɜɬɚɛɥɢɰɟ
ÄɌɟɯɧɢɱɟɫɤɢɟɞɚɧɧɵɟ´
ȼɟɪɯɧɢɣ ɡɦɟɟɜɢɤ ɩɚɬɪɭɛɤɢ =*
3*ɢɜɟɪɯɧɹɹɝɢɥɶɡɚɞɚɬɱɢɤɚɟɫɬɶ
ɬɨɥɶɤɨɜɦɨɞɟɥɹɯ6%ɢ6%=
58

