Видеомагнитофоны Panasonic AJ-D455E - инструкция пользователя по применению, эксплуатации и установке на русском языке. Мы надеемся, она поможет вам решить возникшие у вас вопросы при эксплуатации техники.
Если остались вопросы, задайте их в комментариях после инструкции.
"Загружаем инструкцию", означает, что нужно подождать пока файл загрузится и можно будет его читать онлайн. Некоторые инструкции очень большие и время их появления зависит от вашей скорости интернета.

7
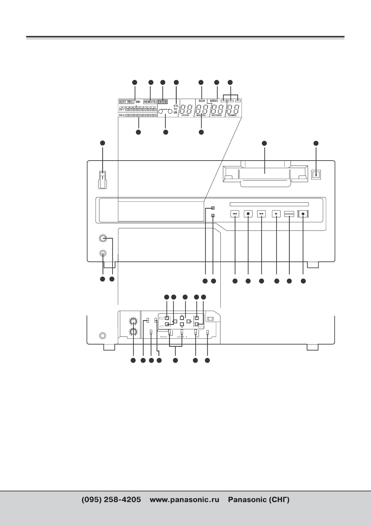
Передняя панель
Секция индикации счетчика
Средства управления и их функции
ON
OFF
POWER
EJECT
REC
PLAY
DVCPRO
DV
FF
STOP
REW
CTL/TC/UB/
REMAIN
RESET
CH CONDITION
LEVEL
HEADPHONES
CH 1
AUDIO
REC LEVEL
ON
OFF
CH 1
MIX
CH 2
AUDIO
MONITOR
SUPER
DVCPRO/DV
SDI
ANALOG
Y PB PR
CMPST
S-VIDEO
SDI
AES/EBU
ANALOG
REMOTE
LOCAL
MENU
PAGE
TC
PRESET
FILE
SET
DIAG
VIDEO IN
AUDIO IN
CH 2
INT
EXT
TC
24
25 26 27
33
28
22
23
1
11
4
5
6
7
8
9
10
12
13
2
3
29
30
31 32
14 15
16
17
18
19
20
21
34
35
7
Содержание
- 3 Это устройство должно быть заземлено; Особенности эксплуатации; ВНИМАНИЕ
- 5 Основные сведения и функции; Функции и характеристики:
- 6 Многофункциональные интерфейсы ввода/вывода; Аналоговый ввод/вывод; Имеются входные и выходные разъемы компонентного (Y, P; Цифровой аудиовход/выход; Входные и выходные разъемы AES/ЕСВ аудио BNC сигналов.; Последовательный цифровой ввод/вывод; Имеются входной и выходной разъем дорожки режиссерского канала.; Задание режимов работы с помощью меню
- 11 Переключает входные видеосигналы.; Переключатель AUDIO INPUT; Переключает входные аудиосигналы.; Переключатель REMOTE/LOCAL
- 14 Разъем MONITOR OUT; чаям использования кассет DV или DVCAM.; Разъемы ANALOG AUDIO OUT; Разъемы ввода аналоговых аудиосигналов СН1 и СН2.
- 15 Кассеты и пленки
- 17 Смена файла; , чтобы переключиться; Пользовательский файл; Каждый пользовательский файл содержит следующие элементы:
- 18 Включение и отмена режима блокировки LOCK; Для включения блокировки:; 03 DISPLAY SEL T&STA; Меню установок
- 19 Загрузка пользовательских файлов
- 20 Сохранение пользовательского файла
- 39 Временной код/биты пользователя; Временной код
- 40 Примечание; Запись внутренних/внешних временных кодов
- 41 Восстановление временного кода/ битов пользователя; T R
- 42 Используемые символы; Экран наложения; STOP; TCR; TCR
- 43 Опорный сигнал системы автоматического регулирования; Ïîäàåòñÿ ëè ñèãíàë REF VIDEO?
- 44 Монтаж в стойку; Температура внутри стойки должна быть от 5 до 40; Монтажные адаптеры
- 45 Не заграждайте вентиляционные отверстия.; Чистка видеоголовок; Установка пылезащитного механизма; Конденсация; Механизм защиты от пыли
- 46 Сообщения об ошибках; Меню DIAG; Отображение меню DIAG
- 49 REMOTE; Сигналы на разъемах
- 51 Печатная плата
- 52 ВИДЕО; Питание; ЗВУК; Технические характеристики












