Видеомагнитофоны Panasonic AJ-D455E - инструкция пользователя по применению, эксплуатации и установке на русском языке. Мы надеемся, она поможет вам решить возникшие у вас вопросы при эксплуатации техники.
Если остались вопросы, задайте их в комментариях после инструкции.
"Загружаем инструкцию", означает, что нужно подождать пока файл загрузится и можно будет его читать онлайн. Некоторые инструкции очень большие и время их появления зависит от вашей скорости интернета.

12
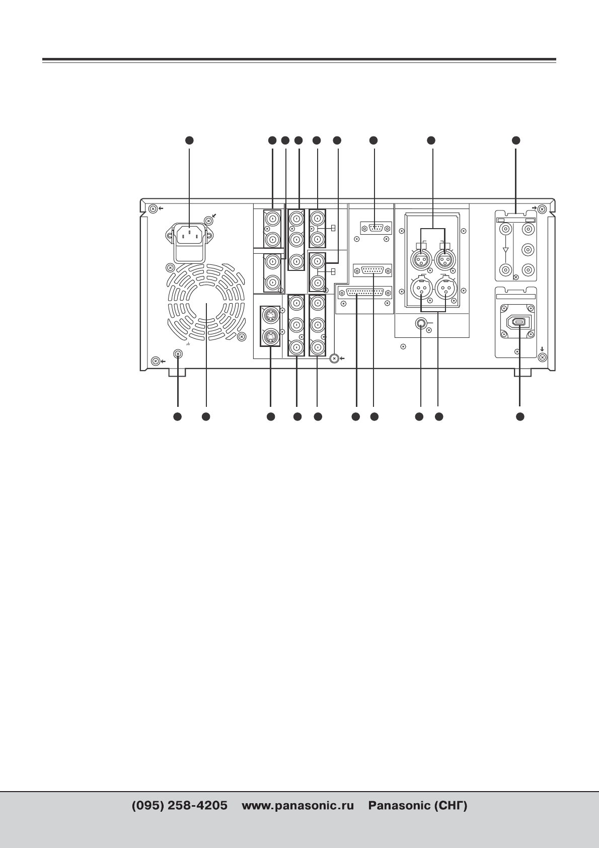
Разъемы
DIGITAL
DIGITAL
IN
OUT
REMOTE
VIDEO
IN
VIDEO
OUT
REF VIDEO
IN
RS-232C
ENCODER REMOTE
ANALOG
REMOTE
ANALOG
TIME CODE
AES/EBU
AUDIO
MONITOR
OPTION 1
OPTION 2
DVCPRO/DV
(VJH1193)
ON
OFF
75
Ω
ON
OFF
75
Ω
1
Y
Y
S1-VIDEO
IN
S1-VIDEO
OUT
P
B
P
B
P
R
P
R
2
3
(SUPER)
IN
OUT
IN
OUT
~AC IN
SIGNAL
GND
AUDIO
IN
AUDIO
OUT
CH2
CH1
CH2
CH1
SERIAL IN
SERIAL OUT
1
2
3
14
15
16
17
18
19
1
11
4
5
6
7
8
9
10
12
13
2
3
Средства управления и их функции
12
Содержание
- 3 Это устройство должно быть заземлено; Особенности эксплуатации; ВНИМАНИЕ
- 5 Основные сведения и функции; Функции и характеристики:
- 6 Многофункциональные интерфейсы ввода/вывода; Аналоговый ввод/вывод; Имеются входные и выходные разъемы компонентного (Y, P; Цифровой аудиовход/выход; Входные и выходные разъемы AES/ЕСВ аудио BNC сигналов.; Последовательный цифровой ввод/вывод; Имеются входной и выходной разъем дорожки режиссерского канала.; Задание режимов работы с помощью меню
- 11 Переключает входные видеосигналы.; Переключатель AUDIO INPUT; Переключает входные аудиосигналы.; Переключатель REMOTE/LOCAL
- 14 Разъем MONITOR OUT; чаям использования кассет DV или DVCAM.; Разъемы ANALOG AUDIO OUT; Разъемы ввода аналоговых аудиосигналов СН1 и СН2.
- 15 Кассеты и пленки
- 17 Смена файла; , чтобы переключиться; Пользовательский файл; Каждый пользовательский файл содержит следующие элементы:
- 18 Включение и отмена режима блокировки LOCK; Для включения блокировки:; 03 DISPLAY SEL T&STA; Меню установок
- 19 Загрузка пользовательских файлов
- 20 Сохранение пользовательского файла
- 39 Временной код/биты пользователя; Временной код
- 40 Примечание; Запись внутренних/внешних временных кодов
- 41 Восстановление временного кода/ битов пользователя; T R
- 42 Используемые символы; Экран наложения; STOP; TCR; TCR
- 43 Опорный сигнал системы автоматического регулирования; Ïîäàåòñÿ ëè ñèãíàë REF VIDEO?
- 44 Монтаж в стойку; Температура внутри стойки должна быть от 5 до 40; Монтажные адаптеры
- 45 Не заграждайте вентиляционные отверстия.; Чистка видеоголовок; Установка пылезащитного механизма; Конденсация; Механизм защиты от пыли
- 46 Сообщения об ошибках; Меню DIAG; Отображение меню DIAG
- 49 REMOTE; Сигналы на разъемах
- 51 Печатная плата
- 52 ВИДЕО; Питание; ЗВУК; Технические характеристики












