Усилители Yamaha RX-V350 - инструкция пользователя по применению, эксплуатации и установке на русском языке. Мы надеемся, она поможет вам решить возникшие у вас вопросы при эксплуатации техники.
Если остались вопросы, задайте их в комментариях после инструкции.
"Загружаем инструкцию", означает, что нужно подождать пока файл загрузится и можно будет его читать онлайн. Некоторые инструкции очень большие и время их появления зависит от вашей скорости интернета.

10
DIGITAL
INPUT
6CH INPUT
TUNER
AUDIO
OUTPUT
AUDIO
VIDEO
L
DVD
R
L
R
FRONT
SURROUND
SUB
WOOFER
CENTER
CD
DTV
/CBL
COAXIAL
OPTICAL
CD
IN
(PLAY)
MD
/CD-R
OUT
(REC)
DTV
/CBL
AM
ANT
FM
ANT
GND
75
Ω
UNBAL.
V-AUX
IN
VCR
OUT
SUB
WOOFER
MONITOR
OUT
DVD
3
2
1
VIDEO
INPUT
AUDIO
OUTPUT
L
R
AUDIO
INPUT
L
R
O
OPTICAL
OUTPUT
VIDEO
OUTPUT
AUDIO
OUTPUT
L
V
R
V
V
AUDIO
OUTPUT
L
R
VIDEO
OUTPUT
V
O
OPTICAL
OUTPUT
AUDIO
OUTPUT
L
R
VIDEO
OUTPUT
V
V
VIDEO
INPUT
VIDEO
OUTPUT
O
L
R
V
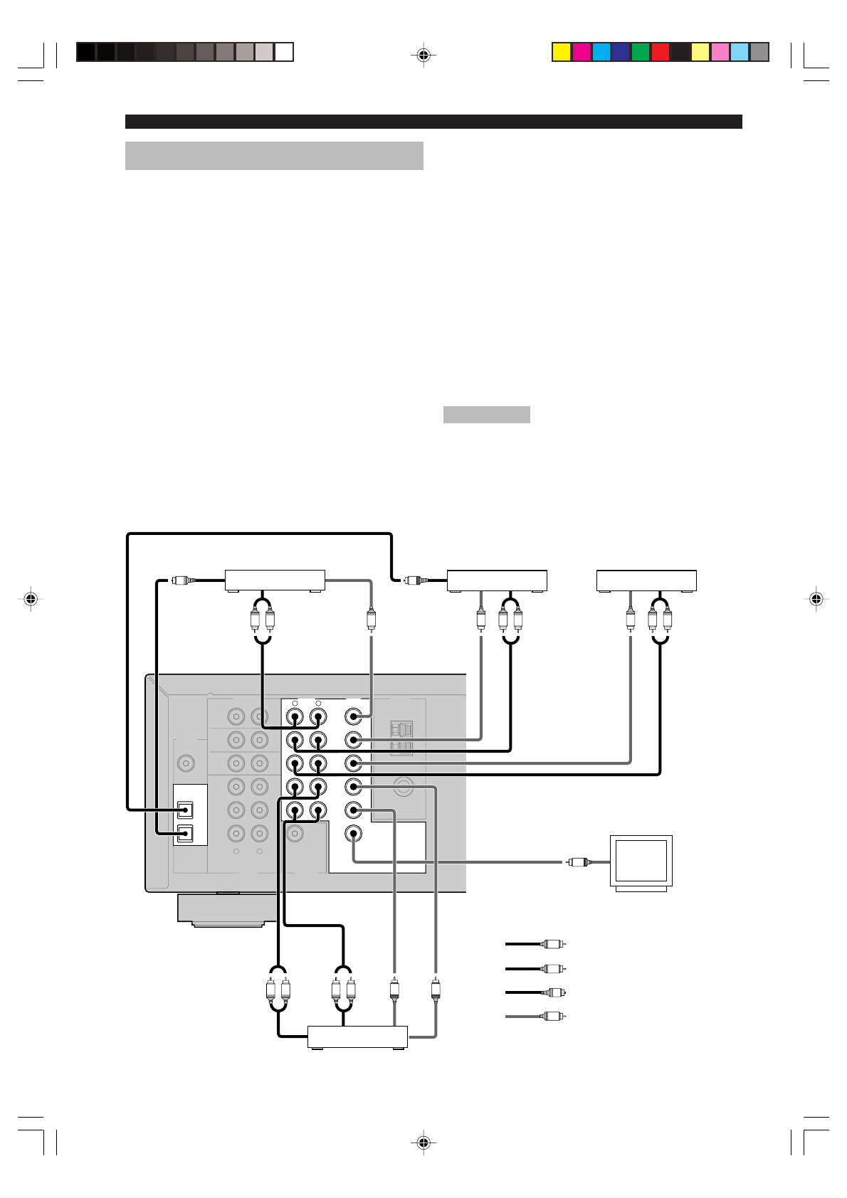
Подключение видеокомпонентов
■
Подключение видеоэкрана
Подключите видеовходное гнездо видеоэкрана
к гнезду MONITOR OUT VIDEO.
■
Подключение DVD-проигрывателя/цифрового
телевидения/кабельного телевидения
Подключите оптическое выходное гнездо цифрового
аудиосигнала компонента к гнезду DIGITAL INPUT и
подключите выходное гнездо видеосигнала
компонента к гнезду VIDEO данного аппарата.
y
•
Для видеокомпонента без оптического выходного
гнезда цифрового сигнала, используйте гнезда
AUDIO данного аппарата. Однако, при приеме
аудиосигналов, поступающих в гнезда AUDIO,
многоканальное воспроизведение невозможно.
■
Подключение цифрового
телевидения/кабельного телевидения
Подключите видеовыходное гнездо компонента
к гнезду VIDEO данного аппарата.
Подключите аудиовыходные гнезда компонента
к гнездам AUDIO данного аппарата.
■
Подключение дополнительного
видеокомпонента
Подключите видеовыходное гнездо компонента
к гнезду VIDEO данного аппарата.
Подключите аудиовыходные гнезда компонента
к гнездам AUDIO данного аппарата.
■
Подключение компонента записи
Подключите аудиовходные гнезда
видеокомпонента к гнездам AUDIO OUT данного
аппарата. Затем подключите видеовходное
гнездо видеокомпонента к гнезду VIDEO OUT
данного аппарата для записи видео картинки.
Подключите аудиовыходные гнезда компонента к
гнездам AUDIO IN данного аппарата. Затем подключите
видеовыходное гнездо компонента к гнезду VIDEO IN
данного аппарата для воспроизведения источника на
записывающем компоненте.
Примечание
•
Если вы подключили записывающий компонент к
данному аппарату, не отключайте питание
записывающего компонента во время
использования данного аппарата. При отключении
питания, данный аппарат может искажать звуковые
сигналы, поступающие от других компонентов.
обозначает правые аналоговые
кабели
обозначает левые аналоговые
кабели
Видеоэкран
DVD–проигрыватель
Телевизор/цифровое
телевидение/кабельное
телевидение
ПОДКЛЮЧЕНИЯ
Дополнительный
видеокомпонент
обозначает оптические кабели
обозначает видеокабели
Видеомагнитофон
RX-V350_WD06070_RU.p65 1/19/04, 8:24 PM
10
Содержание
- 2 ПРЕДУПРЕЖДЕНИЕ
- 3 СОДЕРЖАНИЕ; ДОПОЛНИТЕЛЬНАЯ ИНФОРМАЦИЯ
- 4 ОСОБЕННОСТИ; Звуковое поле; О данной инструкции
- 5 ВВЕДЕНИЕ; Установка батареек в пульт; Вставьте крышку обратно.; Примечания по батарейкам; ПОДГОТОВКА К ЭКСПЛУАТАЦИИ; Поставляемые аксессуары
- 6 СИСТЕМЫ УПРАВЛЕНИЯ И ФУНКЦИИ; Фронтальная панель; Примечание; Сенсор пульта ДУ; Прием сигналов от пульта ДУ.; Дисплей фронтальной панели; Запоминание радиостанции.; p a
- 7 Выбор программ звуковых полей.
- 8 Пульт дистанционного управления; Устанавливает таймер сна.
- 9 Использование пульта ДУ; Уберегайте пульт ДУ от падения.; NIGHT; Увеличивает или уменьшает уровень звучания.; SET MENU; Выбирает режим меню установки.
- 11 ПОДКЛЮЧЕНИЯ; Перед подключением; ПРЕДОСТЕРЕЖЕНИЕ
- 12 Подключение видеокомпонентов; Подключение видеоэкрана
- 13 Подключение; Подключение CD-проигрывателя
- 14 Подключение рамочной АМ антенны; Примечания; Подключение антенн
- 15 Подключение внешнего
- 16 Подключение колонок; Размещение колонок; Сабвуфер
- 17 Подключения колонок; Подключение к терминалам FRONT A SPEAKERS; Нажмите и откройте защелку.
- 18 Терминалы FRONT SPEAKERS
- 19 Подключения кабелей; Включение питания
- 20 • Убедитесь, что наушники отключены от; ОСНОВНЫЕ СИСТЕМНЫЕ НАСТРОЙКИ; Выход
- 21 SET; YES
- 22 для переключения; При выборе SET в пункте; SP LEVEL; Дисплей; Колонка
- 23 ВОСПРОИЗВЕДЕНИЕ; Повторно нажимая кнопку INPUT; DVD
- 24 Нажимая кнопку PROGRAM; Выбор 6CH INPUT
- 25 Режимы приема поступающих; AUTO
- 26 Повторно нажимая кнопку PROGRAM; Adventure
- 27 Выбор PRO LOGIC или PRO LOGIC II; Нажмите кнопку; PRO LOGIC
- 28 Нажав кнопку; in: Количество каналов источника поступающего; Virtual CINEMA DSP; Обычное стереофоническое воспроизведение
- 29 Понимание звуковых полей; Воспроизведение звукового поля; Программы HiFi DSP; Программа
- 30 CINEMA DSP; Звуковой дизайн CINEMA DSP; Программы CINEMA DSP
- 31 Для кинофильмов; Прямое декодирование
- 32 Эффекты звуковых полей; Эффект звукового поля Dolby Digital/DTS + DSP
- 33 НАСТРОЙКА; Нажмите кнопку PRESET/TUNING; Ручная настройка; Автоматическая настройка; Нажав кнопку INPUT
- 34 Опции автоматической предустановки; кнопку PRESET TUNING; Резервная копия памяти
- 35 Предустановка радиостанций вручную; Настройтесь на радиостанцию.
- 36 Нажав кнопку PRESET TUNING
- 37 Описание информации RDS; Смотрите следующую страницу.; Переключение режимов; ПРИЕМ РАДИОСТАНЦИЙ СИСТЕМЫ RDS
- 38 Функция PTY SEEK; Нажав кнопку PRESET/TUNING; • Аппарат прекращает поиск при; Дважды нажмите кнопку PTY SEEK MODE.; Функция EON; • При начале трансляции выбранного типа; Отмена данной функции
- 39 Установка таймера сна; ТАЙМЕР СНА; Отмена таймера сна; ROCK CONCERT
- 40 ЗАПИСЬ
- 41 Настройка параметров; Для выполнения настроек, используйте пульт ДУ.; МЕНЮ НАСТРОЙКИ; Список меню настройки; BASIC MENU
- 42 SOUND 1 SPEAKER SET
- 44 SOUND 3 LFE LEVEL; Исходная установка: 0 дБ; SOUND 2 SP DISTANCE; Настройка в метрах, “meters”
- 45 SOUND 5 CENTER GEQ; SOUND 6 HP TONE CTRL; на фронтальной; INPUT 2 INPUT MODE
- 46 OPTION 1 DISPLAY SET; DIMMER; Диапазон настройки: –4 –; OFF; OPTION 3 AUDIO MUTE; Полное приглушение звучания.
- 47 Использование тестового; Повторно нажимая кнопку; НАСТРОЙКА УРОВНЕЙ ГРОМКОСТИ КОЛОНОК; Регулировка уровней
- 48 РЕДАКТИРОВАНИЕ ПАРАМЕТРОВ ЗВУКОВОГО ПОЛЯ; Изменение настроек; Нажимайте кнопку
- 49 Описание параметров звукового поля; Диапазон настройки: 1 – 99 мсек
- 50 ВОЗМОЖНЫЕ НЕИСПРАВНОСТИ И СПОСОБЫ ИХ УСТРАНЕНИЯ; Общая часть; Неисправность
- 51 Способ устранения; Смотрите
- 52 Тюнер
- 53 Сброс настроек в исходные; Reset
- 54 СПРАВОЧНИК
- 55 CAUTION: READ THIS BEFORE OPERATING YOUR UNIT.; WARNING; IMPORTANT; SILENT CINEMA; ДОПОЛНИТЕЛЬНАЯ
- 56 ТЕХНИЧЕСКИЕ ХАРАКТЕРИСТИКИ; РАЗДЕЛ FМ; OWNER’S MANUAL



