Сварочное оборудование Сварог PRO TIG 300 P (W232) - инструкция пользователя по применению, эксплуатации и установке на русском языке. Мы надеемся, она поможет вам решить возникшие у вас вопросы при эксплуатации техники.
Если остались вопросы, задайте их в комментариях после инструкции.
"Загружаем инструкцию", означает, что нужно подождать пока файл загрузится и можно будет его читать онлайн. Некоторые инструкции очень большие и время их появления зависит от вашей скорости интернета.

22
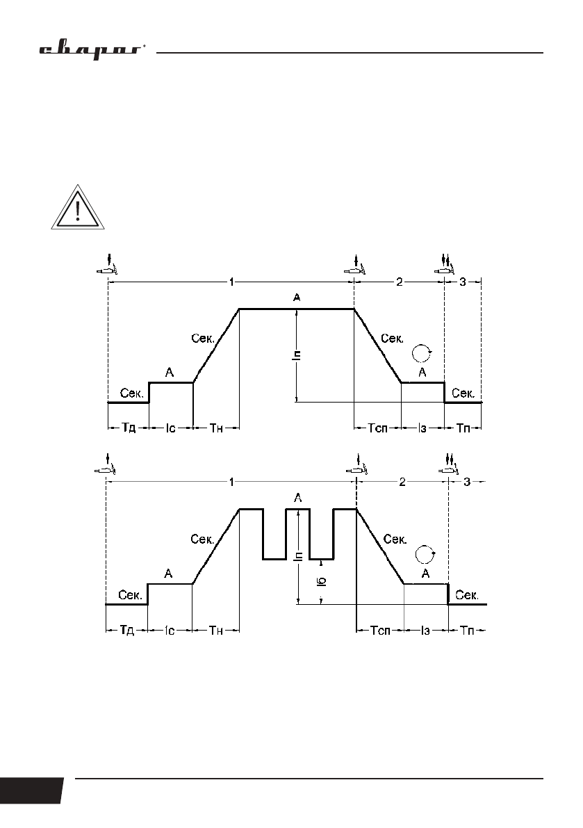
4-й такт:
• Отпустите кнопку сварочной горелки.
• Начнется отсчет установленного времени продува газа после сварки.
Режим «Повтор»
рекомендуется использовать при сварке материалов разной толщины
или выполнении сложных задач с разным зазором и разделкой кромок (См. рис. 7.8).
В режиме повтора цикл сварки можно повторять неограниченное количе-
ство раз. Сварочная дуга будет гореть между установленным током завер-
шения и основным током.
Рис. 7.8. Режим работы аппарата «Повтор» и «Повтор» в импульсном режиме.
1-й такт:
• Нажмите и удерживайте кнопку сварочной горелки.
• Начнется отсчет установленного времени продува газа до сварки.
• Сработает ВЧ поджиг, возникнет основная дуга.
• Установленный стартовый ток за установленное время нарастания достигнет значения
основного тока сварки.
Содержание
- 4 Памятка перед началом работы для ММА сварки
- 5 пользованием оборудования.; ОБРАТИТЬ ВНИМАНИЕ! Особенности, требующие повышенного внимания; в соответствии с принципами безопасности и надежности.; ДЕКЛАРАЦИЯ СООТВЕТСТВИЯ; ТР ТС 010/2011 «О безопасности машин и оборудования».
- 7 необходимого качества.; Параметры для TIG сварки:
- 8 подзарядки батарей или аккумуляторов, запуска двигателей.; МЕРЫ БЕЗОПАСНОСТИ ПРИ ПРОВЕДЕНИИ СВАРОЧНЫХ РАБОТ
- 9 МЕРЫ БЕЗОПАСНОСТИ ПРИ РАБОТЕ С ГАЗОВЫМИ БАЛЛОНАМИ
- 11 ВНИМАНИЕ! Несмотря на защиту корпуса аппарата от попадания влаги,
- 12 ТЕХНИЧЕСКИЕ ХАРАКТЕРИСТИКИ
- 13 На рисунке 6.1 показан вид аппарата спереди и сзади.
- 14 ОПИСАНИЕ ФУНКЦИОНИРОВАНИЯ; На рисунке 7.1 показана передняя панель источника питания.
- 18 Описание
- 21 рекомендуется использовать при длине сварочных швов
- 22 основного тока сварки.
- 27 ем не входят в стандартную комплектацию.
- 31 ДЛЯ TIG СВАРКИ
- 32 ОБЩИЕ РЕКОМЕНДАЦИИ ДЛЯ TIG СВАРКИ
- 34 РАСХОДНЫЕ МАТЕРИАЛЫ ДЛЯ СВАРОЧНЫХ ГОРЕЛОК; чения шва необходимого качества.; В таблице представлены наиболее часто используемые позиции
- 37 мм
- 39 СПОСОБЫ ПОДЖИГА ДУГИ ПРИ TIG LIFT СВАРКЕ; касанием
- 41 ОСОБЕННОСТИ ПОЗИЦИОНИРОВАНИЯ СВАРОЧНОЙ ГОРЕЛКИ; При аргонодуговой сварке также следует не забывать про противо-
- 44 Сварка в импульсном режиме может быть как на переменном, так и на; зоны термического влияния на нержавеющей пластине толщиной 1 мм.
- 46 Данные рекомендации носят ознакомительный характер.; ЭЛЕКТРОДА И РЕЖИМОВ СВАРКИ; составу основного металла.
- 48 ПОДГОТОВКА АППАРАТА К РАБОТЕ ПРИ ММА СВАРКЕ; Электрододержатель не входит в стандартную комплектацию.
- 49 ПАМЯТКА ПЕРЕД НАЧАЛОМ РАБОТЫ ДЛЯ ММА СВАРКИ
- 50 ОБЩИЕ РЕКОМЕНДАЦИИ ДЛЯ ММА СВАРКИ; • касанием электрода впритык и отведением его вверх
- 53 дуги вплоть до частых кратковременных замыканий.
- 55 дована обратная полярность.; При сварке на постоянном токе также следует учитывать эффект; электромагнитного; электрододержателя и обратный кабель.; белей с целью уменьшения падения напряжения на кабелях.; пользования кабелей 3 – 5 метровой длины.
- 57 ВЫБОР ПОКРЫТОГО ЭЛЕКТРОДА И РЕЖИМОВ СВАРКИ; ла при сварке в нижнем положении показана в таблице 11.2.
- 59 Подготовка
- 68 ТЕХНИЧЕСКОЕ ОБСЛУЖИВАНИЕ; техническому обслуживанию.; Периодичность; Общие рекомендации
- 69 УСТРАНЕНИЕ НЕПОЛАДОК; ВНИМАНИЕ! Ремонт данного сварочного оборудования в случае его; Неисправность
- 70 Для TIG
- 71 Для MMA
- 74 правилами перевозок, действующими на каждом виде транспорта.; ВНИМАНИЕ! Перед использованием изделия ВНИМАТЕЛЬНО изучите
Характеристики
Остались вопросы?Не нашли свой ответ в руководстве или возникли другие проблемы? Задайте свой вопрос в форме ниже с подробным описанием вашей ситуации, чтобы другие люди и специалисты смогли дать на него ответ. Если вы знаете как решить проблему другого человека, пожалуйста, подскажите ему :)