Проигрыватели JVC HR-XVS20AG - инструкция пользователя по применению, эксплуатации и установке на русском языке. Мы надеемся, она поможет вам решить возникшие у вас вопросы при эксплуатации техники.
Если остались вопросы, задайте их в комментариях после инструкции.
"Загружаем инструкцию", означает, что нужно подождать пока файл загрузится и можно будет его читать онлайн. Некоторые инструкции очень большие и время их появления зависит от вашей скорости интернета.

Filename [XVS20AG_06Index.fm]
Masterpage:Left+
14
РУ
Page 14
April 24, 2003 3:14 pm
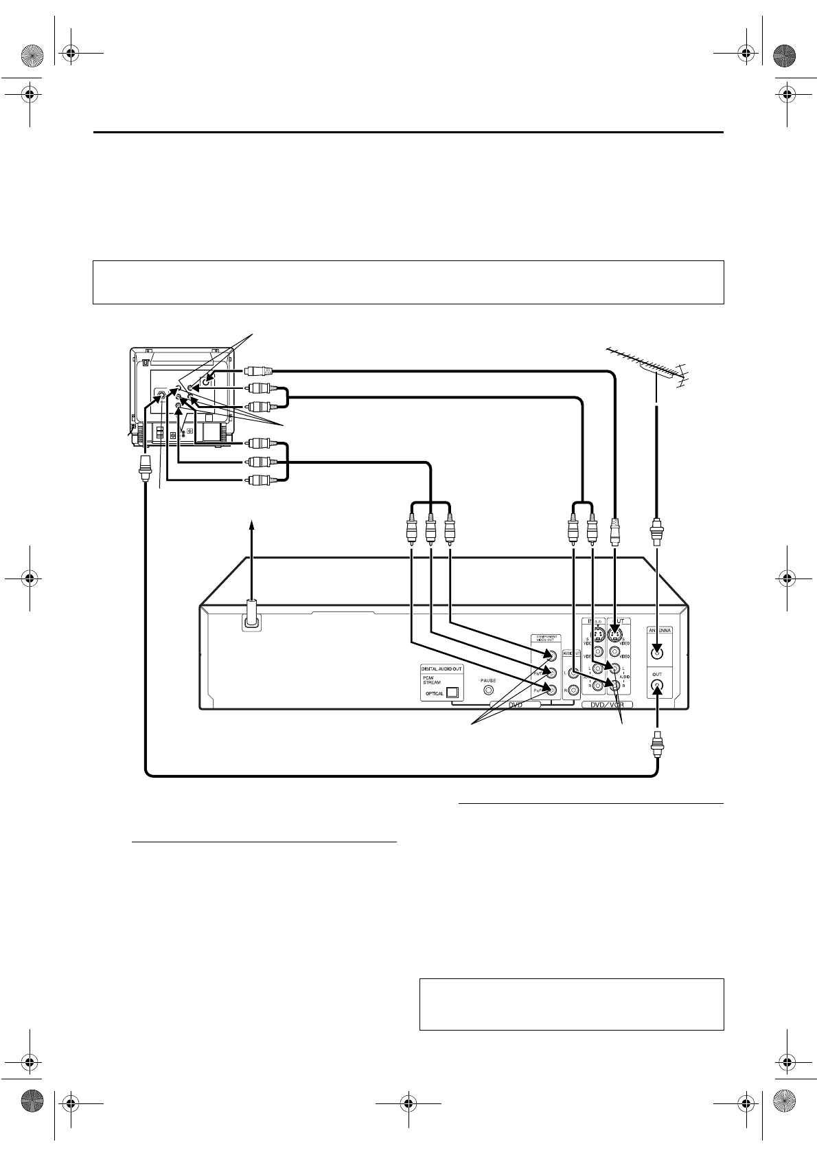
УСТАНОВКА ВАШЕГО НОВОГО АППАРАТА (продолжение)
Подключение компонентного видео
(только дека DVD)
8
Для подключения к ТВ, у которого есть
разъемы COMPONENT VIDEO IN . . .
A
Подключите аппарат к ТВ.
A
Подключите антенну, аппарат и ТВ, как указано в
разделе “Аудио/видео подключение” или
“Подключение S-VIDEO”. (
B
Подсоедините разъемы аппарата COMPONENT
VIDEO OUT к разъемам телевизора COMPONENT
VIDEO IN.
C
Подсоедините разъемы аппарата AUDIO OUT к
разъемам телевизора AUDIO IN .
B
Подключите аппарат к сети.
Вставьте конец сетевого шнура в штепсельную розетку.
ПРИМЕЧАНИЯ:
●
Вы можете получить высококачественные изображения
компонентного видео.
●
Если Ваш телевизор не является стерео совместимым,
используйте разъемы аппарата AUDIO OUT, чтобы подсоединить
аудио усилитель для воспроизведения стерео звука Hi-Fi.
●
Для переключения режима ТВ обращайтесь к инструкции по
эксплуатации Вашего телевизора.
ВНИМАНИЕ
Обязательно подсоедините разъем аппарата VIDEO OUT или S VIDEO OUT к разъему телевизора S-VIDEO IN.
Задняя панель
телевизора
Разъем антенны
Разъем COMPONENT VIDEO IN
Разъемы AUDIO IN
Кабель компонентного
видео
(не входит в комплект)
Аудио кабель
(не входит в
комплект)
Штепсельная розетка
Сетевой шнур
Задняя панель
аппарата
РЧ кабель (входит в комплект)
AUDIO OUT
Телевизи-
онный
антенный
кабель
COMPONENT
VIDEO OUT
После завершения подключений выполните
действия раздела “Установка видеоканала” на
стр. 15.
XVS20AG_01.book Page 14 Thursday, April 24, 2003 3:17 PM
Содержание
- 2 РУ; ТЕХНИКА БЕЗОПАСНОСТИ; СЛЕДУЕТ ПОМНИТЬ; ВАЖНАЯ ИНФОРМАЦИЯ
- 3 КОНДЕНСАЦИЯ ВЛАГИ; ВНИМАНИЕ; О размещение аппарата:
- 4 СОДЕРЖАНИЕ; Программирование таймера G-
- 5 ИНФОРМАЦИЯ О ДИСКАХ; О дисках; Региональный номер; ALL
- 6 Метки DVD VIDEO; Метки, относящиеся к видео; Метки, относящиеся к аудио; Файловая структура на дисках
- 7 Загрузка диска; Откройте лоток для дисков.; Как обращаться с дисками
- 8 УКАЗАТЕЛЬ; ВИД СПЕРЕДИ
- 9 ВИД СЗАДИ; Сетевой шнур; ПЕРЕДНЯЯ ДИСПЛЕЙНАЯ ПАНЕЛЬ; Индикатор времени начала (
- 10 SP
- 11 rt; Как использовать ПДУ
- 12 УСТАНОВКА ВАШЕГО НОВОГО АППАРАТА; Проверьте содержимое.; РЧ подключение; Аудио/видео подключение; Подключите аппарат к сети.
- 14 УСТАНОВКА ВАШЕГО НОВОГО АППАРАТА (продолжение); Подключение компонентного видео; Подключите аппарат к ТВ.
- 15 НАЧАЛЬНЫЕ УСТАНОВКИ; Установка видеоканала; Установите видеоканал.; Выйдите из режима установки каналов.; Перед выполнением следующих пунктов:; С РЧ подключением
- 16 Сначала убедитесь в следующем:
- 17 Начните автоматическую установку каналов
- 18 Установка монитора; Получите доступ к экрану меню установки DVD.; Возвратитесь к нормальному экрану.; MONITOR TYPE; Панорама и сканирование/почтовый ящик
- 19 Выберите установку режима.; PROGRESSIVE MODE; AUTO
- 20 Язык; Получите доступ к экрану главного меню.
- 23 УПРАВЛЕНИЕ ДЕКОЙ S-VHS; Найдите начальную точку программы.
- 24 Замедленное воспроизведение
- 25 Поиск с пропуском; Активизируйте поиск по индексу.
- 26 Запоминание следующей функции; TIMER; Повторное воспроизведение; Выбор звуковой дорожки; Во время воспроизведения
- 27 Установите скорость ленты.
- 28 Функции записи; Активизируйте режим ITR.; Установите продолжительность записи.
- 29 Индикация истекшего времени записи; Установите индикацию счетчика.; Время, оставшееся на ленте
- 30 Воспроизведение
- 31 Установка номера гида программы; Номер гида программы
- 32 Получите доступ к экрану G-; CODE; ИНФОРМАЦИЯ; Перед программированием таймера G-
- 33 Активизируйте режим таймера аппарата.; Пользователи спутникового тюнера
- 36 Проверка, отмена и замена программ; Отключите режим таймера.; Получите доступ к экрану программы.
- 37 Для отмены или замены программы; Отмените или замените программу.
- 40 УПРАВЛЕНИЕ ДЕКОЙ DVD; Инициируйте воспроизведение.
- 42 Получите доступ к меню DVD.
- 43 Поиск с высокой скоростью; ИЛИ; Выполните паузу во время воспроизведения.; Запомните точку возобновления.
- 44 Обзор; Для Video CD; Получите доступ к экрану обзора.
- 45 Трансфокатор
- 46 Режим 3D Phonic; Получите доступ к меню выбора.; Выберите уровень эффекта.
- 47 Для ручной регулировки качества изображения; Получите доступ к меню USER.; Подрегулируйте параметр.; Подрегулируйте другие параметры.; Чтобы вернуться к нормальному экрану; GAMMA
- 48 DVD
- 49 Чтобы очистить экранный указатель; Изменение информации о времени; Получите доступ к экранному указателю.
- 50 Получите доступ к режиму повтора.; Выберите режим повтора.
- 51 Поиск главы; Если Вы осуществили неправильный выбор
- 52 Поиск по времени
- 53 Программное воспроизведение; Выберите дорожки в нужном порядке.; Произвольное воспроизведение
- 54 Выбор субтитров; Получите доступ к меню.; Выберите язык субтитров.; E N G L I S H
- 55 Выбор угла; Выберите угол просмотра.
- 56 Выбор языка озвучивания; Выберите язык озвучивания.
- 57 Выбор аудиоканала; Для SVCD
- 58 Получите доступ к меню “PARENTAL LOCK“.; Получите доступ к меню уровня.
- 59 Чтобы изменить установки; Введите новый пароль.; Получите доступ к экрану пароля.
- 62 О дисках MP3; Контрольный дисплей MP3
- 63 Выполните паузу воспроизведения.
- 65 О дисках JPEG; Контрольный дисплей JPEG
- 69 Выполните подключения.; Установите режим монтажа.
- 70 Перезапись; (с формата DVD в формат; Загрузите кассету и поместите диск.; Подготовьте деку DVD для перезаписи.; Закончите перезапись.
- 72 Функции ПДУ; На ПДУ; Измените код аппарата.
- 73 ПДУ для ТВ других производителей
- 74 ПОДКЛЮЧЕНИЯ СИСТЕМЫ; Подключение к спутниковому тюнеру
- 76 ДОПОЛНИТЕЛЬНЫЕ УСТАНОВКИ; Установка режима
- 77 ВКЛ; ВЫК; АВТО; АВТО; PAL
- 78 NTSC; АВТО ТАЙМЕР SP
- 79 VIDEO STABILIZER; Для записи в формате S-VHS ET на кассету формата VHS:; АВТО ВЫКЛ
- 81 Установки изображения; Аудио установки; SCREEN SAVER; ON; DIGITAL AUDIO OUTPUT; STEREO
- 82 Другие установки; RESUME; ON SCREEN GUIDE
- 83 Настройка тюнера; Автоматическая установка каналов
- 84 Выберите телевизионную систему.
- 85 Ручная установка каналов
- 87 Установка часов; Получите доступ к экрану установки часов.; Установите дату и время.; Инициируйте работу часов.
- 88 Запись с эфира
- 89 Запись с ленты на ленту
- 90 ПОИСК ПРИЧИН НЕИСПРАВНОСТЕЙ И ИХ УСТРАНЕНИЕ; ПИТАНИЕ
- 92 ПОИСК ПРИЧИН НЕИСПРАВНОСТЕЙ И ИХ УСТРАНЕНИЕ (продолжение)
- 94 ДРУГИЕ ПРОБЛЕМЫ
- 95 ВОПРОСЫ И ОТВЕТЫ; ВОСПРОИЗВЕДЕНИЕ; Это является нормальным.; ЗАПИСЬ
- 96 ТЕХНИЧЕСКИЕ ХАРАКТЕРИСТИКИ; ОБЩЕЕ
- 97 СПИСОК ТЕРМИНОВ











