Преобразователи частоты Danfoss VLT 2800 Series - инструкция пользователя по применению, эксплуатации и установке на русском языке. Мы надеемся, она поможет вам решить возникшие у вас вопросы при эксплуатации техники.
Если остались вопросы, задайте их в комментариях после инструкции.
"Загружаем инструкцию", означает, что нужно подождать пока файл загрузится и можно будет его читать онлайн. Некоторые инструкции очень большие и время их появления зависит от вашей скорости интернета.

Электрический
монтаж
с
учетом
требований
ЭМС
Для
выполнения
требований
ЭМС
(
электромагнит
-
ной
совместимости
)
при
монтаже
следует
соблю
-
дать
следующие
общие
правила
:
-
В
качестве
кабелей
к
двигателю
и
кабелей
управления
используйте
только
экраниро
-
ванные
/
армированные
кабели
.
-
Экран
соедините
с
землей
на
обоих
кон
-
цах
.
-
Избегайте
подключения
экрана
с
по
-
мощью
скрученных
концов
,
поскольку
это
сводит
на
нет
экранирование
на
высоких
частотах
.
Вместо
этого
применяйте
ка
-
бельные
зажимы
.
-
Между
монтажной
платой
и
металличе
-
ским
корпусом
преобразователя
частоты
необходимо
обеспечить
с
помощью
уста
-
новочных
винтов
хороший
электрический
контакт
.
-
Следует
использовать
зубчатые
шайбы
и
проводящие
монтажные
платы
.
-
Нельзя
применять
неэкранированные
/
не
-
бронированные
силовые
кабели
.
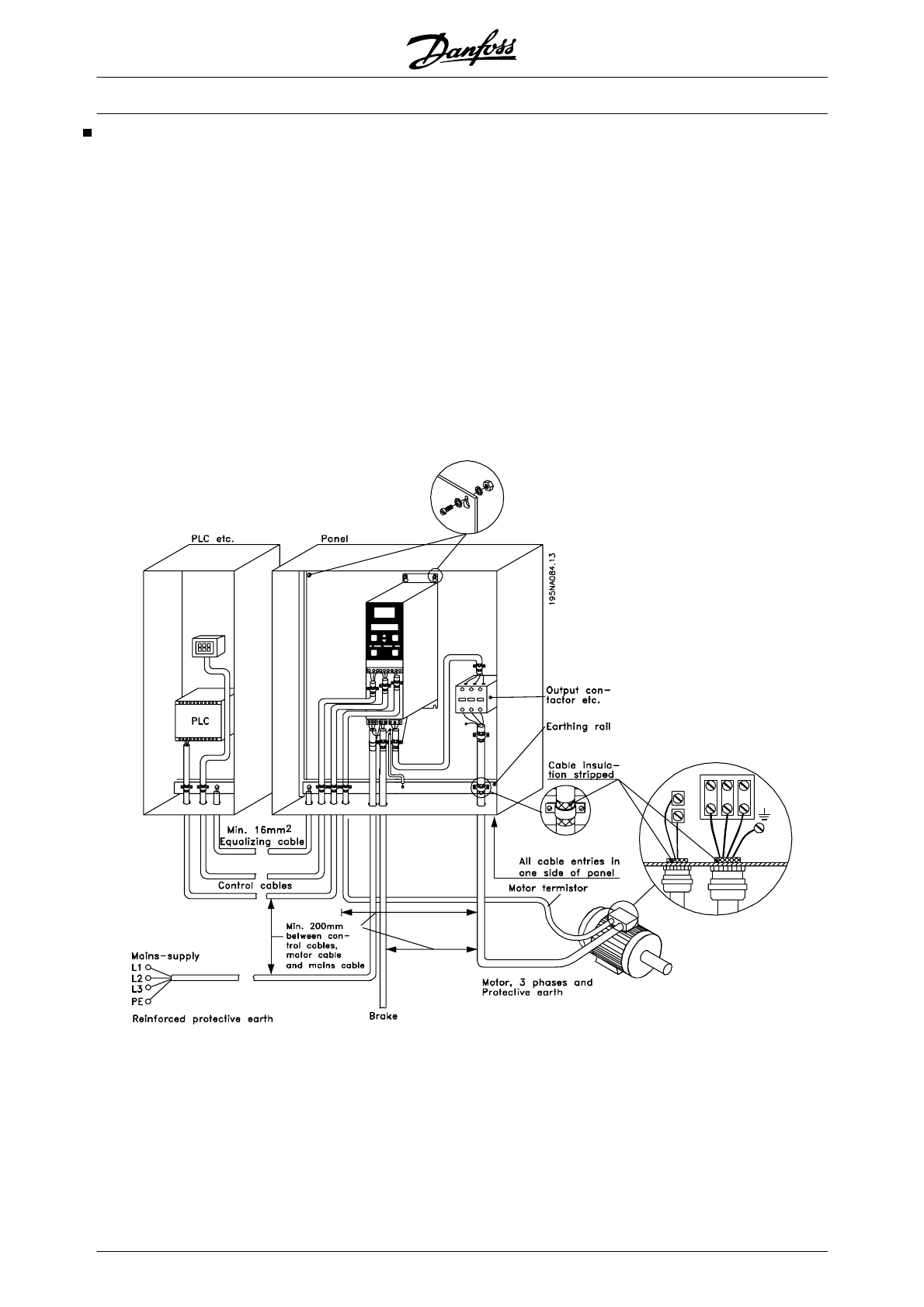
На
рисунке
,
расположенном
ниже
,
показан
пра
-
вильный
монтаж
,
обеспечивающий
соблюдение
требований
ЭМС
;
преобразователь
частоты
уста
-
новлен
в
монтажном
шкафу
и
соединен
с
PLC.
Серия
VLT® 2800
76
MG.27.A2.50 - VLT
®
–
зарегистрированный
товарный
знак
компании
Danfoss
Содержание
- 2 Все; UL; Алфавитный; зарегистрированный
- 3 Серия; Быс
- 4 Ref; ETR
- 5 Внимание
- 7 VL
- 8 Выключатель
- 13 Пр
- 14 LCP
- 15 Функция; Описание; FB
- 16 LC
- 21 Конфигурация; DeviceNet; Характеристики
- 23 RS
- 32 Сброс
- 35 Sin; ramp 1
- 41 Цифровые; Не
- 44 Клемма
- 45 FREQ
- 47 Выход
- 60 FF
- 62 VLT
- 64 Уставка; Замкнутый
- 68 – Fb; – Ref
- 69 Монтаж
- 71 Размеры; Тип
- 73 NEMA 1
- 77 См
- 79 Danfoss
- 86 LCP 2
- 92 UDC
- 94 HPFB
- 100 PELV
- 101 излучение
- 108 IEC
- 109 Входные
- 116 FC
- 119 Ал