Обогреватели Ballu BHC-M25T12-PS НС-1136130 - инструкция пользователя по применению, эксплуатации и установке на русском языке. Мы надеемся, она поможет вам решить возникшие у вас вопросы при эксплуатации техники.
Если остались вопросы, задайте их в комментариях после инструкции.
"Загружаем инструкцию", означает, что нужно подождать пока файл загрузится и можно будет его читать онлайн. Некоторые инструкции очень большие и время их появления зависит от вашей скорости интернета.

18
Подготовка к работе
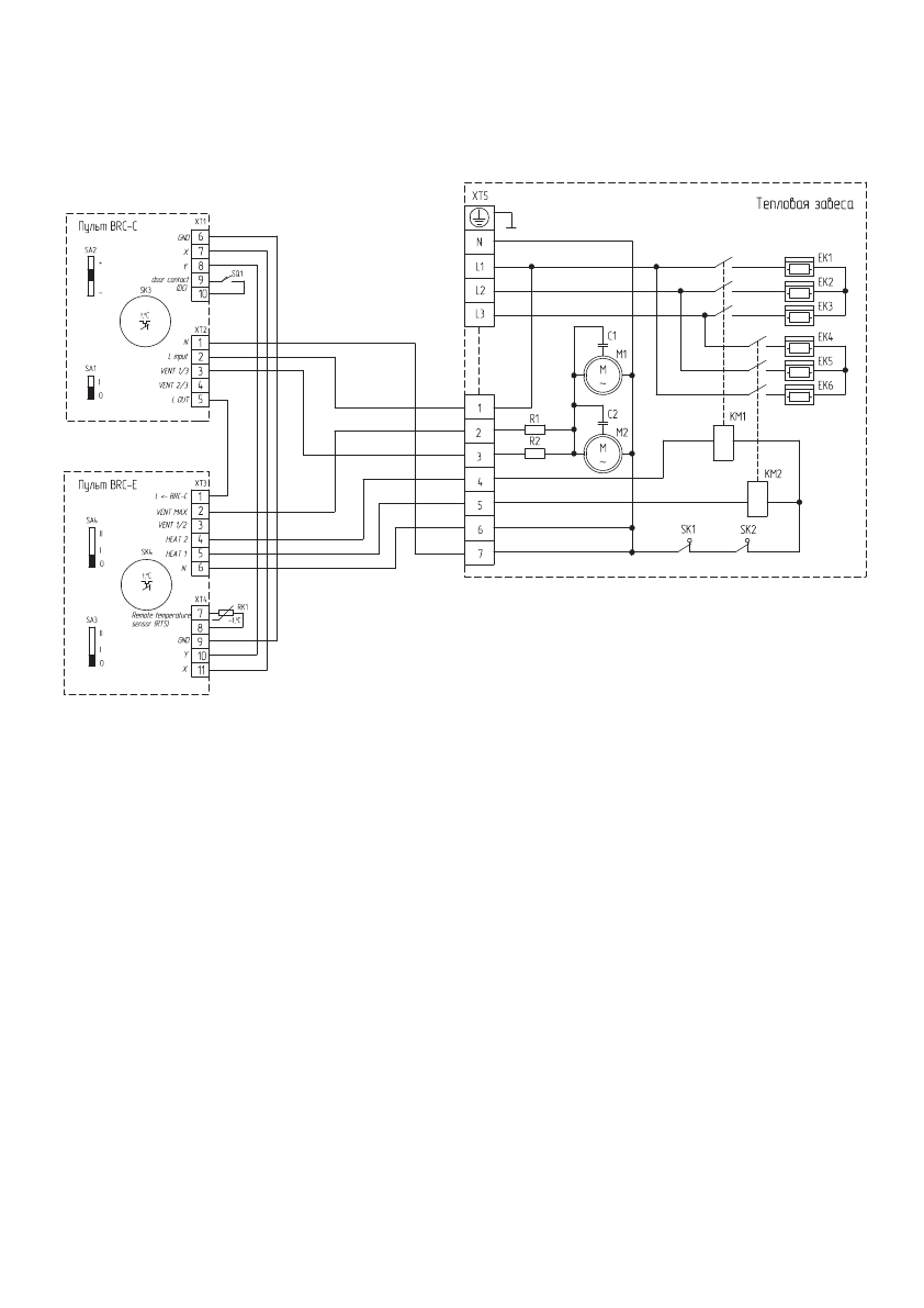
Схема электрическая принципиальная завес ВНС -Н20 Т24-PS, ВНС -Н20 Т36-PS с подключением
пультов BRC-E и BRC-С.
EK1-EK6 - нагревательный элемент;
КМ1, КМ2 - электромагнитный пускатель;
М1, М2 - электродвигатель;
C1, С2 - конденсатор;
R1, R2 - нагрузка;
SK1, SK2 - защитный термостат без автовозврата;
SK3,SK4 - терморегулятор;
ХТ1-XT5 - колодка клеммная;
SA1 - переключатель включения режима защиты от
проникновения уличного воздуха;
SA2 - регулятор задержки выключения вентиляции;
RK1 - термодатчик;
SQ1 - дверной контакт;
SA3 - переключение режимов вентиляции;
SA4 - переключение режимов нагрева.
Тепловые завесы ВНС-H10Т12-PS, ВНС-H15Т18-PS подключаются аналогично.
Содержание
- 2 Содержание; Используемые обозначения; Производитель оставляет за собой право без; Свидетельство о приемке
- 5 Подготовка к работе; Монтаж тепловой завесы
- 7 Крепежные элементы для кронштейна; Расположение кронштейнов для горизонтального установки
- 8 Инструкция по установке завес:; закрепить кронштейны к несущей конструкции, согласно размерам
- 10 Подключение к электрической сети; Далее приведены электрические схемы завес:; Схема электрическая принципиальная
- 16 Схема электрическая принципиальная завес; SK1 - защитный термостат без автовозврата
- 22 Управление прибором; Вентиляция с подогревом потока воздуха.
- 23 ПРИМЕЧАНИЕ; Поиск и устранение неисправностей; Если завеса не включается
- 24 Уход и обслуживание; Транспортировка и хранение
- 27 ГАРАНТИЙНЫЙ ТАЛОН; ТИП
- 28 Настоящая гарантия не распространяется на:
- 29 Особые условия эксплуатации кондиционеров
- 30 Памятка по уходу за кондиционером:
- 31 сохраняется у клиента; УНИВЕРСАЛЬНЫЙ ОТРЫВНОЙ ТАЛОН; УНИВЕРСАЛЬНЫЙ ОТРЫВНОЙ ТАЛОН













