Обогреватели Ballu BHC-M25T12-PS НС-1136130 - инструкция пользователя по применению, эксплуатации и установке на русском языке. Мы надеемся, она поможет вам решить возникшие у вас вопросы при эксплуатации техники.
Если остались вопросы, задайте их в комментариях после инструкции.
"Загружаем инструкцию", означает, что нужно подождать пока файл загрузится и можно будет его читать онлайн. Некоторые инструкции очень большие и время их появления зависит от вашей скорости интернета.

12
Подготовка к работе
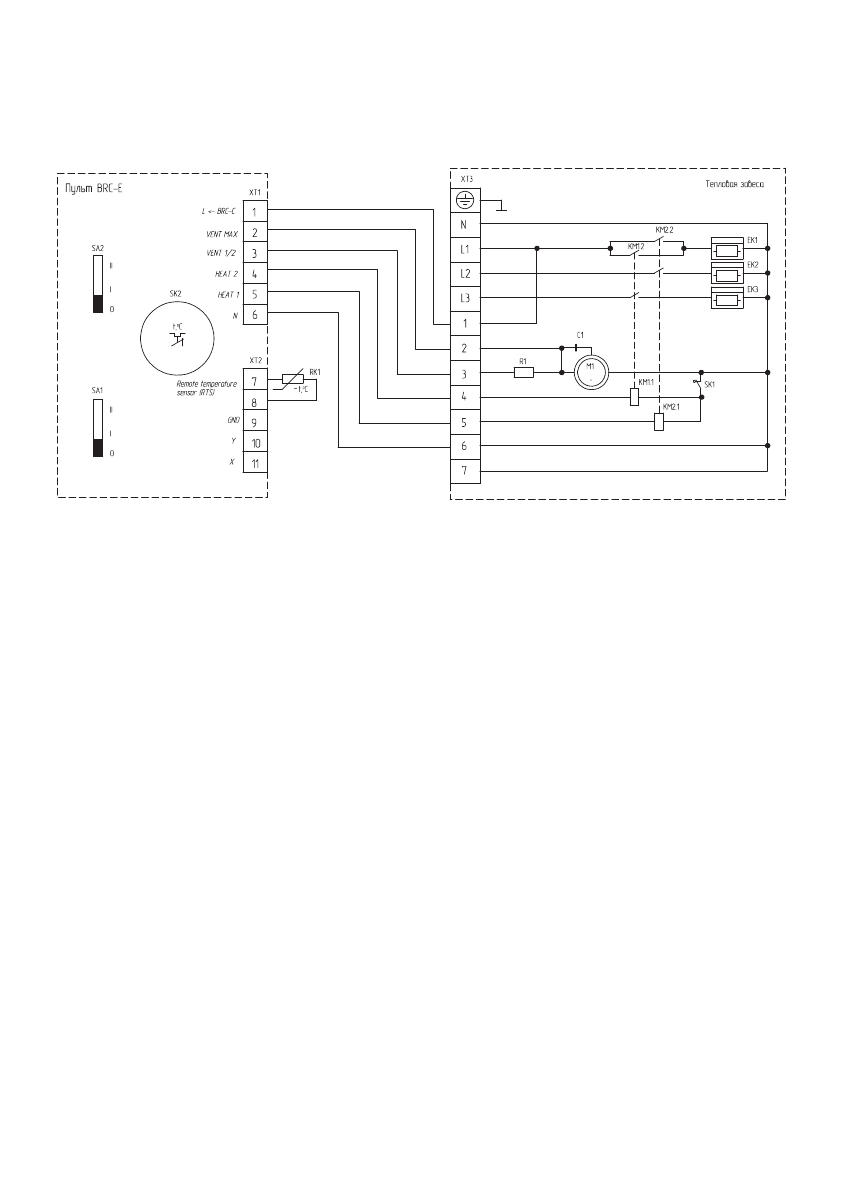
Подключение тепловых завес BHC-M10T09-PS, BHC-M15T09-PS, BHC-M15T12-PS, BHC-M20T12-PS
к пульту BRC-E.
EK1, EK2, EK3 - нагревательный элемент;
КМ1, КМ2 - электромагнитное реле;
М1 - электродвигатель;
С1 - конденсатор;
R1 - резистор;
SK1 - защитный термостат без автовозврата;
SK2 - терморегулятор;
XТ1-XТ3 - колодка клеммная;
SA1 - переключатель режимов вентиляции;
SA2 - переключатель режимов нагрева;
RK1 - термодатчик.
Тепловые завесы ВНС-М10Т06-PS, ВНС-М20Т18-PS, ВНС-М20Т24-PS, BHC-M25T12-PS подключаются
аналогично.
Содержание
- 2 Содержание; Используемые обозначения; Производитель оставляет за собой право без; Свидетельство о приемке
- 5 Подготовка к работе; Монтаж тепловой завесы
- 7 Крепежные элементы для кронштейна; Расположение кронштейнов для горизонтального установки
- 8 Инструкция по установке завес:; закрепить кронштейны к несущей конструкции, согласно размерам
- 10 Подключение к электрической сети; Далее приведены электрические схемы завес:; Схема электрическая принципиальная
- 16 Схема электрическая принципиальная завес; SK1 - защитный термостат без автовозврата
- 22 Управление прибором; Вентиляция с подогревом потока воздуха.
- 23 ПРИМЕЧАНИЕ; Поиск и устранение неисправностей; Если завеса не включается
- 24 Уход и обслуживание; Транспортировка и хранение
- 27 ГАРАНТИЙНЫЙ ТАЛОН; ТИП
- 28 Настоящая гарантия не распространяется на:
- 29 Особые условия эксплуатации кондиционеров
- 30 Памятка по уходу за кондиционером:
- 31 сохраняется у клиента; УНИВЕРСАЛЬНЫЙ ОТРЫВНОЙ ТАЛОН; УНИВЕРСАЛЬНЫЙ ОТРЫВНОЙ ТАЛОН













