Обогреватели Ballu BHC-L15S09-SP НС-1136141 - инструкция пользователя по применению, эксплуатации и установке на русском языке. Мы надеемся, она поможет вам решить возникшие у вас вопросы при эксплуатации техники.
Если остались вопросы, задайте их в комментариях после инструкции.
"Загружаем инструкцию", означает, что нужно подождать пока файл загрузится и можно будет его читать онлайн. Некоторые инструкции очень большие и время их появления зависит от вашей скорости интернета.

8
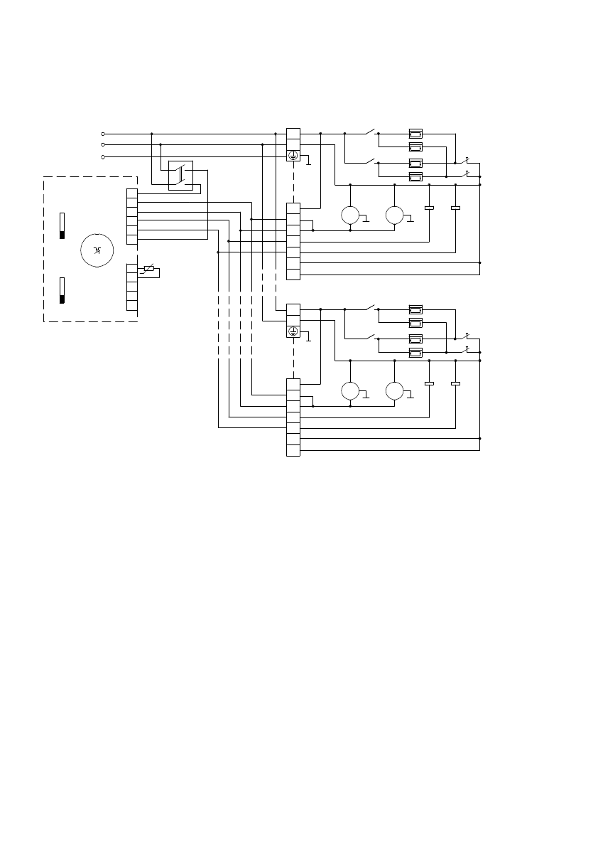
Подготовка к работе
Схема электрическая принципиальная при групповом соединении ВНС- L10- S06, ВНС- L10-
S06-M с подключением контроллера (пульта) BRC-E:
N
L
Õ Ò 3
E K 1.1
E K 2 .1
K M 2 .2
E K 1.2
E K 2 .2
M 1
M
~
M 2
M
~
K M 2 .1
K M 1.1
S K 2
S K 3
K M 1.2
1
2
3
4
5
6
7
R K 1
N
L
Õ Ò 9
E K 13 .1
E K 14 .1
K M 14 .2
E K 13 .2
E K 14 .2
M 13
M
~
M 14
M
~
K M 14 .1
K M 13 .1
S K 14
S K 15
K M 13 .2
1
2
3
4
5
6
7
7 7 7 7
7
7
1
2
3
4
5
6
Remote temper atur e
sensor (RTS)
Õ Ò 1
Êîíòðîëëåð BRC-E
S A 1
I
II
0
S K 1
S A 2
I
II
0
t,°C
GND
- t°
N
Y
9
8
7
10
11
Õ Ò 2
X
HEAT 1
L <- BRC- C
VENT MAX
VENT 1/ 2
HEAT 2
QF1
~
220 Â
L
N
ÐÅ
EK1-ЕК14 - электронагреватель;
КМ1-КМ14 - электромагнитное реле;
М1-М14 - электродвигатель;
SK1 - терморегулятор;
SK2-SK15 - защитный термостат без автовоз-
врата;
ХТ1-XT9 - колодка клеммная;
SA1 - переключатель управления вентилято-
рами;
SA2 - переключатель режимов нагрева;
RK1 – термодатчик;
QF1 - автоматический выключатель.
Содержание
- 5 Параметр
- 6 Подготовка к работе; Модель
- 14 Управление прибором; поддерживать
- 19 ГАРАНТИЙНЫЙ ТАЛОН; Тщательно проверьте внешний вид изделия и его; ТИП; Остальные изделия
- 21 Особые условия эксплуатации кондиционеров; В обязательном порядке при эксплуатации
- 22 Памятка по уходу за кондиционером
- 23 Заполняется продавцом; сохраняется у клиента; Заполняется установщиком; УНИВЕРСАЛЬНЫЙ ОТРЫВНОЙ ТАЛОН; Изымается мастером при обслуживании; на гарантийное обслуживание