Обогреватели Ballu BHC-L15S09-SP НС-1136141 - инструкция пользователя по применению, эксплуатации и установке на русском языке. Мы надеемся, она поможет вам решить возникшие у вас вопросы при эксплуатации техники.
Если остались вопросы, задайте их в комментариях после инструкции.
"Загружаем инструкцию", означает, что нужно подождать пока файл загрузится и можно будет его читать онлайн. Некоторые инструкции очень большие и время их появления зависит от вашей скорости интернета.

11
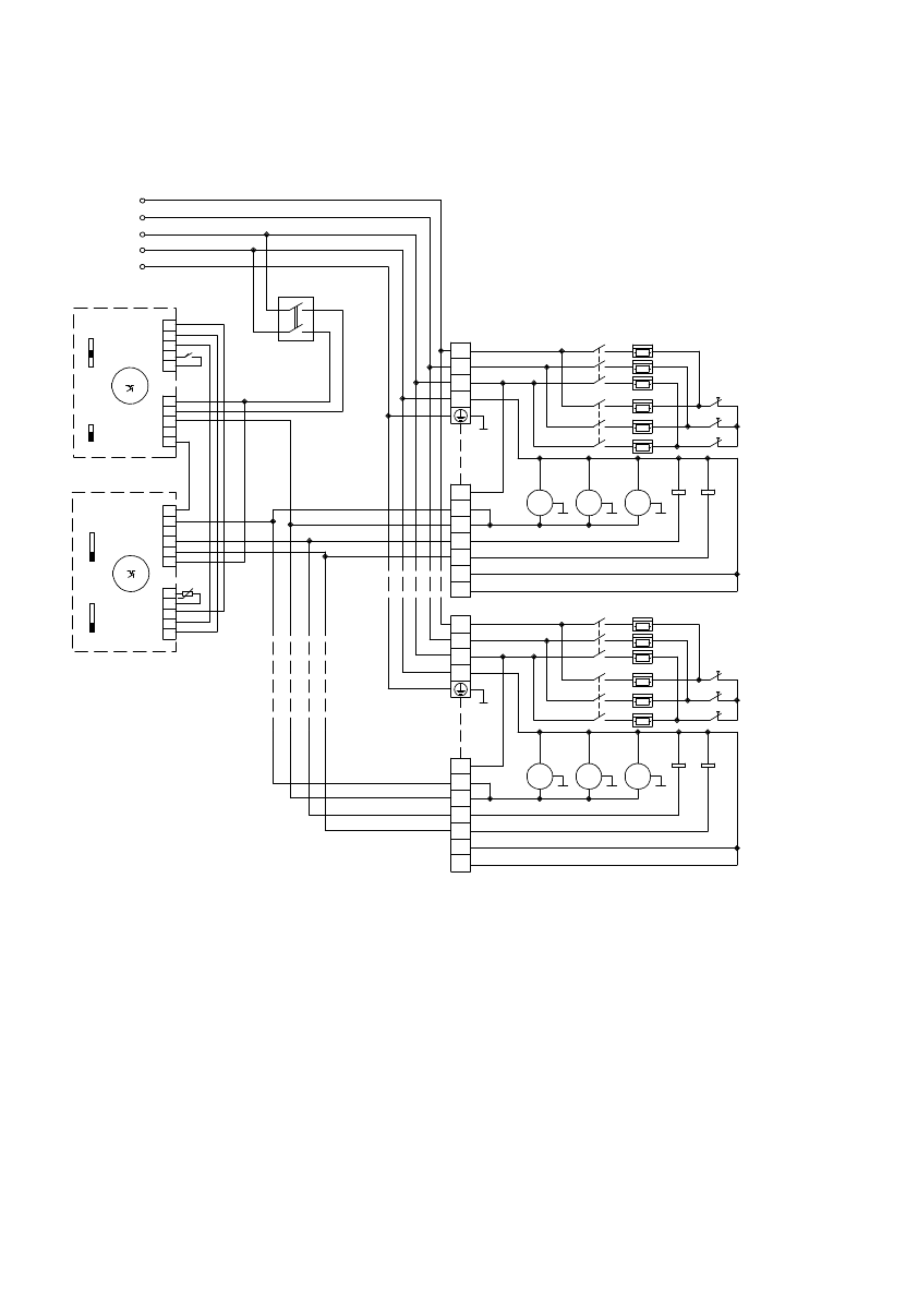
Схема электрическая принципиальная при групповом соединении ВНС- L15 -S09, ВНС- L15-
S09-M с подключением контроллеров (пультов) BRC-E и BRC-C:
1
2
3
4
5
6
Re mo te tem pe r atur e
se ns o r (R TS )
ÕÒ 3
Õ Ò 4
Êîíòðîëëåð BRC-E
N
SA 3
I
II
0
S K 2
SA 4
I
II
0
t,°C
Y
X
R K1
-t°
Êîíòðîëëåð BRC-Ñ
1
2
3
4
5
6
N
Õ Ò1
S K 1
S A 1
I
0
S A 2
+
-
t,°C
G ND
do or c on ta ct
(DC )
S Q1
7
8
9
7
8
9
1
2
3
4
5
6
7
1 0
1 1
1 0
X
Y
ÕÒ 2
L in pu t
VE NT 1/3
V EN T 2 / 3
L OU T
L < - B RC -C
VE NT MA X
VE N T 1/2
HE A T 2
HE A T 1
GN D
1
2
3
4
5
6
7
4
4 4
4
EK3.1
K M1.1
M 1
M
~
M2
M
~
M3
M
~
KM 2.1
EK2.1
EK1.1
EK2.2
EK3.2
EK1.2
K M1.2
K M2.2
SK3
SK4
SK5
Õ Ò5
N
L2
L1
L3
EK12.1
K M7 .1
M 10
M
~
M11
M
~
M12
M
~
KM 8.1
EK11.1
EK10.1
EK11.2
EK12.2
EK10.2
K M7.2
K M8.2
SK12
SK 13
SK14
Õ Ò8
N
L2
L1
L3
4
4
4 4
4
~
380 Â
L1
L2
L3
N
ÐÅ
QF1
EK1-ЕК12 - электронагреватель;
КМ1-КМ8 - электромагнитное реле;
М1-М12 - электродвигатель;
SK1, SK2 - терморегуляторы;
SK3-SK14 - защитный термостат без автовоз-
врата;
ХТ1-XT8 - колодка клеммная;
SA1 - переключатель включения режима за-
щиты от проникновения уличного воздуха;
SA2 - регулятор задержки выключения элек-
тродвигателей;
SA3 - переключатель управления вентилято-
рами;
SA4 - переключатель режимов нагрева;
RK1 - термодатчик;
SQ1 - концевой выключатель;
QF1 - автоматический выключатель.
Подготовка к работе
Содержание
- 5 Параметр
- 6 Подготовка к работе; Модель
- 14 Управление прибором; поддерживать
- 19 ГАРАНТИЙНЫЙ ТАЛОН; Тщательно проверьте внешний вид изделия и его; ТИП; Остальные изделия
- 21 Особые условия эксплуатации кондиционеров; В обязательном порядке при эксплуатации
- 22 Памятка по уходу за кондиционером
- 23 Заполняется продавцом; сохраняется у клиента; Заполняется установщиком; УНИВЕРСАЛЬНЫЙ ОТРЫВНОЙ ТАЛОН; Изымается мастером при обслуживании; на гарантийное обслуживание