Обогреватели Ballu BHC-L15S09-SP НС-1136141 - инструкция пользователя по применению, эксплуатации и установке на русском языке. Мы надеемся, она поможет вам решить возникшие у вас вопросы при эксплуатации техники.
Если остались вопросы, задайте их в комментариях после инструкции.
"Загружаем инструкцию", означает, что нужно подождать пока файл загрузится и можно будет его читать онлайн. Некоторые инструкции очень большие и время их появления зависит от вашей скорости интернета.

7
Подготовка к работе
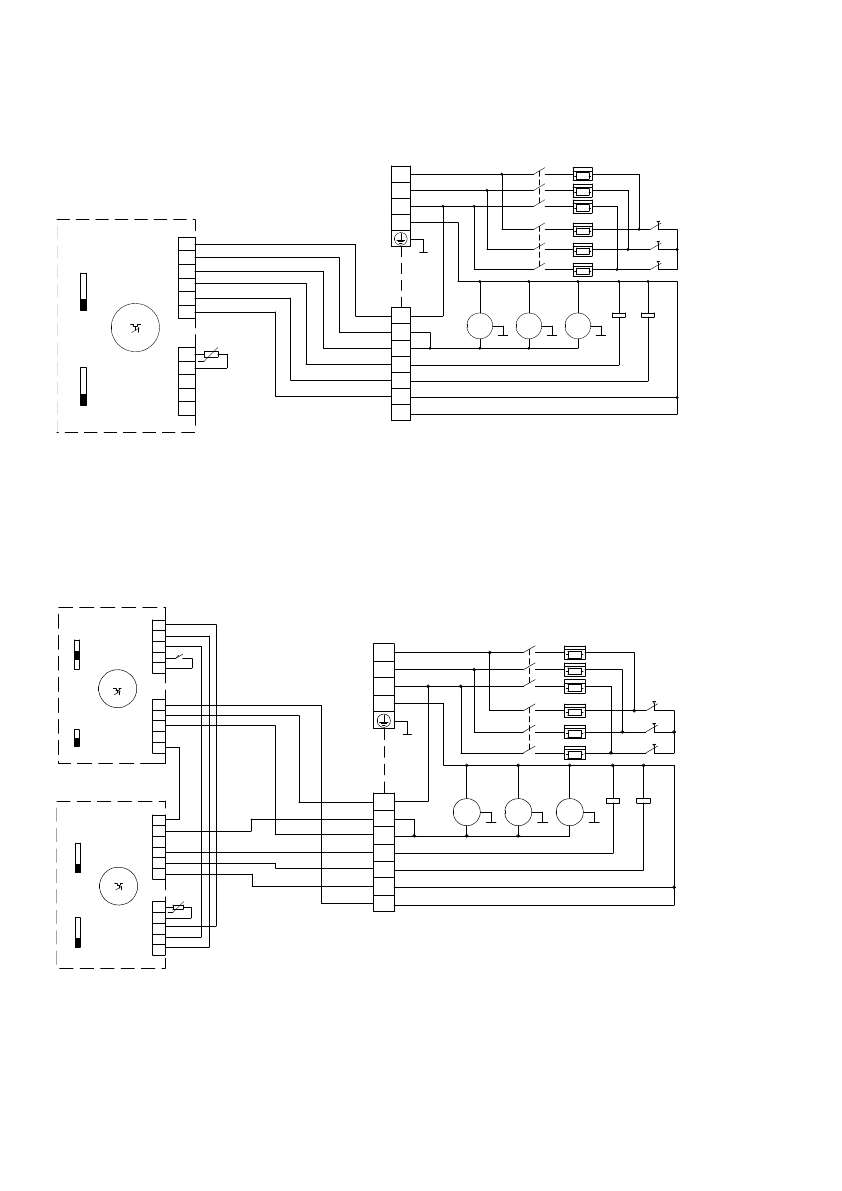
Схема электрическая принципиальная ВНС -L15 -S09, ВНС -L15- S09-M с подключением кон-
троллера (пульта) BRC-E:
EK1, ЕК2, ЕК3 - электронагреватель;
КМ1, КМ2 - электромагнитное реле;
М1, М2, М3 - электродвигатель;
SK1 - терморегулятор;
SK2-SK4 - защитный термостат без автовоз-
врата;
EK1, ЕК2, ЕК3 - электронагреватель;
КМ1, КМ2 - электромагнитное реле;
М1, М2, М3 - электродвигатель;
SK1, SK2 - терморегуляторы;
SK3-SK5 - защитный термостат без автовоз-
врата;
ХТ1-XT5 - колодка клеммная;
SA1 - переключатель включения режима за-
щиты от проникновения уличного воздуха;
SA2 - регулятор задержки выключения элек-
тродвигателей;
SA3 - переключатель управления вентилято-
рами;
SA4 - переключатель режимов нагрева;
RK1 - термодатчик;
SQ1 - концевой выключатель.
ХТ1-XT3 - колодка клеммная;
SA1 - переключатель управления вентиляторами;
SA2 - переключатель режимов нагрева;
RK1 - термодатчик.
Õ Ò 3
N
L2
L1
L3
E K 3 .1
K M 1 .1
M 1
M
~
M 2
M
~
M 3
M
~
K M 2 .1
E K 2 .1
E K 1 .1
E K 2 .2
E K 3 .2
E K 1 .2
K M 1 .2
K M 2 .2
S K 2
S K 3
S K 4
1
2
3
4
5
6
7
1
2
3
4
5
6
Remote temper atur e
s ens or (RTS)
Õ Ò 1
Êîíòðîëëåð BRC-E
S A 1
I
II
0
S K 1
S A 2
I
II
0
t ,°C
GND
R K 1
- t °
N
Y
9
8
7
10
11
Õ Ò 2
X
HEAT 1
L <- BRC- C
VENT MAX
VENT 1/ 2
HEAT 2
Схема электрическая принципиальная ВНС- L15- S09, ВНС -L15- S09-M с подключением кон-
троллеров (пультов) BRC-E и BRC-C:
Õ Ò 5
N
L2
L1
L3
E K 3 .1
K M 1.1
M 1
M
~
M 2
M
~
M 3
M
~
K M 2 .1
E K 2 .1
E K 1 .1
E K 2 .2
E K 3 .2
E K 1 .2
K M 1 .2
K M 2 .2
S K 3
S K 4
S K 5
1
2
3
4
5
6
7
1
2
3
4
5
6
Remote temperature
sensor (RTS)
ÕÒ3
ÕÒ4
Êîíòðîëëåð BRC-E
N
SA3
I
II
0
SK2
SA4
I
II
0
t,°C
Y
X
RK1
-t°
Êîíòðîëëåð BRC-Ñ
1
2
3
4
5
6
N
ÕÒ1
SK1
SA1
I
0
SA2
+
-
t,°C
GND
door contact
(DC)
SQ1
7
8
9
7
8
9
1 0
1 1
1 0
X
Y
ÕÒ2
L input
VENT 1/3
VENT 2/3
L OUT
L <- BRC-C
VENT MAX
VENT 1/2
HEAT 2
HEAT 1
GND
Содержание
- 5 Параметр
- 6 Подготовка к работе; Модель
- 14 Управление прибором; поддерживать
- 19 ГАРАНТИЙНЫЙ ТАЛОН; Тщательно проверьте внешний вид изделия и его; ТИП; Остальные изделия
- 21 Особые условия эксплуатации кондиционеров; В обязательном порядке при эксплуатации
- 22 Памятка по уходу за кондиционером
- 23 Заполняется продавцом; сохраняется у клиента; Заполняется установщиком; УНИВЕРСАЛЬНЫЙ ОТРЫВНОЙ ТАЛОН; Изымается мастером при обслуживании; на гарантийное обслуживание