Обогреватели Ballu BHC-L15S09-SP НС-1136141 - инструкция пользователя по применению, эксплуатации и установке на русском языке. Мы надеемся, она поможет вам решить возникшие у вас вопросы при эксплуатации техники.
Если остались вопросы, задайте их в комментариях после инструкции.
"Загружаем инструкцию", означает, что нужно подождать пока файл загрузится и можно будет его читать онлайн. Некоторые инструкции очень большие и время их появления зависит от вашей скорости интернета.

10
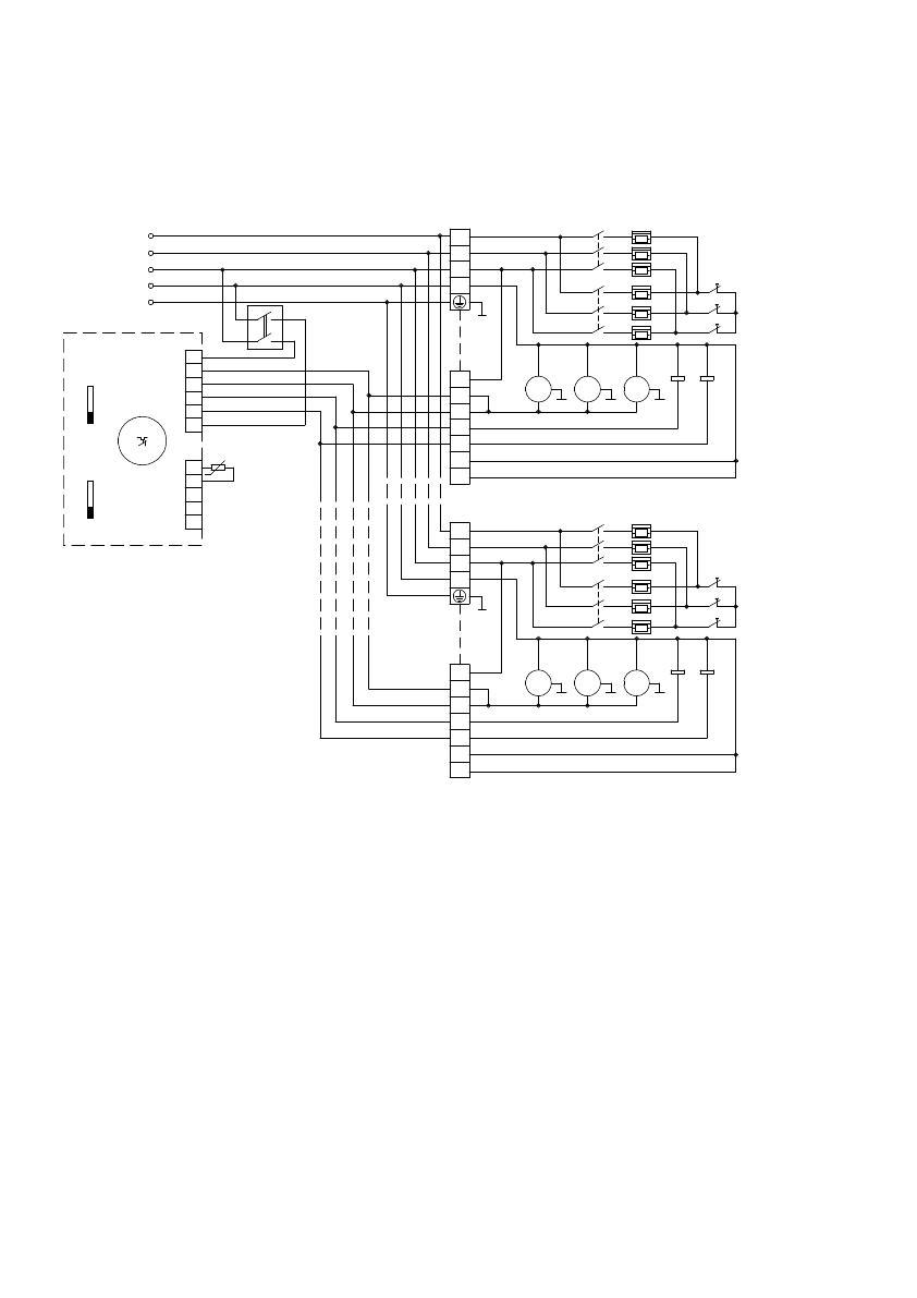
Подготовка к работе
EK1-ЕК12 - электронагреватель;
КМ1-КМ8 - электромагнитное реле;
М1-М12 - электродвигатель;
SK1 - терморегулятор;
SK2-SK13 - защитный термостат без автовоз-
врата;
ХТ1-XT6 - колодка клеммная;
ХТ1-XT6 - колодка клеммная;
SA1 - переключатель управления вентилято-
рами;
SA2 - переключатель режимов нагрева;
RK1 – термодатчик;
QF1 - автоматический выключатель.
Схема электрическая принципиальная при групповом соединении ВНС- L15- S09, ВНС- L15-
S09-M с подключением контроллера (пульта) BRC-E:
Õ Ò 3
N
L2
L1
L3
E K 3 .1
K M 1 .1
M 1
M
~
M 2
M
~
M 3
M
~
K M 2 .1
E K 2 .1
E K 1 .1
E K 2 .2
E K 3 .2
E K 1 .2
K M 1.2
K M 2 .2
S K 2
S K 3
S K 4
1
2
3
4
5
6
7
4 4 4
Õ Ò 6
N
L2
L1
L3
E K 1 2 .1
K M 7 .1
M 10
M
~
M 1 1
M
~
M 12
M
~
K M 8 .1
E K 1 1.1
E K 1 0 .1
E K 1 1.2
E K 1 2 .2
E K 1 0 .2
K M 7 .2
K M 8 .2
S K 11
S K 12
S K 13
1
2
3
4
5
6
7
4
R K 1
1
2
3
4
5
6
Remote temper atur e
s ens or (RTS)
Õ Ò 1
Êîíòðîëëåð BRC-E
S A 1
I
II
0
S K 1
S A 2
I
II
0
t ,° C
GND
- t°
N
Y
9
8
7
10
11
Õ Ò 2
X
HEAT 1
L <- BRC- C
VENT MAX
VENT 1/ 2
HEAT 2
QF1
~
380 Â
L1
L2
L3
N
ÐÅ
4
4
4
4 4
Содержание
- 5 Параметр
- 6 Подготовка к работе; Модель
- 14 Управление прибором; поддерживать
- 19 ГАРАНТИЙНЫЙ ТАЛОН; Тщательно проверьте внешний вид изделия и его; ТИП; Остальные изделия
- 21 Особые условия эксплуатации кондиционеров; В обязательном порядке при эксплуатации
- 22 Памятка по уходу за кондиционером
- 23 Заполняется продавцом; сохраняется у клиента; Заполняется установщиком; УНИВЕРСАЛЬНЫЙ ОТРЫВНОЙ ТАЛОН; Изымается мастером при обслуживании; на гарантийное обслуживание