Обогреватели Ballu BHC-H22T18-DE НС-1221653 - инструкция пользователя по применению, эксплуатации и установке на русском языке. Мы надеемся, она поможет вам решить возникшие у вас вопросы при эксплуатации техники.
Если остались вопросы, задайте их в комментариях после инструкции.
"Загружаем инструкцию", означает, что нужно подождать пока файл загрузится и можно будет его читать онлайн. Некоторые инструкции очень большие и время их появления зависит от вашей скорости интернета.

10
11
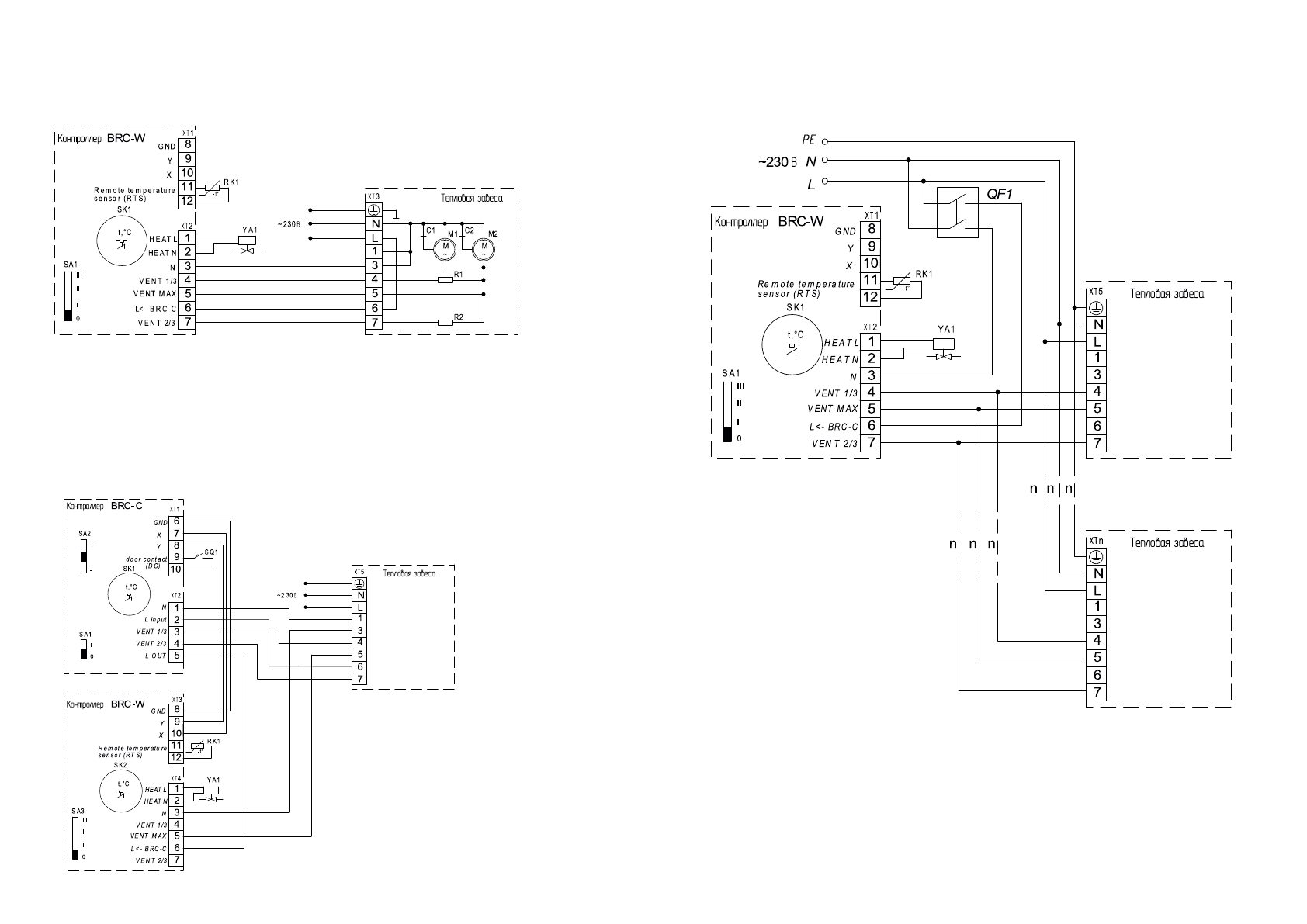
Подключение водяной тепловой завесы BHC-H22W35-DE к пульту BRC-W
Подключение водяной тепловой завесы BHC-H22W35-DE к пульту BRC-C
Групповое подключение водяных тепловых завес BHC-H22W35-DE к пульту BRC-W
М1, М2 - электродвигатель;
C1, С2 - конденсатор;
R1,R2 - нагрузка;
SK1 - терморегулятор;
ХТ1-XT3 - колодка клеммная;
SK1 - терморегулятор;
ХТ1-XTn - колодка клеммная;
SA1 - переключатель режимов вентиляции;
RK1 - термодатчик;
YA1 - электромагнитный привод двух-/трехходо-
вого вентиля;
QF1 - автоматический выключатель.
SK1,SK2 - терморегуляторы;
ХТ1-XT5 - колодка клеммная;
SA1 - переключатель включения режима защиты
от проникновения уличного воздуха;
SA2 - регулятор задержки выключения электро-
двигателей;
SA3 - переключатель режимов вентиляции;
RK1 - термодатчик;
SQ1 - концевой выключатель:
YA1 - электромагнитный приводдвух-/трехходо-
вого вентиля.
SA1- переключатель режимов вентиляции;
RK1 - термодатчик;
YA1 - электромагнитный приводдвух-/трехходо-
вого вентиля.
Монтаж завесы
Монтаж завесы
Содержание
- 2 Используемые обозначения; ПРИ МЕ ЧА НИЕ; Свидетельство о приемке; Содержание; Правила безопасности
- 3 Вертикальный монтаж
- 4 Технические характеристики; Подключение к электросети; Тепловая завеса
- 6 SA1 - переключатель включения режима защиты
- 8 Управление прибором
- 11 ГАРАНТИЙНЫЙ ТАЛОН; ТИП; Дополнительные технические характеристики; зд