Обогреватели Ballu BHC-B15W15-PS НС-1136128 - инструкция пользователя по применению, эксплуатации и установке на русском языке. Мы надеемся, она поможет вам решить возникшие у вас вопросы при эксплуатации техники.
Если остались вопросы, задайте их в комментариях после инструкции.
"Загружаем инструкцию", означает, что нужно подождать пока файл загрузится и можно будет его читать онлайн. Некоторые инструкции очень большие и время их появления зависит от вашей скорости интернета.

10
Монтаж завесы
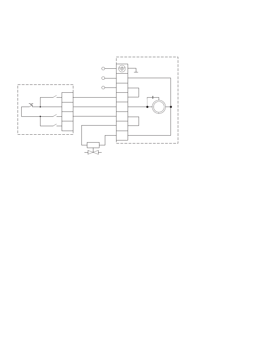
Подключение тепловых завес с водяным источником тепла BHC-B10W10-PS; BHC-B15W15-PS
к контроллеру (пульту) NTL.
М1 - электродвигатель;
C1 - конденсатор;
SK2 - терморегулятор;
ХТ1, XT2 - колодка клеммная;
SA1 - переключатель режимов вентиляции;
SА2, SA3 - переключатели режимов нагрева;
YA1 - привод электромагнитного вентиля.
L
1
2
N
3
4
5
M1
~
C1
Пульт управления
SA1
SK1
SA2
SA3
1
2
3
4
XT2
XT1
YA1
Тепловая завеса
Тепловая завеса
4
5
YA1
KM1.2
KM1.1
KM1
N
L
XT1
~220-230
В
Содержание
- 2 Используемые обозначения; ПРИ МЕ ЧА НИЕ; Свидетельство о приемке; Содержание
- 4 Устройство и принцип работы прибора; Устройство и принцип работы
- 5 Технические характеристики
- 6 • Перед проведением монтажных работ необхо-; Размещение завесы; Вертикальная установка; Схема задней пластины завес для; Монтаж завесы
- 7 Модель; Крепежные размеры для кронштейнов; Монтаж завесы на кронштейны; Расположение кронштейнов для вертикальной установки
- 8 Инструкция по установке завес:; Закрепить кронштейны к несущей конструкции, согласно размерам
- 10 Тепловая завеса
- 11 Подключение пульта NTL; Управление прибором; Для включения завесы в режим вен-
- 12 Поиск и устранение неисправностей
- 13 Комплектация
- 14 Сделано в России
- 15 Приложение; При
- 17 ГАРАНТИЙНЫЙ ТАЛОН; ТИП
- 18 Настоящая гарантия не распространяется на:
- 19 Особые условия эксплуатации кондиционеров; В обязательном порядке при эксплуатации ультразву-
- 20 Памятка по уходу за кондиционером:
- 21 сохраняется у клиента; УНИВЕРСАЛЬНЫЙ ОТРЫВНОЙ ТАЛОН; УНИВЕРСАЛЬНЫЙ ОТРЫВНОЙ ТАЛОН