Микроволновые печи LG MD-2643G (GC) - инструкция пользователя по применению, эксплуатации и установке на русском языке. Мы надеемся, она поможет вам решить возникшие у вас вопросы при эксплуатации техники.
Если остались вопросы, задайте их в комментариях после инструкции.
"Загружаем инструкцию", означает, что нужно подождать пока файл загрузится и можно будет его читать онлайн. Некоторые инструкции очень большие и время их появления зависит от вашей скорости интернета.
Загружаем инструкцию

8-1
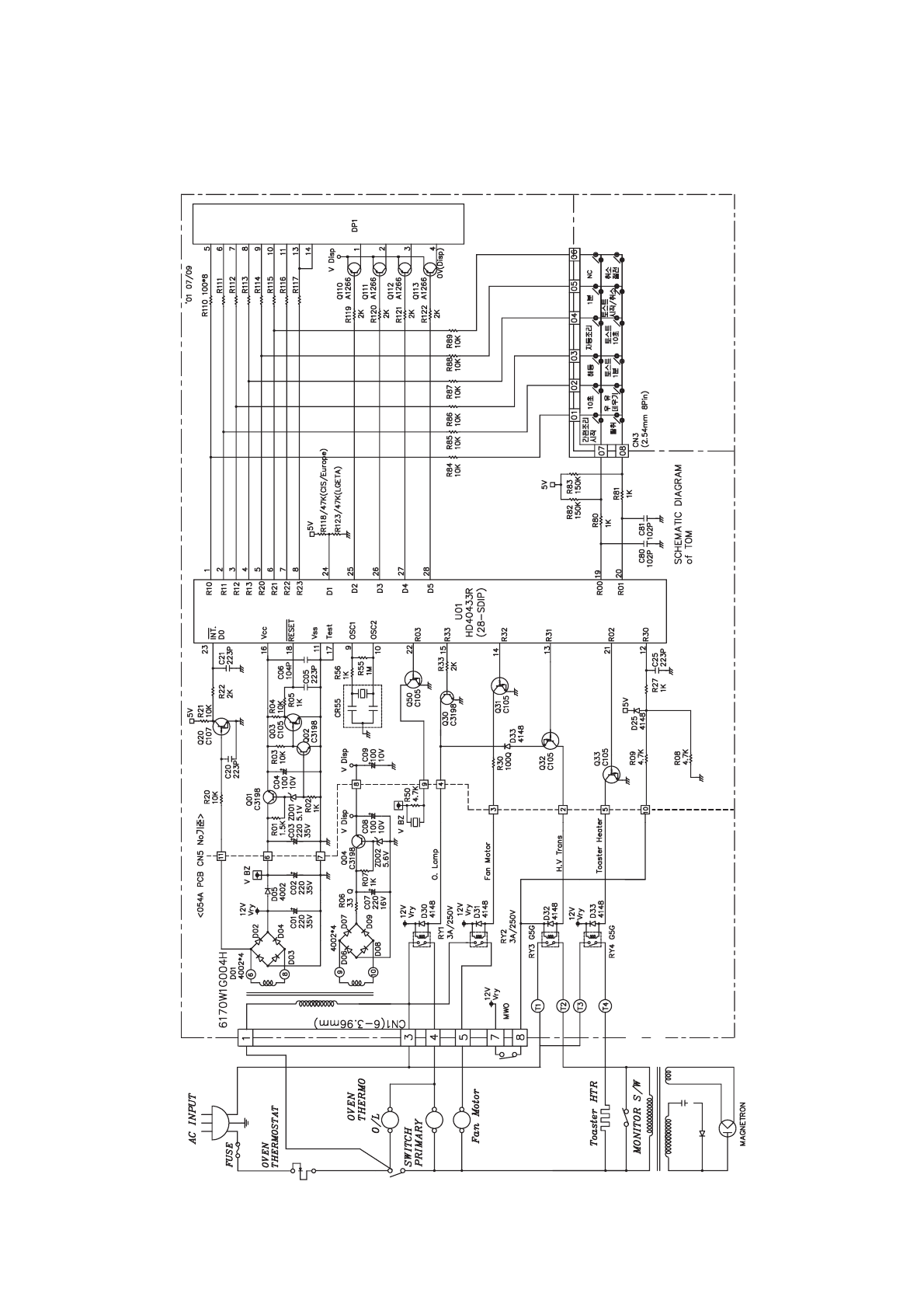
ПРИНЦИПИАЛЬНАЯ ЭЛЕКТРИЧЕСКАЯ СХЕМА
Содержание
- 2 МЕРЫ БЕЗОПАСНОСТИ; ВНИМАНИЕ; МИКРОВОЛНОВОЕ ИЗЛУЧЕНИЕ
- 3 СОДЕРЖАНИЕ
- 4 ТЕХНИЧЕСКИЕ ХАРАКТЕРИСТИКИ
- 5 МЕРЫ ПРЕДОСТОРОЖНОСТИ
- 6 ПОДГОТОВКА К ЭКСПЛУАТАЦИИ; УСТАНОВКА
- 7 ИНСТРУКЦИЯ ПО ЭКСПЛУАТАЦИИ; ОБЩЕЕ УСТРОЙСТВО
- 8 УСТАНОВКА ФУНКЦИЙ И РЕЖИМОВ РАБОТЫ; АВТОРАЗМОРАЖИВАНИЕ
- 10 ОПИСАНИЕ СХЕМЫ РАБОТЫ ЦЕПИ
- 11 ИНФОРМАЦИЯ ПО ОБСЛУЖИВАНИЮ; ИНСТРУМЕНТЫ И ИЗМЕРИТЕЛЬНЫЕ ПРИБОРЫ; НЕОБХОДИМЫЕ ИНСТРУМЕНТЫ
- 12 НЕ ПРИКАСАЙТЕСЬ К ДЕТАЛЯМ,
- 13 А. СНЯТИЕ НАРУЖНОГО КОРПУСА
- 14 D. СНЯТИЕ ДВЕРЦЫ В СБОРЕ; E. СНЯТИЕ ВЫСОКОВОЛЬТНОГО
- 17 ПРОВЕРКА ЦЕПИ БЛОКИРОВКИ
- 18 ПРОВЕРКА ИСПРАВНОСТИ КОМПОНЕНТОВ
- 22 УСТРАНЕНИЕ НЕИСПРАВНОСТЕЙ; НЕИСПРАВНОСТЬ; ПРИЧИНА
- 36 СПИСОК ЗАПЧАСТЕЙ
Характеристики
Остались вопросы?Не нашли свой ответ в руководстве или возникли другие проблемы? Задайте свой вопрос в форме ниже с подробным описанием вашей ситуации, чтобы другие люди и специалисты смогли дать на него ответ. Если вы знаете как решить проблему другого человека, пожалуйста, подскажите ему :)
Часто задаваемые вопросы
Как посмотреть инструкцию к LG MD-2643G (GC)?
Необходимо подождать полной загрузки инструкции в сером окне на данной странице
Руководство на русском языке?
Все наши руководства представлены на русском языке или схематично, поэтому вы без труда сможете разобраться с вашей моделью
Как скопировать текст из PDF?
Чтобы скопировать текст со страницы инструкции воспользуйтесь вкладкой "HTML"