Материнские платы GIGABYTE GA P55 UD3L TPM rev 1 0 - инструкция пользователя по применению, эксплуатации и установке на русском языке. Мы надеемся, она поможет вам решить возникшие у вас вопросы при эксплуатации техники.
Если остались вопросы, задайте их в комментариях после инструкции.
"Загружаем инструкцию", означает, что нужно подождать пока файл загрузится и можно будет его читать онлайн. Некоторые инструкции очень большие и время их появления зависит от вашей скорости интернета.

- 9 -
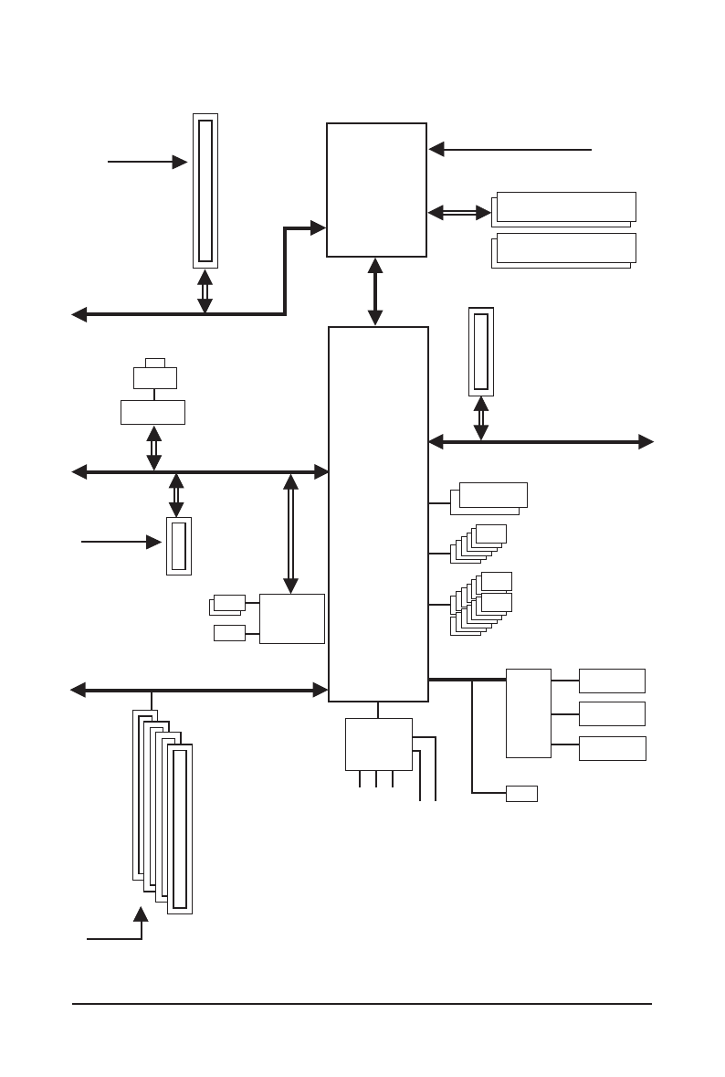
Block Diagram
PCIe CLK
(100 MHz)
x16
1 PCI Express x16
PS/2 KB/Mouse
LGA1156
CPU
DMI
Interface
4 PCI
PCI Bus
PCI CLK
(33 MHz)
PCI Express Bus
CPU CLK+/- (133 MHz)
6 SATA 3Gb/s
Dual BIOS
14 USB Ports
DDR3 2200/1333/1066/800 MHz
Dual Channel Memory
PCI Express Bus
COM Port
LPC Bus
IT8720
PCIe CLK
(100 MHz)
1 PCI Express x1
PCI Express Bus
x1
ATA-133/100/66/33 IDE Channel
2 SATA 3Gb/s
x1
GIGABYTE
SATA2
x1
LAN
RJ45
RTL8111D
x4
1 PCI Express x4
Floppy
Line-Out (Front Speaker Out)
MIC (Center/Subwoofer Speaker Out)
Line-In (Rear Speaker Out)
S/PDIF In S/PDIF Out
CODEC
Intel
®
P55
TPM
j
j
Only for GA-P55-UD3L-TPM.