Материнские платы GIGABYTE GA GC230D rev 1 0 - инструкция пользователя по применению, эксплуатации и установке на русском языке. Мы надеемся, она поможет вам решить возникшие у вас вопросы при эксплуатации техники.
Если остались вопросы, задайте их в комментариях после инструкции.
"Загружаем инструкцию", означает, что нужно подождать пока файл загрузится и можно будет его читать онлайн. Некоторые инструкции очень большие и время их появления зависит от вашей скорости интернета.

- 8 -
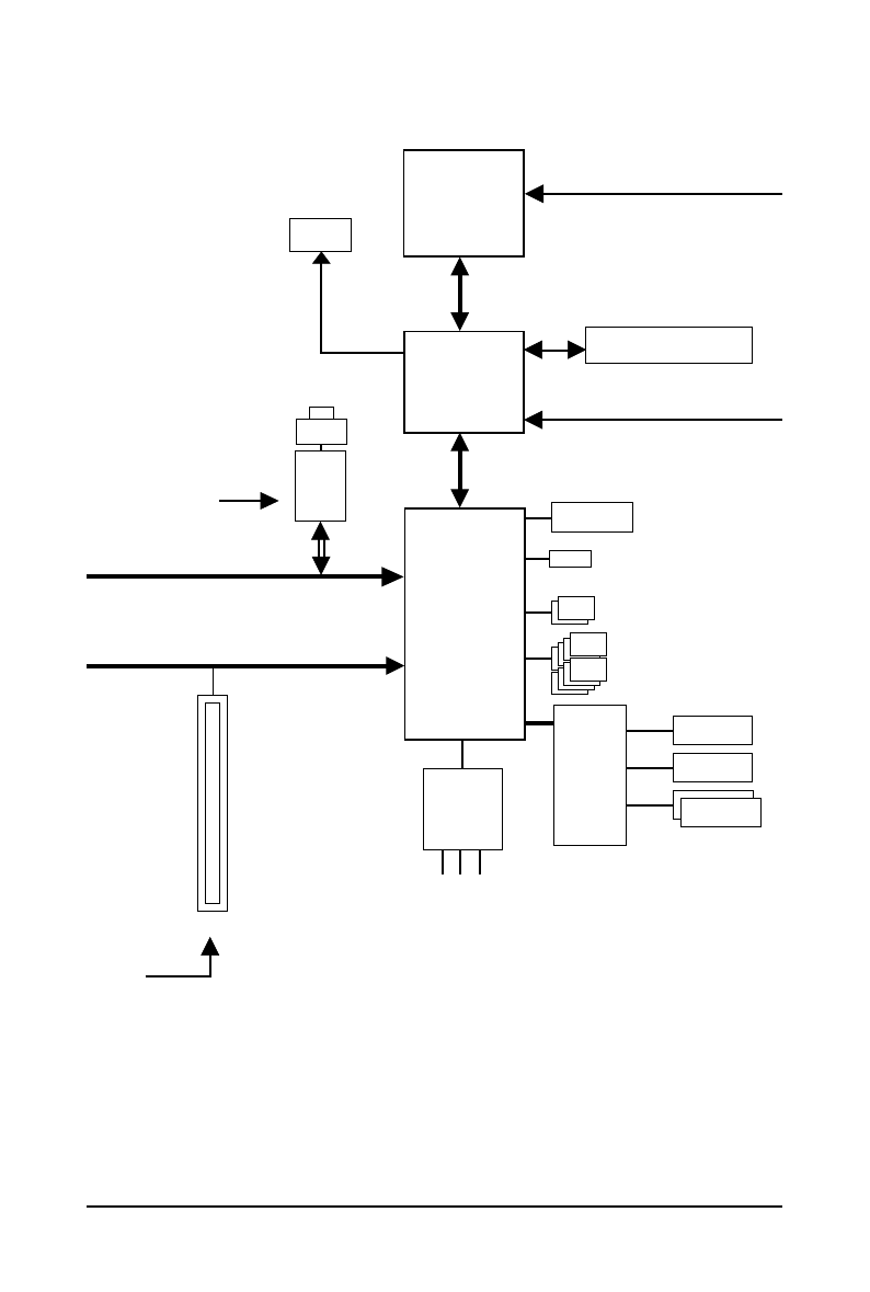
Block Diagram
Intel
®
Atom
TM
230
Processor
Host
Interface
Intel
®
945GC
GMCH CLK
(133 MHz)
Intel
®
ICH7
BIOS
PCI
PCI Bus
2 SATA 3Gb/s
PCI CLK
(33 MHz)
8 USB Ports
IT8718
PS/2 KB/Mouse
LPT Port
CPU CLK+/-
(133 MHz)
D-Sub
Line-Out(Front Speaker Out)
Line-In(Rear Speaker Out)
CODEC
ATA-100/66/33 IDE Channel
COM Port
DDR2 533/400 MHz
MIC (Center/Subwoofer Speaker Out)
PCI Express Bus
x 1
R T L
8101E
LAN
RJ45
PCIe CLK
(100 MHz)