Материнские платы GIGABYTE GA 8S648FX 775 C - инструкция пользователя по применению, эксплуатации и установке на русском языке. Мы надеемся, она поможет вам решить возникшие у вас вопросы при эксплуатации техники.
Если остались вопросы, задайте их в комментариях после инструкции.
"Загружаем инструкцию", означает, что нужно подождать пока файл загрузится и можно будет его читать онлайн. Некоторые инструкции очень большие и время их появления зависит от вашей скорости интернета.

- 7 -
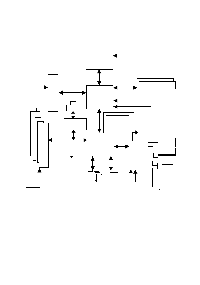
Block Diagram
(
*
)
Only for GA-8S648FX-775.
LGA775
Processor
SiS 648FX
AC97
CODEC
SiS 964
CPUCLK+/- (200/133 MHz)
Host
Interface
DDR
266/333/400 MHz
ZCLK (66/133MHz)
HCLK+/- (200/133MHz)
66/133 MHz
33 MHz
14.318 MHz
48 MHz
24 MHz
33 MHz
LPC BUS
AGP 4X/8X
AGPCLK
(66MHz)
5 PCI
PCICLK
(33MHz)
AC97 Link
MIC
LINE-IN
LINE-OUT
8 USB
Ports
ATA33/66/100/133
IDE Channels
Floppy
LPT Port
PS/2
KB/Mouse
COM
Ports
BIOS
IT8705
IR
ICS 1883
(
*
)
RJ45
(
*
)



