Магнитолы Pioneer DEH-P9600MP - инструкция пользователя по применению, эксплуатации и установке на русском языке. Мы надеемся, она поможет вам решить возникшие у вас вопросы при эксплуатации техники.
Если остались вопросы, задайте их в комментариях после инструкции.
"Загружаем инструкцию", означает, что нужно подождать пока файл загрузится и можно будет его читать онлайн. Некоторые инструкции очень большие и время их появления зависит от вашей скорости интернета.

8
Установка аппарата
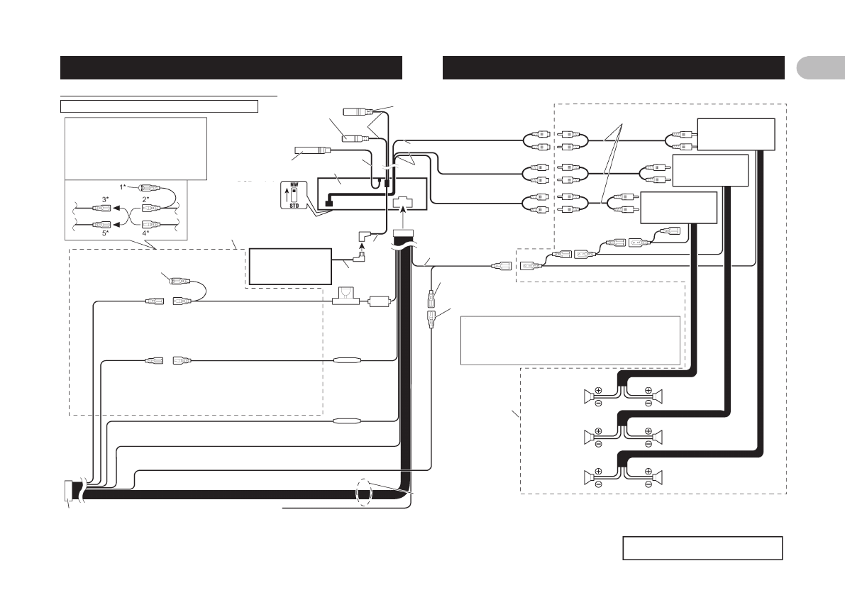
Схема соединений для режима 3-полосной схемы
Аппарат соответствует новым цветам проводов.
Примечание
В зависимости от типа автомобиля функ-
ции проводов 3* и 5* могут быть разны-
ми. В таком случае обязательно соединяй-
те 2* с 5* и 4* с 3*.
Разъем для
подключения
телефона («TEL»)
См. инструкцию к гарнитуре
«hands free» телефонного аппарата
(продается отдельно)
15 см
Разъем для антенны
15 см
Данный аппарат
Переключатель DSP
Переключите его в пози-
цию, указанную ниже
Соединяйте провода одинакового
цвета друг с другом.
Вход шины IP-BUS
(синий)
15 см
Кабель шины
IP-BUS
Многодисковый
CD-плейер (продается
отдельно)
Крышка (1*)
Когда разъем не используется,
не снимайте крышку.
Желтый (3*)
Резервный
(или аксессуары)
Желтый (2*)
К клемме, которая всегда находится под
напряжением независимо от положения
замка зажигания.
Гнездо
предохранителя
Резистор
предохранителя
Красный (5*)
Аксессуары
(или резервный)
Красный (4*)
К клемме, управляемой операциями
ВКЛЮЧЕНИЯ/ВЫКЛЮЧЕНИЯ замка
зажигания (12 В пост. тока)
Резистор
предохранителя
Оранжево-белый
К клемме выключателя освещения
Черный (заземление)
На массу (к металлическому корпусу автомобиля)
Разъем стандарта ISO
Примечание
В некоторых автомобилях разъем стандарта
ISO может быть разделен на два. В таком
случае подключайте к обоим разъемам.
Желто-черный
Если пользуетесь сотовым телефоном, то подключите его
при помощи провода функции «Audio Mute» [Отключение
звука аудиосистемы] на сотовом телефоне. Если не
пользуетесь, оставьте провод «Audio Mute» свободным от
соединений.
Провода акустических систем
Белый:
(+) левой АС полосы высоких частот
Бело-черный:
(–) левой АС полосы высоких частот
Серый:
(+) правой АС полосы высоких частот
Серо-черный:
(–) правой АС полосы высоких частот
Зеленый:
(+) левой АС полосы средних частот
Черно-зелен.:
(–) левой АС полосы средних частот
Фиолетовый:
(+) правой АС полосы средних частот
Черно-фиолет.: (–) правой АС полосы средних частот
Выполните эти
соединения в случае
использования
дополнительного
усилителя.
АС полосы
низких частот
АС полосы
низких частот
АС полосы
средних частот
АС полосы
средних частот
АС полосы
высоких частот
АС полосы
высоких частот
Левый канал
Правый канал
Распределение штыревых контактов разъема ISO будет разным в
зависимости от типа автомобиля. Соединяйте 6* и 7*, когда шты-
ревой контакт 5 относится к управлению антенной. В автомобиле
иного типа никогда не соединяйте 6* и 7*.
Сине-белый (6*)
Сине-белый (7*)
К разъему релейного управления автоматической антенной
(макс. 300 мА, 12 В пост. тока).
Дистанционное управление системой
Усилитель мощности
(продается отдельно)
Усилитель мощности
(продается отдельно)
Усилитель мощности
(продается отдельно)
Соединительные кабели со штекерами
RCA (продаются отдельно)
Разъем для кабельного дистанционного
управления
Пожалуйста, смотрите инструкцию к
устройству кабельного дистанционного
управлению (продается отдельно).
23 см
15 см
Сине-белый
К разъему дистанционного управления
системой на усилителе мощности
(макс. 300 мА, 12 В пост. тока).
Для подключения АС полосы низких частот не-
обходим внешний усилитель.
Содержание
- 4 Установка с использованием резиновой втулки; Приборная панель; Снятие аппарата; Установка аппарата; Примечания
- 5 Задний монтажный узел стандарта DIN; Прикрепите аппарат к фабричному радиомонтажному кронштейну.
- 7 Схема соединений для стандартного режима; Аппарат соответствует новым цветам проводов.
- 8 Схема соединений для режима 3-полосной схемы
- 9 Прежде чем Вы приступите к эксплуатации аппарата; Защищайте аппарат от влаги.; Воспроизведение компакт-дисков
- 10 Избегайте чрезмерных толчков передней панели.
- 11 Перезагрузка микропроцессора; Установка батарейки; При использовании в первый раз удалите пленку, торчащую из лотка.; Пользование пультом ДУ; Дисплейные индикации
- 12 О демонстрационных режимах; Обратите внимание; Нажатие цифровой кнопки; О формах отображения информации на основном дисплее; Форма номер 1
- 13 Средства управления
- 14 Включение/выключение питания; Включение аппарата
- 15 Выключение аппарата; Тюнер; Прослушивание радиопередач; Показывает, на какую частоту настроен тюнер.; (3) Индикатор номера предварительной настройки; Показывает, какая предварительная настройка выбрана.; «SOURCE»; лее индикацию; «Tuner»
- 17 Сохранение в памяти частот самых мощных радиостанций
- 19 Прием дорожно-транспортных сообщений
- 20 Использование функций «PTY» [Код типа программы]
- 22 Воспроизведение компакт-диска
- 26 Использование функций CD TEXT
- 27 Выбор треков из списка названий треков
- 28 Прямой выбор трека в текущей папке
- 31 Выбор метода поиска
- 33 Многодисковый CD-плейер
- 37 Использование функций названий дисков
- 39 Выбор дисков или треков из списка названий; Последовательно нажимайте кнопку; Звуковые настройки; Режимы работы
- 44 О функции частотных контуров; на граничную частоту не выше 100 Гц.
- 46 Использование выхода канала сабвуфера
- 47 Использование фильтра высоких частот
- 48 Использование автоматического эквалайзера
- 51 Настройка уровней источников звука
- 53 Исходные настройки; Процедуры регулирования исходных настроек
- 58 Прочие функции
- 60 Введение в операции управления DAB-тюнером
- 62 Введение в операции управления DVD-плейером
- 63 Пояснение сообщений об ошибках встроенного CD-плейера
- 64 CD-плейер и уход за ним; Когда не пользуетесь дисками, храните их в футлярах.; Дополнительная информация; li
- 65 Файлы формата MP3, WMA и WAV
- 66 Списки воспроизведения m3u не поддерживаются.; Дополнительная информация о файлах WMA; Данный аппарат не поддерживает следующие форматы:; Дополнительная информация о файлах WAV
- 67 Режим 3-полосной схемы
- 68 Технические термины; Скорость передачи двоичных данных; «Joliet»: Имена файлов могут содержать до 64 символов.; MS ADPCM; Настройка синхронизации по времени
- 69 Технические характеристики; DIN
- 70 Сабвуфер; Тюнер диапазона «FM» [Частотная модуляция]