Магнитолы Pioneer DEH-P9600MP - инструкция пользователя по применению, эксплуатации и установке на русском языке. Мы надеемся, она поможет вам решить возникшие у вас вопросы при эксплуатации техники.
Если остались вопросы, задайте их в комментариях после инструкции.
"Загружаем инструкцию", означает, что нужно подождать пока файл загрузится и можно будет его читать онлайн. Некоторые инструкции очень большие и время их появления зависит от вашей скорости интернета.

7
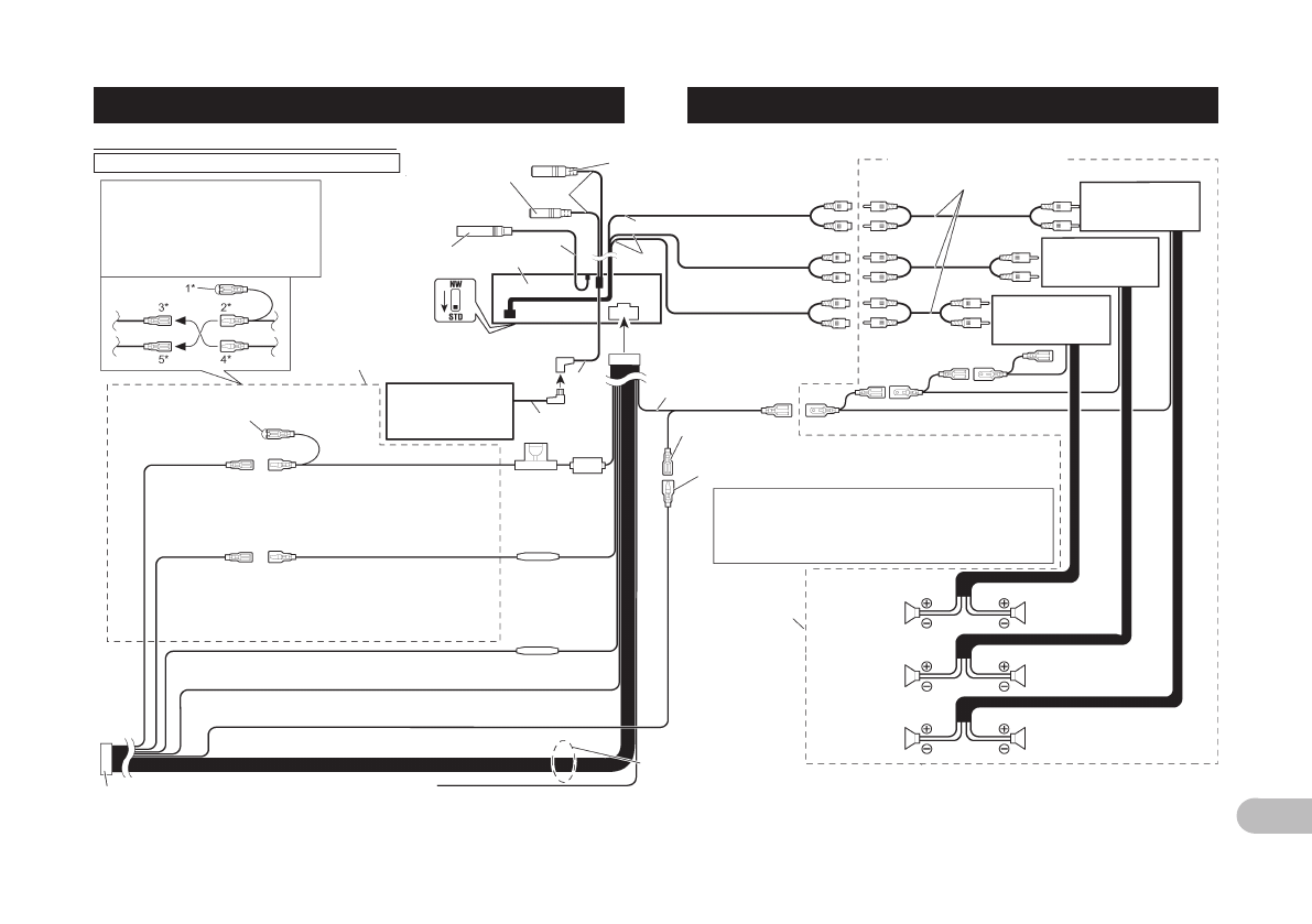
Схема соединений для стандартного режима
Установка аппарата
Аппарат соответствует новым цветам проводов.
Примечание
В зависимости от типа автомобиля функ-
ции проводов 3* и 5* могут быть разны-
ми. В таком случае обязательно соединяй-
те 2* с 5* и 4* с 3*.
Разъем для
подключения
телефона («TEL»)
См. инструкцию к гарнитуре
«hands free» телефонного аппарата
(продается отдельно)
15 см
Разъем для антенны
15 см
Данный аппарат
Переключатель DSP
Переключите его в пози-
цию, указанную ниже
Соединяйте провода одинакового
цвета друг с другом.
Вход шины IP-BUS
(синий)
15 см
Кабель шины
IP-BUS
Многодисковый
CD-плейер (продается
отдельно)
Крышка (1*)
Когда разъем не используется,
не снимайте крышку.
Желтый (3*)
Резервный
(или аксессуары)
Желтый (2*)
К клемме, которая всегда находится под
напряжением независимо от положения
замка зажигания.
Гнездо
предохранителя
Резистор
предохранителя
Красный (5*)
Аксессуары
(или резервный)
Красный (4*)
К клемме, управляемой операциями
ВКЛЮЧЕНИЯ/ВЫКЛЮЧЕНИЯ замка
зажигания (12 В пост. тока)
Резистор
предохранителя
Оранжево-белый
К клемме выключателя освещения
Черный (заземление)
На массу (к металлическому корпусу автомобиля)
Разъем стандарта ISO
Примечание
В некоторых автомобилях разъем стандарта
ISO может быть разделен на два. В таком
случае подключайте к обоим разъемам.
Желто-черный
Если пользуетесь сотовым телефоном, то подключите его
при помощи провода функции «Audio Mute» [Отключение
звука аудиосистемы] на сотовом телефоне. Если не
пользуетесь, оставьте провод «Audio Mute» свободным от
соединений.
Провода акустических систем
Белый:
(+) фронтальной левой АС
Бело-черный:
(–) фронтальной левой АС
Серый:
(+) фронтальной правой АС
Серо-черный:
(–) фронтальной правой АС
Зеленый:
(+) тыловой левой АС
Черно-зеленый:
(–) тыловой левой АС
Фиолетовый:
(+) тыловой правой АС
Черно-фиолетовый: (–) тыловой правой АС
Выполните эти
соединения в случае
использования
дополнительного
усилителя.
Сабвуфер
Сабвуфер
Тыловая АС
Тыловая АС
Фронтальная АС
Фронтальная АС
Левый канал
Правый канал
Распределение штыревых контактов разъема ISO будет разным в
зависимости от типа автомобиля. Соединяйте 6* и 7*, когда шты-
ревой контакт 5 относится к управлению антенной. В автомобиле
иного типа никогда не соединяйте 6* и 7*.
Сине-белый (6*)
Сине-белый (7*)
К разъему релейного управления автоматической антенной
(макс. 300 мА, 12 В пост. тока).
Дистанционное управление системой
Усилитель мощности
(продается отдельно)
Усилитель мощности
(продается отдельно)
Усилитель мощности
(продается отдельно)
Соединительные кабели со штекерами
RCA (продаются отдельно)
Разъем для кабельного дистанционного
управления
Пожалуйста, смотрите инструкцию к
устройству кабельного дистанционного
управлению (продается отдельно).
23 см
15 см
Выход канала
сабвуфера («LOW/
SUBWOOFER OUTPUT»)
Выход тылового канала
(«MID/REAR OUTPUT»)
Выход фронтального канала
(«HIGH/FRONT OUTPUT»)
Сине-белый
К разъему дистанционного управления
системой на усилителе мощности
(макс. 300 мА, 12 В пост. тока).
Содержание
- 4 Установка с использованием резиновой втулки; Приборная панель; Снятие аппарата; Установка аппарата; Примечания
- 5 Задний монтажный узел стандарта DIN; Прикрепите аппарат к фабричному радиомонтажному кронштейну.
- 7 Схема соединений для стандартного режима; Аппарат соответствует новым цветам проводов.
- 8 Схема соединений для режима 3-полосной схемы
- 9 Прежде чем Вы приступите к эксплуатации аппарата; Защищайте аппарат от влаги.; Воспроизведение компакт-дисков
- 10 Избегайте чрезмерных толчков передней панели.
- 11 Перезагрузка микропроцессора; Установка батарейки; При использовании в первый раз удалите пленку, торчащую из лотка.; Пользование пультом ДУ; Дисплейные индикации
- 12 О демонстрационных режимах; Обратите внимание; Нажатие цифровой кнопки; О формах отображения информации на основном дисплее; Форма номер 1
- 13 Средства управления
- 14 Включение/выключение питания; Включение аппарата
- 15 Выключение аппарата; Тюнер; Прослушивание радиопередач; Показывает, на какую частоту настроен тюнер.; (3) Индикатор номера предварительной настройки; Показывает, какая предварительная настройка выбрана.; «SOURCE»; лее индикацию; «Tuner»
- 17 Сохранение в памяти частот самых мощных радиостанций
- 19 Прием дорожно-транспортных сообщений
- 20 Использование функций «PTY» [Код типа программы]
- 22 Воспроизведение компакт-диска
- 26 Использование функций CD TEXT
- 27 Выбор треков из списка названий треков
- 28 Прямой выбор трека в текущей папке
- 31 Выбор метода поиска
- 33 Многодисковый CD-плейер
- 37 Использование функций названий дисков
- 39 Выбор дисков или треков из списка названий; Последовательно нажимайте кнопку; Звуковые настройки; Режимы работы
- 44 О функции частотных контуров; на граничную частоту не выше 100 Гц.
- 46 Использование выхода канала сабвуфера
- 47 Использование фильтра высоких частот
- 48 Использование автоматического эквалайзера
- 51 Настройка уровней источников звука
- 53 Исходные настройки; Процедуры регулирования исходных настроек
- 58 Прочие функции
- 60 Введение в операции управления DAB-тюнером
- 62 Введение в операции управления DVD-плейером
- 63 Пояснение сообщений об ошибках встроенного CD-плейера
- 64 CD-плейер и уход за ним; Когда не пользуетесь дисками, храните их в футлярах.; Дополнительная информация; li
- 65 Файлы формата MP3, WMA и WAV
- 66 Списки воспроизведения m3u не поддерживаются.; Дополнительная информация о файлах WMA; Данный аппарат не поддерживает следующие форматы:; Дополнительная информация о файлах WAV
- 67 Режим 3-полосной схемы
- 68 Технические термины; Скорость передачи двоичных данных; «Joliet»: Имена файлов могут содержать до 64 символов.; MS ADPCM; Настройка синхронизации по времени
- 69 Технические характеристики; DIN
- 70 Сабвуфер; Тюнер диапазона «FM» [Частотная модуляция]