Магнитолы Pioneer AVH-X8700BT - инструкция пользователя по применению, эксплуатации и установке на русском языке. Мы надеемся, она поможет вам решить возникшие у вас вопросы при эксплуатации техники.
Если остались вопросы, задайте их в комментариях после инструкции.
"Загружаем инструкцию", означает, что нужно подождать пока файл загрузится и можно будет его читать онлайн. Некоторые инструкции очень большие и время их появления зависит от вашей скорости интернета.

< CRB4495-A >
30
Глава
75
Ru
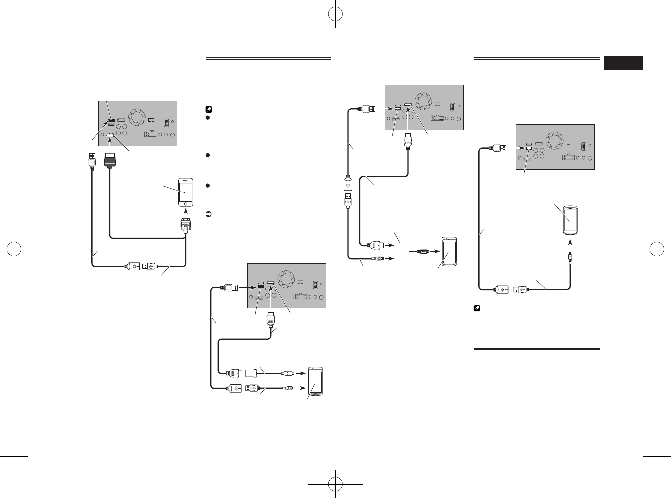
■
Подключение через RGB-вход
Для подсоединения необходим интер
-
фейсный USB-кабель для iPod / iPhone
(CD-IU201S) (продается отдельно).
RGB-вход
USB-кабель
1,5 м
iPhone с
30-штырьковым
разъемом
(продается отдельно)
Интерфейсный USB-кабель для iPod / iPhone
(CD-IU201S) (продается отдельно)
Данное изделие
USB-порт 1
Подключение устройства
Android™
Для подсоединения необходим комплект
кабелей для подключения смартфона
(CD-AH200) (продается отдельно).
Примечания
Подробную информацию о подключе
-
нии внешнего устройства с помощью
кабеля, приобретаемого дополни
-
тельно, см. в руководстве по эксплуа
-
тации кабеля.
Подробную информацию о подклю
-
чении, управлении и совместимости
устройства Android см. в разделе
Глава 5.
При использовании высокоскорост
-
ного кабеля HDMI
®
надежно зафик
-
сируйте его с помощью хомута для
кабеля.
Подробную информацию см. в раз
-
деле Фиксация высокоскоростного
кабеля HDMI
®
на стр. 75.
■
Подключение устройства Android
через HDMI-порт
USB-кабель
1,5 м
Устройство Android
Кабель с адаптером
(тип HDMI A - D)
(оснащен CD-AH200)
Высокоскоростной
кабель HDMI
®
(тип А-А)
(оснащен CD-AH200)
Кабель USB - micro USB
(тип USB A - micro USB B)
(оснащен CD-AH200)
Данное изделие
USB-порт 2
HDMI-порт
■
Подключение устройства Android
через MHL-порт
USB-кабель
1,5 м
Высокоскоростной кабель
HDMI
®
(тип А-А)
(оснащен CD-AH200)
Кабель USB - micro USB
(тип USB A - micro USB B)
(оснащен CD-AH200)
Адаптер MHL
(оснащен CD-AH200)
Данное изделие
USB-порт 2
HDMI-порт
Устройство Android
Подключение устройства
Android или MirrorLink™
Для подключения необходим кабель
USB, совместимый с устройствами
Android или MirrorLink™ (CD-MU200)
(продается отдельно).
USB-кабель
1,5 м
Кабель USB - micro USB
(тип USB A - micro USB B)
(оснащен CD-MU200)
Устройство Android или MirrorLink
Данное изделие
USB-порт 2
Примечание
Подробную информацию о подключении
внешнего устройства с помощью кабеля,
приобретаемого дополнительно, см. в
руководстве по эксплуатации кабеля.
Фиксация высокоскоростного
кабеля HDMI
®
При подключении внешнего устройства
с помощью высокоскоростного кабеля
HDMI
®
обязательно зафиксируйте высо
-
коскоростной кабель HDMI
®
с помощью
хомута для кабеля.
1 Подсоедините высокоскорост
-
ной кабель HDMI
®
к HDMI-порту.
Содержание
- 6 Меры предосторожности; ЛАЗЕРНЫЙ ПРОДУКТ КЛАСС 1; Важные сведения о; Для обеспечения безопасности
- 8 Основные операции
- 9 Замечания по работе с; ПРЕДУПРЕЖДЕНИЕ; Регулировка угла ЖК-панели; ВНИМАНИЕ
- 10 Начало и прекращение работы; Настройка смартфона; Обычный запуск
- 11 Как пользоваться экранами; Переключение экранов с использованием клавиш сенсорной панели; Совместимые AV-источники; Отображение экрана управле; Нажмите кнопку HOME, чтобы
- 13 Регистрация и подсо; Bluetooth; Подготовка средств связи; Память переполнена
- 16 Отображение версии про; Использование теле; Отображение меню телефона
- 18 Прием входящего звонка
- 19 Использование функции рас; Настройка iPod / iPhone
- 21 Информация о подключении и функциях отдельных устройств; iPod / iPhone с разъемом Lightning
- 22 Использование радио
- 25 Использование
- 29 Left; Воспроизведение сжа; Отображает список источников.
- 30 Чтение экрана
- 34 Воспроизведение
- 35 Использование iPod
- 37 Установка диапазона повторного
- 39 Использование клавиш сен
- 40 Использование режима
- 42 Использование Android Auto
- 44 Использование функции мик; Использование Aha
- 45 Использование аудио
- 47 Использование источ
- 49 Клавиши сенсорной панели
- 50 Системные настройки
- 51 Настройка постоянной
- 53 Настройка входа второй
- 56 Настройки звука
- 57 Использование регулировки
- 58 Регулировка фильтра
- 60 Использование эквалайзера
- 61 Автоматическая регулировка
- 62 Меню тем; Выбор фонового изображения
- 63 Выбор тематического цвета
- 64 Репликация настроек; Настройка; Настройка приоритетных
- 65 Настройка отображения значка
- 67 Меню “Избранное”
- 68 Стандартные операции
- 69 Настройка функции защиты от
- 70 Меры
- 71 Чтобы избежать повреждений
- 72 Подключение силового шнура; Примечание; Android Auto
- 73 Подключение к отдельно приобретенному усилителю мощности; Подключение iPhone, iPod, устройства Android или устройства; Устройство Android
- 75 Подключение через RGB-вход; Подключение устройства Android; Подсоедините высокоскорост
- 76 Подключение камеры заднего; Подключение внешнего
- 77 OK; При использовании заднего дис; Установка; Рекомендации по установке
- 79 Установка микрофона
- 80 Приложение; Поиск и устранение неисправностей; AV вход
- 81 HOME; Сообщения об ошибках; Ошибка усилителя
- 84 Обращение и уход за дисками
- 85 Воспроизводимые диски; CD; Подробная информация о
- 86 Последовательность аудиофайлов на
- 89 Пример иерархической структуры; iPod и iPhone
- 90 iTunes
- 91 экран
- 92 Технические характеристики