Магнитолы Panasonic CQ-D5501N - инструкция пользователя по применению, эксплуатации и установке на русском языке. Мы надеемся, она поможет вам решить возникшие у вас вопросы при эксплуатации техники.
Если остались вопросы, задайте их в комментариях после инструкции.
"Загружаем инструкцию", означает, что нужно подождать пока файл загрузится и можно будет его читать онлайн. Некоторые инструкции очень большие и время их появления зависит от вашей скорости интернета.

62
Подключение электрических проводов
(продолжение)
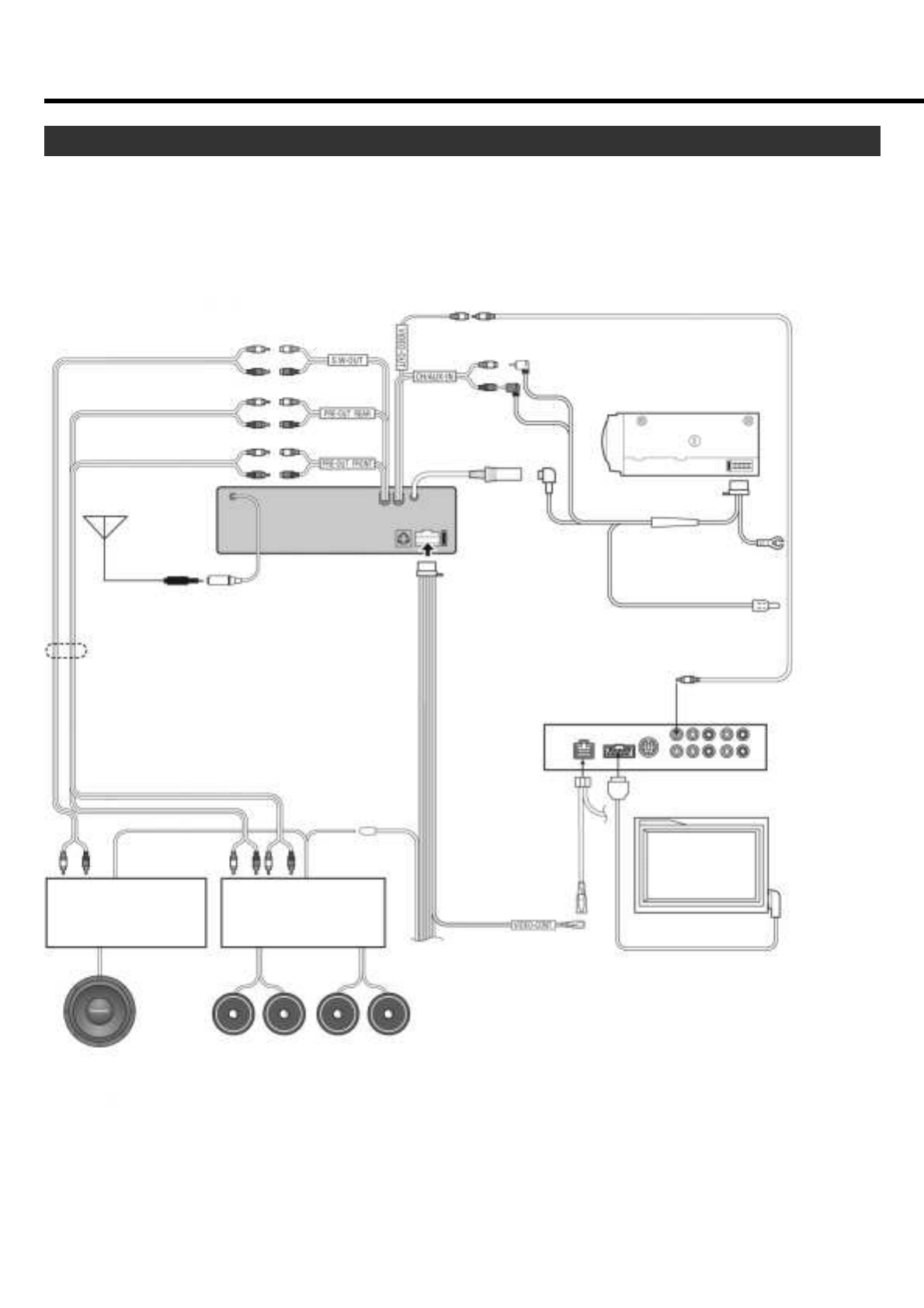
Подключение к CD-чейнджеру (CX-DP880N, приобретается отдельно).
Примечание
Дополнительно ознакомьтесь с инструкциями по эксплуатации подключаемых устройств.
Подключение к CD-чейнджеру (CX-DP880N)
(белый)
(красный)
(Л) (белый)
(П) (красный)
(Л) (белый)
(П) (красный)
CD-чейнджер
CX-DP880N
(приобретается отдельно)
Кабель расширения
(DIN/BATT/RCA/GND)
Провод заземления
Подсоединяется к зачищенному
металлическому участку шасси
автомобиля.
Аккумуляторный провод
К автомобильному
аккумулятору, непрерывная
подача +12 В постоянного тока
Видеовход VIDEO-IN
(желтый)
Видеовыход VIDEO-OUT
(желтый)
Кабель RCA
(поставляется с CQ-D5501N)
(Л) (белый)
Кабель RCA
CH/AUX-IN
(П) (красный)
Кабель стандарта DIN
Соединитель питания
Внешний 2-канальный
усилитель мощности
(приобретается отдельно)*
Внешний 4-канальный
усилитель мощности
(приобретается отдельно)
Сабвуфер CJ-HD303N
* Для использования в качестве монофонического усилителя (мостовое соединение) (приобретается отдельно).
Провод управления
питанием внешнего
усилителя
К внешнему усилителю
(синий с белой полосой)
Выход сабвуфера SW-OUT
(монофонический)
Выход предусилителя
PRE-OUT
(тыловой)
Выход предусилителя
PRE-OUT
(фронтальный)
CQ-D5501N
DVD-плеер/ресивер
Кабель RCA
(приобретается отдельно)
Выход предусилителя PRE-OUT (фронтальный/тыловой)
Правая
Левая
Тыловые акустические
системы CJ-DA6920N
Правая
Левая
Фронтальные акустические
системы CJ-DA1700N
Провод для управления
видеосигналом (входным)
(зеленый с желтой полосой)
Цветной ЖК-дисплей
CY-VM1500EX
(приобретается отдельно)
Содержание
- 2 Информация по технике безопасности; Соблюдайте следующие правила эксплуатации:
- 3 При работе с батареями пульта ДУ:
- 4 Лазерное устройство
- 5 Аксессуары
- 6 Общая информация
- 7 Апгрейд системы; Базовая система
- 8 Воспроизводимые диски; Тип диска
- 9 Отмена демонстрационного режима; Установка типа телевизора; Подготовка к эксплуатации; Пульт дистанционного управления
- 10 Органы управления основного устройства
- 11 Источники сигнала
- 12 Функции основного устройства; Как открыть переднюю панель; Как закрыть переднюю панель
- 13 Установка часов
- 14 Функции пульта ДУ; Основные операции
- 16 Радио; Режим радио; Изменение режимов индикации дисплея
- 17 Предустановка станций; Предустановка станций вручную
- 18 СТ — служба точного времени
- 20 Включение/выключение режима ТА
- 21 Режим PTY (прием программ заданного типа); Выбор PTY; Предустановка PTY
- 22 Другие функции PTY
- 23 Прием экстренных сообщений; Другие функции RDS
- 24 Установка диска; Выгрузка диска; Перед началом воспроизведения диска
- 26 Когда диск загружен в плеер; Выбор папки
- 28 Замечания о формате MP3; Информация на дисплее
- 29 Запись файлов в формате МР3 на компакт-диск
- 31 Функции, доступные только с пульта ДУ; Покадровое воспроизведение; Субтитры
- 34 Изменение отображения; Выбор диска; Функции управления CD-чейнджером
- 36 Установка параметров звуковоспроизведения; Громкость
- 38 Баланс и фейдер
- 40 Установка функциональных параметров
- 42 Внешнее приглушение звука
- 44 Функция безопасности
- 46 Установка пользовательских параметров; Отображение главного меню; Выберите параметр меню
- 50 Список кодов языков
- 51 Глоссарий
- 52 Система предотвращения кражи; Снятие лицевой панели; Установка съемной лицевой панели
- 54 Руководство по инсталляции; Как инсталлировать устройство
- 55 Чтобы демонтировать устройство
- 56 Провода; Перед подключением проводов
- 57 Подключение соединительного провода стояночного тормоза
- 58 Базовое подсоединение; Подключение электрических проводов
- 63 Завершение инсталляции
- 64 Поиск и устранение неисправностей; Если Вы подозреваете наличие какой-либо неисправности; Неисправности и проблемы общего характера
- 66 Система RDS
- 67 CD
- 69 Индикация ошибок на дисплее
- 71 Технические характеристики