Магнитолы Panasonic CQ-D5501N - инструкция пользователя по применению, эксплуатации и установке на русском языке. Мы надеемся, она поможет вам решить возникшие у вас вопросы при эксплуатации техники.
Если остались вопросы, задайте их в комментариях после инструкции.
"Загружаем инструкцию", означает, что нужно подождать пока файл загрузится и можно будет его читать онлайн. Некоторые инструкции очень большие и время их появления зависит от вашей скорости интернета.

60
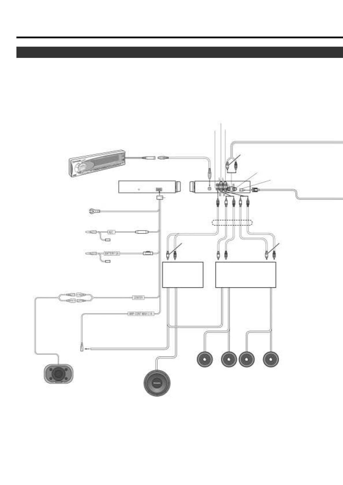
Подключение электрических проводов
(продолжение)
Подключение к цифровому процессору окружающего звучания (CY-AC300EX)
Цифровой процессор окружающего звучания
(
CY-AC300EX
,
приобретается отдельно)
CY-AC300EX
Основное устройство
(задняя панель)
Провод заземления
Подсоединяется к зачищенному металлическому участку
(черный)
шасси автомобиля.
Провод питания
К источнику питания АСС, +12 В постоянного тока
(красный)
Резистор (220 Ом)
Аккумуляторный провод
(желтый)
К автомобильному аккумулятору,
непрерывная подача +12 В постоянного тока
Предохранитель (5 А)
(зеленый с черной полосой)
Провод центральной
акустической системы
(черный)
(синий с белой полосой)
Провод управления
питанием внешнего
усилителя
К внешнему усилителю
Провод управления питанием внешнего усилителя
К внешнему усилителю
(синий с белой полосой)
(подсоединяется к AMP-CONT)
Центральная акустическая система
Сабвуфер CJ-HD303N
ЕАВ-СF2 (приобретается отдельно)
* Для использования в качестве монофонического усилителя (мостовое соединение) (приобретается отдельно).
Подключение к цифровому процессору окружающего звучания (CY-AC300EX, приобретается отдельно), усилителю мощности
(приобретается отдельно) и мониторам.
Примечание
Дополнительно ознакомьтесь с инструкциями по эксплуатации подключаемых устройств.
Провод управления
питанием внешнего
усилителя. К внешнему
усилителю
(синий с белой полосой)
Правая
Левая
Внешний 2-каналь-
ный усилитель
мощности (приоб-
ретается отдельно)*
Внешний 4-канальный уси-
литель мощности (приобре-
тается отдельно)
Кабель RCA
(приобретается отдельно)
(Л) (белый)
(П) (красный)
АНАЛОГОВЫЙ ВХОД
ЦИФРОВОЙ ВХОД
Оптико-волоконный кабель
(CA-LRD60, приобретается отдельно)
Кабель RCA
(приобретается отдельно)
Сабвуферный
Фронтальный
Тыловой
(Передняя
панель)
Соединитель питания
(поставляется с CY-AC300EX)
(когда используется
Y-образный кабель)
(Л) (белый)
(Л) (белый)
(П) (красный)
(Л) (белый)
(П) (красный)
(П) (красный)
Соединительный кабель стандарта DIN
для подключения рабочего устройства /
основного устройства
(поставляется с CY-AC300EX)
Тыловые акустические
системы CJ-DA6920N
Правая
Левая
Фронтальные акустические
системы CJ-DA1700N
Содержание
- 2 Информация по технике безопасности; Соблюдайте следующие правила эксплуатации:
- 3 При работе с батареями пульта ДУ:
- 4 Лазерное устройство
- 5 Аксессуары
- 6 Общая информация
- 7 Апгрейд системы; Базовая система
- 8 Воспроизводимые диски; Тип диска
- 9 Отмена демонстрационного режима; Установка типа телевизора; Подготовка к эксплуатации; Пульт дистанционного управления
- 10 Органы управления основного устройства
- 11 Источники сигнала
- 12 Функции основного устройства; Как открыть переднюю панель; Как закрыть переднюю панель
- 13 Установка часов
- 14 Функции пульта ДУ; Основные операции
- 16 Радио; Режим радио; Изменение режимов индикации дисплея
- 17 Предустановка станций; Предустановка станций вручную
- 18 СТ — служба точного времени
- 20 Включение/выключение режима ТА
- 21 Режим PTY (прием программ заданного типа); Выбор PTY; Предустановка PTY
- 22 Другие функции PTY
- 23 Прием экстренных сообщений; Другие функции RDS
- 24 Установка диска; Выгрузка диска; Перед началом воспроизведения диска
- 26 Когда диск загружен в плеер; Выбор папки
- 28 Замечания о формате MP3; Информация на дисплее
- 29 Запись файлов в формате МР3 на компакт-диск
- 31 Функции, доступные только с пульта ДУ; Покадровое воспроизведение; Субтитры
- 34 Изменение отображения; Выбор диска; Функции управления CD-чейнджером
- 36 Установка параметров звуковоспроизведения; Громкость
- 38 Баланс и фейдер
- 40 Установка функциональных параметров
- 42 Внешнее приглушение звука
- 44 Функция безопасности
- 46 Установка пользовательских параметров; Отображение главного меню; Выберите параметр меню
- 50 Список кодов языков
- 51 Глоссарий
- 52 Система предотвращения кражи; Снятие лицевой панели; Установка съемной лицевой панели
- 54 Руководство по инсталляции; Как инсталлировать устройство
- 55 Чтобы демонтировать устройство
- 56 Провода; Перед подключением проводов
- 57 Подключение соединительного провода стояночного тормоза
- 58 Базовое подсоединение; Подключение электрических проводов
- 63 Завершение инсталляции
- 64 Поиск и устранение неисправностей; Если Вы подозреваете наличие какой-либо неисправности; Неисправности и проблемы общего характера
- 66 Система RDS
- 67 CD
- 69 Индикация ошибок на дисплее
- 71 Технические характеристики