Магнитолы Alpine IVA-W520R - инструкция пользователя по применению, эксплуатации и установке на русском языке. Мы надеемся, она поможет вам решить возникшие у вас вопросы при эксплуатации техники.
Если остались вопросы, задайте их в комментариях после инструкции.
"Загружаем инструкцию", означает, что нужно подождать пока файл загрузится и можно будет его читать онлайн. Некоторые инструкции очень большие и время их появления зависит от вашей скорости интернета.

83
-RU
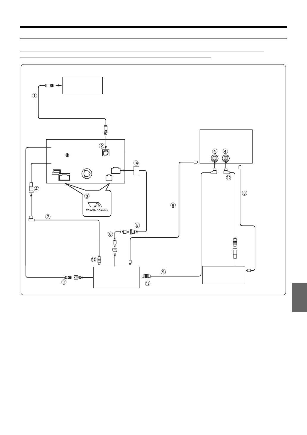
Пример системы
Подключите совместимый с шиной Ai-NET аудиопроцессор (поддерживающий цифровое оптическое
подключение), систему навигации, проигрыватель DVD-дисков и CD-чейнджер.
При использовании оптического кабеля соблюдайте следующие меры предосторожности (Оптический цифровой кабель).
•
Не скручивайте оптический кабель витками с радиусом менее 30 мм.
•
Не устанавливайте предметы на оптический кабель.
•
Не сгибайте оптический кабель под острым углом.
Система навигации
(приобретается
дополнительно)
NVE-M300P и т.д.
Аудиопроцессор (Ai-NET)
(поддерживающий цифровое
оптическое подключение)
(приобретается
дополнительно)
Входной цифровой
оптический разъем
(для проигрывателя
DVD-дисков)
Кабель Ai-NET
Входной цифровой
оптический разъем
(для чейнджера)
*
Оптический
кабель
Кабель
Ai-NET
CD-чейнджер
(Ai-NET)
(приобретается
дополнительно)
*
Подключайте только совместимый с цифровым
оптическим входом чейнджер
Видеопроигрыватель
DVD-дисков (Ai-NET)
(DVA-5210 и т.д.)
(приобретается
дополнительно)
Оптический
кабель
REMOTE IN
REMOTE OUT
(Белый/
коричневый)
(Белый/
коричневый)
(Желтый)
Кабель Ai-NET
Содержание
- 3 PYCСКИЙ; Содержание; ПРЕДУПРЕЖДЕНИЕ; Диски, воспроизводимые на этом; Приступая к работе
- 5 Загрузка данных
- 6 Информация; Установка и соединения
- 7 Руководство по использованию; НЕ РАЗБИРАТЬ И НЕ ИЗМЕНЯТЬ.
- 8 МЕРЫ ПРЕДОСТОРОЖНОСТИ
- 9 Принадлежности для дисков; Диски, воспроизводимые на; Воспроизводимые диски
- 10 ALL
- 11 Терминология, использующаяся при описании дисков; Название; Обращение с USB-накопителями
- 12 Использование портативного аудиоплеера
- 14 Загрузка/извлечение диска; Нажмите; Настройка угла просмотра монитора; ] в разделе TILT для; Настройка уровня громкости; Отрегулируйте уровень, нажимая
- 15 Как просматривать изображение; Работа с сенсорными кнопками
- 16 Коснитесь требуемой цифровой кнопки.; Выбор стиля дисплея
- 17 Радио
- 18 Прием информации о трафике; Режим RDS SETUP; Работа RDS
- 19 В режиме CD коснитесь и удерживайте кнопку
- 20 Воспроизведение; Приостановка воспроизведения; Многократное воспроизведение; воспроизводить текущий фрагмент.
- 22 Терминология; DVD
- 23 Воспроизведение диска; Отображение экрана режима DVD
- 24 Операции ввода с цифровой клавиатуры; Отображение экрана главного меню
- 26 REPEAT
- 27 Переключение субтитров (язык; Выберите пункт меню для его подтверждения.; Отображение состояния диска DVD; Во время воспроизведения коснитесь экрана.; Информация о дисках DivX; Поддерживаются следующие системы записи звука.
- 28 Настройка звука; Настройка баланса фронт-тыл; Другие полезные
- 29 Функция поиска
- 30 Внутренний режим проигрывателя CD; Функция вывода изображения на; Переключение режимов экрана
- 31 Переключение только визуального; Коснитесь требуемого визуального источника.; Включение и выключение режима; изменить настройки требуемого элемента.; Отмена синхронной работы; Настройка; Настройка DVD
- 32 Изменение настроек языка
- 33 Настройка режима экрана ТВ
- 34 Операция настройки радио; настройки требуемого элемента.; Настройка радио; Отображение времени RDS
- 35 Операция настройки дисплея; Режим PI SEEK; Настройка дисплея
- 36 Настройка яркости экрана подсветки
- 37 Операция настройки Visual EQ; Visual EQTM; Настройка яркости
- 38 Операция общей настройки; Настройка оттенка цвета изображения; Общая настройка; Отображение времени
- 39 Настройка времени; Настройка летнего времени; Настройка прокрутки; Изменение языка отображения шрифта
- 40 Операция настройки системы; Настройка системы
- 41 Настройка режима имени AUX; Переключение системы входного видеосигнала; Настройка входа камеры заднего вида; Настройка режима навигации; Настройка прерывания навигации; Настройка режима AUX
- 42 Настройка вывода изображения
- 43 имя требуемого файла.
- 44 Процедура настройки Dolby Surround; Процедура настройки; Настройка A.PROCESSOR; ] после выбора значения
- 45 Настройка компрессора низких частот; чтобы выбрать требуемый режим.; Настройка регулировки низких частот
- 46 Установите значение временной коррекции
- 48 Настройка уровня динамиков (OUTPUT LEVEL); Настройка динамиков
- 49 требуемого режима настройки.; Сохранение настроек в памяти; Настройка уровня DVD
- 50 Настройка режима MultEQ
- 52 Настройка уровня; Настройка крутизны раздела; Выбор диапазона
- 54 Настройка системы сабвуфера; чтобы установить значение ON или OFF.; выбрать значение 0° или 180°.; Информация о временной коррекции; Настройка уровня сабвуфера
- 55 Информация о кроссовере
- 56 Нажмите кнопку VISUAL на устройстве.
- 57 Включение системы навигации; Работа с дополнительным устройством; Навигационная
- 58 Работа с устройством TUE-T200DVB
- 60 чтобы выбрать требуемый раздел.; Переносной
- 61 ] после касания кнопки; Поиск нужной композиции; Выберите требуемого исполнителя.; Поиск по имени исполнителя
- 63 выбрать требуемую композицию.
- 64 Функция прямого поиска; Воспроизведение в случайном; Коснитесь кнопки [ALL
- 65 Информация о дисках DVD
- 66 DTS; Dolby Pro Logic II; Уровни рейтинга (защита от просмотра детьми)
- 70 При возникновении трудностей
- 72 Индикация для DVD
- 73 CURRENT ERROR
- 75 Технические характеристики; МОНИТОР; CLASS 1
- 76 Предупреждение; ВЫПОЛНЯЙТЕ ПРАВИЛЬНЫЕ ПОДКЛЮЧЕНИЯ.; КОЛЕСОМ ИЛИ РЫЧАГОМ ПЕРЕКЛЮЧЕНИЯ СКОРОСТЕЙ.; Осторожно
- 77 Установка; Угол установки
- 78 Использование уплотнения; Установка лицевой панели
- 80 Соединения
- 82 ISO-разъем источника питания
- 83 Пример системы
- 84 Входной разъем камеры AUX I/O
- 85 Входной разъем CAMERA; Используется при подключении камеры заднего хода.