Магнитолы Alpine IVA-D800R - инструкция пользователя по применению, эксплуатации и установке на русском языке. Мы надеемся, она поможет вам решить возникшие у вас вопросы при эксплуатации техники.
Если остались вопросы, задайте их в комментариях после инструкции.
"Загружаем инструкцию", означает, что нужно подождать пока файл загрузится и можно будет его читать онлайн. Некоторые инструкции очень большие и время их появления зависит от вашей скорости интернета.

89
-RU
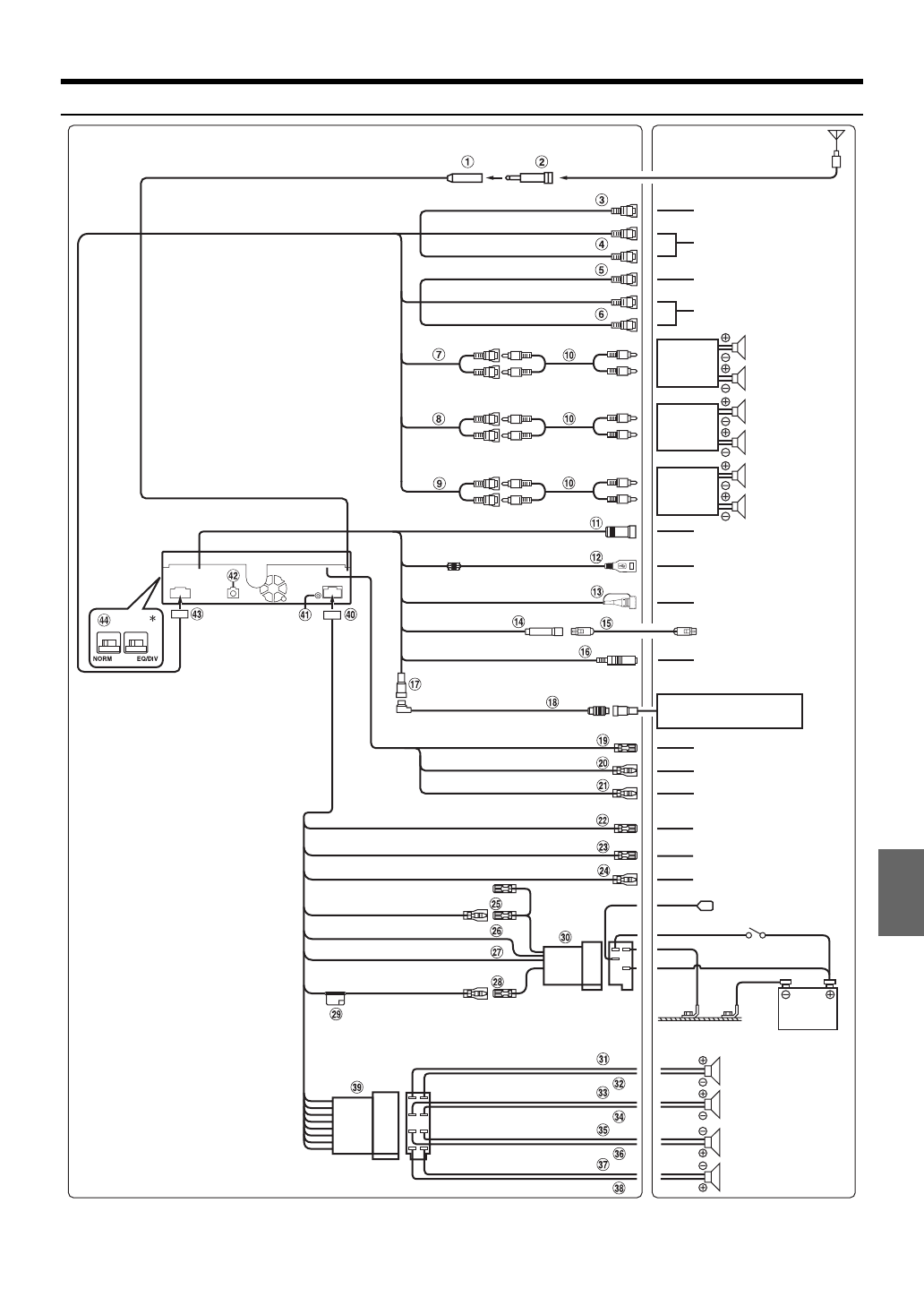
Соединения
•
П
ереведите переключатель системы в положение “NORM” при подключении только чейнджера (если не используется совместимый с шиной Ai-NET эквалайзер).
Если подключен аудиопроцессор IMPRINT, выберите положение EQ/DIV.
* Переключатели системы находятся на правой стороне устройства (если смотреть на переднюю панель).
(Красный)
К выходному проводу ДУ
Чейнджер компакт-дисков
(приобретается дополнительно)
Сабвуфер
Сабвуфер
Сабвуфер
Тыловой левый
Тыловой правый
Фронт. левый
Фронт. правый
Усилитель
К разъемам выхода
аудиосигнала (П, Л)
К разъемам входа
аудиосигнала (П, Л)
К разъему
видеовыхода
К разъему
видеовхода
(Белый)
(Желтый)
(Красный)
(Белый)
(Желтый)
К плюсовой клемме
сигнального провода лампочки
заднего хода автомобиля
REMOTE IN (белый/коричневый)
REMOTE OUT (белый/коричневый)
К блоку интерфейсу
рулевого пульта ДУ
К интерфейсному блоку
BLUETOOTH INTERFACE (KCE-400BT)
(приобретается дополнительно)
К камере заднего вида,
например HCE-C107D и т.д.
К USB-накопителю/
переносному аудиоплееру
или iPod/iPhone
К системе навигации
Антенна
Антенный ISO-разъем
К телефону автомобиля
К питанию антенны
REVERSE (оранжевый/белый)
К усилителю или эквалайзеру
Батарея
Замок зажигания
Фронтальный левый
Тыловой левый
Тыловой правый
Фронтальный правый
Динамики
(синий/белый)
(Синий)
(розовый/черный)
(желтый/синий)
(Желтый)
(Черный)
(Красный)
(Зеленый)
(Зеленый/черный)
(Белый/черный)
(Серый)
(Фиолетовый/черный)
(Фиолетовый)
ВХОДНОЙ ПРЕРЫВАТЕЛЬ
ЗВУКА
УДАЛЕННОЕ ВКЛЮЧЕНИЕ
СТОЯНОЧНЫЙ ТОРМОЗ
ACC
Заземление
ПИТАНИЕ АНТЕННЫ
БАТАРЕЯ
(Серый/черный)
(Белый)
К входному проводу ДУ
К сигнальному проводу
стояночного тормоза
Содержание
- 3 РУССКИЙ; эксплуатации; ПРЕДУПРЕЖДЕНИЕ; Диски, воспроизводимые на этом; Приступая к работе
- 7 Инструкция по эксплуатации; НЕ РАЗБИРАТЬ И НЕ ИЗМЕНЯТЬ.
- 9 Диски, воспроизводимые; Воспроизводимые диски
- 10 ALL
- 11 Терминология дисков; Заглавие; Обращение с USB-накопителями; ВНИМАНИЕ
- 12 Обращение с переносным аудиоплеером
- 13 Комплектация
- 14 Инициализация системы; Открытие и закрытие монитора
- 15 Настройка уровня громкости; Нажмите кнопку SOURCE/; Работа с сенсорной панелью
- 16 Нажмите необходимую цифровую кнопку.
- 17 Прослушивание радио; Радио
- 18 Прием информации о ситуации; Работа RDS
- 19 Режим RDS SETUP; Режим приоритетного приема новостей
- 20 Воспроизведение; Приостановка воспроизведения; Повторное воспроизведение; воспроизведения текущей звуковой дорожки.
- 21 случайной последовательности)
- 22 Терминология
- 23 Воспроизведение диска; Отображение экрана режима DVD; Меры предосторожности
- 24 В случае отображения экрана меню
- 25 Коснитесь кнопки [TOP MENU] на основном экране; Поиск по программе; Отображение экрана главного меню
- 26 Остановка воспроизведения; вернуться к нормальному воспроизведению.; Во время воспроизведения нажмите кнопку [; Во время воспроизведения нажмите кнопку
- 27 Замедленное воспроизведение; Выбор папки
- 29 Нажмите кнопку PAGE [; Выберите элемент меню для его подтверждения.
- 30 Информация о дисках DivX; Настройка звука
- 34 Режим штатного CD-проигрывателя; Функция одновременного
- 35 Отмена функции “Simultaneous”; Настройка
- 36 Изменение настроек языка
- 39 Изменение настроек экрана ТВ
- 40 Коснитесь строки заголовка Source Setup.; Отображение времени RDS; Настройка источника; Настройка радио
- 41 Регулировка уровней сигналов источников; Настройка PI Seek; Коснитесь строки заголовка Display Setup.; Настройка дисплея; Изменение угла наклона монитора
- 42 Настройка подсветки дисплея; Выбор цвета подсветки шрифта
- 43 Операция настройки Visual EQ; Visual EQTM; Настройка яркости
- 44 Коснитесь строки заголовка General Setup.; Общие настройки
- 45 Настройка времени; Настройка летнего времени; Переключение на русский шрифт
- 46 Коснитесь строки заголовка System Setup.; Системные настройки; Настройка режима прерывания; Переключение функции датчика ДУ
- 47 Настройка режима навигации; Настройка прерывания навигации; Настройка режима AUX
- 48 Переключение системы входного видеосигнала; Настройка цифрового выхода
- 49 Настройка режима MultEQ; Коснитесь строки заголовка IMPRINT Setup.; Настройка акустических параметров; Коснитесь строки заголовка Audio Setup.; Работа с; Выполните действия 1-4, чтобы выбрать один из
- 50 система
- 51 Настройка единиц временной
- 52 Сохранение настроек в памяти
- 53 Информация о временной коррекции; Находясь в точке прослушивания (сиденье; переднее левое сиденье
- 54 Частота раздела
- 55 Процедура настройки; ] или строки заголовка
- 56 Настройка компрессора низких частот; Настройка регулировки низких частот
- 57 Настройка кроссовера
- 58 Регулировка фазы; Настройка динамиков
- 59 Настройка уровней динамиков (Output Level); Выберите характеристику динамика с помощью; Настройка Dolby Digital
- 60 Настройка перед использованием; Настройка уровня DVD
- 61 Настройка BLUETOOTH; Операция настройки BLUETOOTH
- 62 Настройка режима поиска; О функции телефона “Свободные руки”
- 63 Прием вызова; Завершение вызова; Функция повторного набора; Во время вызова коснитесь кнопки; Журнал вызовов
- 65 Фу; Повторный вызов аудиоисточника BLUETOOTH; Выбор нужной композиции; Пауза; ] для перехода на экран выбора; Использование BLUETOOTH Audio
- 66 Навигационная система; Использование с док-станцией; Дополнительное
- 67 Операции с
- 68 дисков (приобретается
- 69 Коснитесь кнопки BANK [
- 70 Нажмите поочередно кнопки; Поиск нужной композиции; Коснитесь строки заголовка Artists.; Поиск по имени исполнителя
- 71 Выбор нужной папки
- 72 выбрать требуемую композицию.
- 73 Коснитесь строки заголовка; Функция прямого поиска
- 74 Воспроизведение в случайном
- 76 О дисках DVD; Несколько аудиодорожек; Информация; Диски DVD
- 77 Dolby Digital; DTS; Dolby Pro Logic II; Уровни рейтинга (защита от просмотра детьми)
- 84 Индикаторы в режиме iPod
- 85 Технические характеристики; CLASS 1
- 86 Установка и соединения; Предупреждение
- 87 Установка; Установка монитора; Удаление; Осторожно
- 88 Установка с помощью кронштейна автомобиля.
- 89 Соединения
- 92 Пример системы; Переключатель систем
- 95 Разъем RCA видеовхода/входа камеры