Магнитолы Alpine INE-W920R - инструкция пользователя по применению, эксплуатации и установке на русском языке. Мы надеемся, она поможет вам решить возникшие у вас вопросы при эксплуатации техники.
Если остались вопросы, задайте их в комментариях после инструкции.
"Загружаем инструкцию", означает, что нужно подождать пока файл загрузится и можно будет его читать онлайн. Некоторые инструкции очень большие и время их появления зависит от вашей скорости интернета.

104
-RU
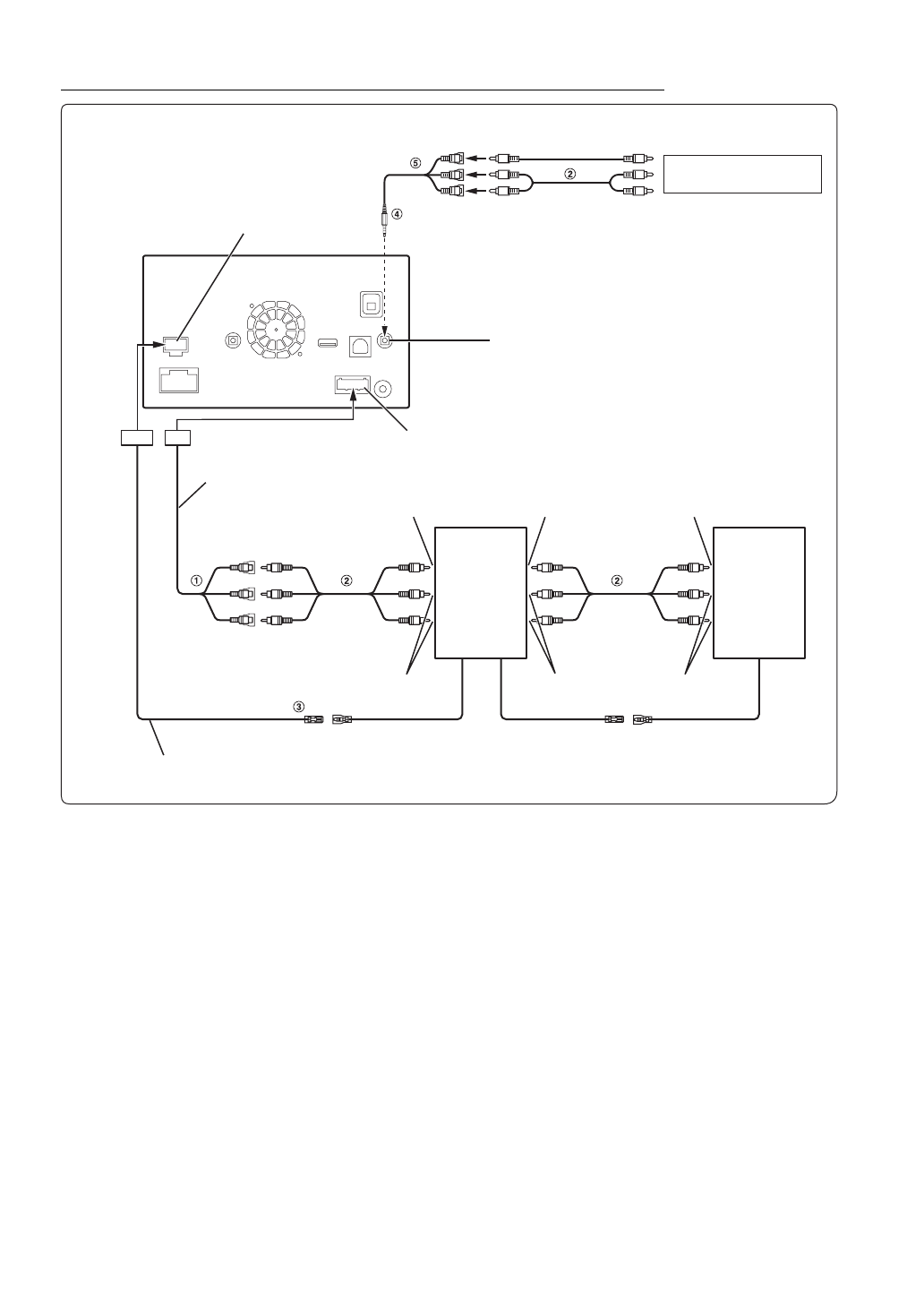
Подключение мобильного цифрового ТV приемника /USB-плеера и DVD-чейнджера
1
Разъемы видео/аудиовходов (AUX INPUT)
2
Кабельный удлинитель RCA (приобретается
дополнительно)
3
Выходной кабель дистанционного управления
(Коричневый)
Подключите этот выход к входу дистанционного
управления. Этот разъем используется для вывода
управляющих сигналов дистанционного управления.
4
Интерфейсный кабель AV/RCA (4-полюсный
миниразъем AV к разъему 3-RCA) (приобретается
дополнительно)
5
Разъемы видео/аудиовходов
ЖЕЛТЫЙ – видеовход, КРАСНЫЙ - правый аудиовход,
БЕЛЫЙ – левый аудиовход.
•
Есть возможность подключить еще одно внешнее устройство, только если для параметра “Имя ист. 1” установлено
значение “DVB-T” или “USB-проигрыватель”. См.“Настройка 1 имени источника AUX (настройка AUX)” (стр. 55).
•
Чтобы подключить внешнее устройство к разъему iPod VIDEO, установите для параметра “Выбор AUX3” значение
“AUX3.” См. “Настройка AUX3” (стр. 55).
Разъем камеры
Разъем AUX/PRE OUT
Кабель AUX/PRE OUT
(Желтый)
(Красный)
(Белый)
Входной разъем VIDEO устройства iPod
К разъему
аудиовхода
Мобильный
цифровой ТВ
приемник
(приобретается
дополнительно)
или
USB-плеер
(приобретается
дополнительно)
Кабель камеры
REMOTE OUT
(Коричневый)
REMOTE IN
(Белый/Коричневый)
REMOTE OUT
(Белый/Коричневый)
REMOTE IN
(Белый/Коричневый)
К разъему видеовыхода
К разъему аудиовыхода
К разъему видеовыхода
К разъему
аудиовыхода
DVD-чейнджер
(приобретается
дополнительно)
К разъему видеовыхода
DVD-плеер
(приобретается
дополнительно)
К разъему аудиовыхода
К разъему видеовхода
DVE-5207 и др.
Содержание
- 3 РУССКИЙ; Содержание; МЕРЫ ПРЕДОСТОРОЖНОСТИ; Общие функции
- 4 Операция настройки
- 6 Настройка камеры; Работа с устройствами BLUETOOTH; Функция телефона Hands-Free; Дополнительное устройство
- 8 Инструкция по эксплуатации; ВАЖНАЯ ИНФОРМАЦИЯ, ПЕРЕД; МЕРЫ; ПРЕДУПРЕЖДЕНИЕ
- 9 НЕ РАЗБИРАТЬ И НЕ ИЗМЕНЯТЬ.; ВНИМАНИЕ
- 10 ПРИМЕЧАНИЕ
- 11 Принадлежности для дисков; Диски, воспроизводимые; Воспроизводимые диски
- 12 ALL
- 13 Терминология дисков; Обращение с USB-накопителями
- 15 Свойства
- 16 О двойном экране
- 17 Положение отображения двойного экрана
- 18 Приступая к работе
- 19 Включение системы
- 20 Загрузка/извлечение диска; Настройка уровня громкости; Загрузка диска
- 23 Использование My Favorites; Регистрация пользователя
- 24 Настройка My Favorites; Добавление My Favorites
- 25 Редактирование My Favorites
- 26 Настройка i-Personalize
- 28 Переключение источников; Переключение отображения; Функция отключения экрана
- 29 Управление касанием; Выбор пункта в списке; О дисплее индикатора
- 30 Прослушивание радио; Автоматическая предварительная; Вызов предварительно; Радио
- 31 Прием информации о ситуации; RDS
- 33 Воспроизведение; Повторное воспроизведение
- 34 Поиск из текста CD
- 36 Воспроизведение диска; DVD
- 37 В случае отображения экрана меню
- 39 Поиск нужного видеофайла
- 40 Переключение угла просмотра; Выбор языка звуковой дорожки
- 41 Настройка языка; Настройка; Настройки формата
- 42 Настройки экрана/подсветки; Настройка кода безопасности; Настройка подсветки дисплея
- 43 Визуальная настройка; Изменение цвета дисплея
- 45 Настройка установки; Операции настройки звука; Инициализация системы; Настройка звука
- 46 Настройка уровня MX (Media; Настройка баланса/фейдера; Настройка фазы сабвуфера
- 47 Предварительные настройки; Настройка кривой
- 52 Настройка диска; Настройка источника; Изменение настроек языка
- 53 Настройка языка субтитров; Изменение режима настроек экрана ТВ
- 54 Настройка радио; Настройка Поиска PI
- 55 Настройка AUX; Настройка RSE; Настройка режима AUX; Настройка AUX3
- 56 Операция настройки BLUETOOTH; Настройка BLUETOOTH
- 57 Настройка автоподключения
- 58 Настройка громкости приема
- 59 Операции настройки камеры; Настройка камеры прямого; Настройка входа камеры
- 60 Настройка камеры Aux
- 62 Настройка перед использованием; Работа с; О BLUETOOTH
- 63 Прием вызова; Настройка громкости рингтона
- 64 Функция повторного набора
- 65 Функция телефонной книги; Согласование телефонной книги
- 66 Аудио BLUETOOTH
- 67 Выбор группы
- 68 Работа внешнего DVD-плеера; Дополнительное
- 70 Работа ТВ приемника; Переключение в режим TV
- 72 Работа камеры заднего вида
- 74 Работа передней камеры
- 75 Работа камеры другого типа
- 77 Воспроизведение в случайном; Поиск по тегу
- 78 Выбор нужной папки
- 80 Поиск аудиофайла
- 82 О дисках DVD; Информация
- 89 Технические характеристики
- 90 НЕ ЯВЛЯЕТСЯ ОТКАЗОУСТОЙЧИВЫМ.; CLASS 1
- 93 РЕГУЛИРУЮЩЕЕ ЗАКОНОДАТЕЛЬСТВО
- 94 Установка и соединения; Предупреждение
- 98 Соединения
- 102 Пример системы