Магнитолы Alpine INE-S900R - инструкция пользователя по применению, эксплуатации и установке на русском языке. Мы надеемся, она поможет вам решить возникшие у вас вопросы при эксплуатации техники.
Если остались вопросы, задайте их в комментариях после инструкции.
"Загружаем инструкцию", означает, что нужно подождать пока файл загрузится и можно будет его читать онлайн. Некоторые инструкции очень большие и время их появления зависит от вашей скорости интернета.

145
-RU
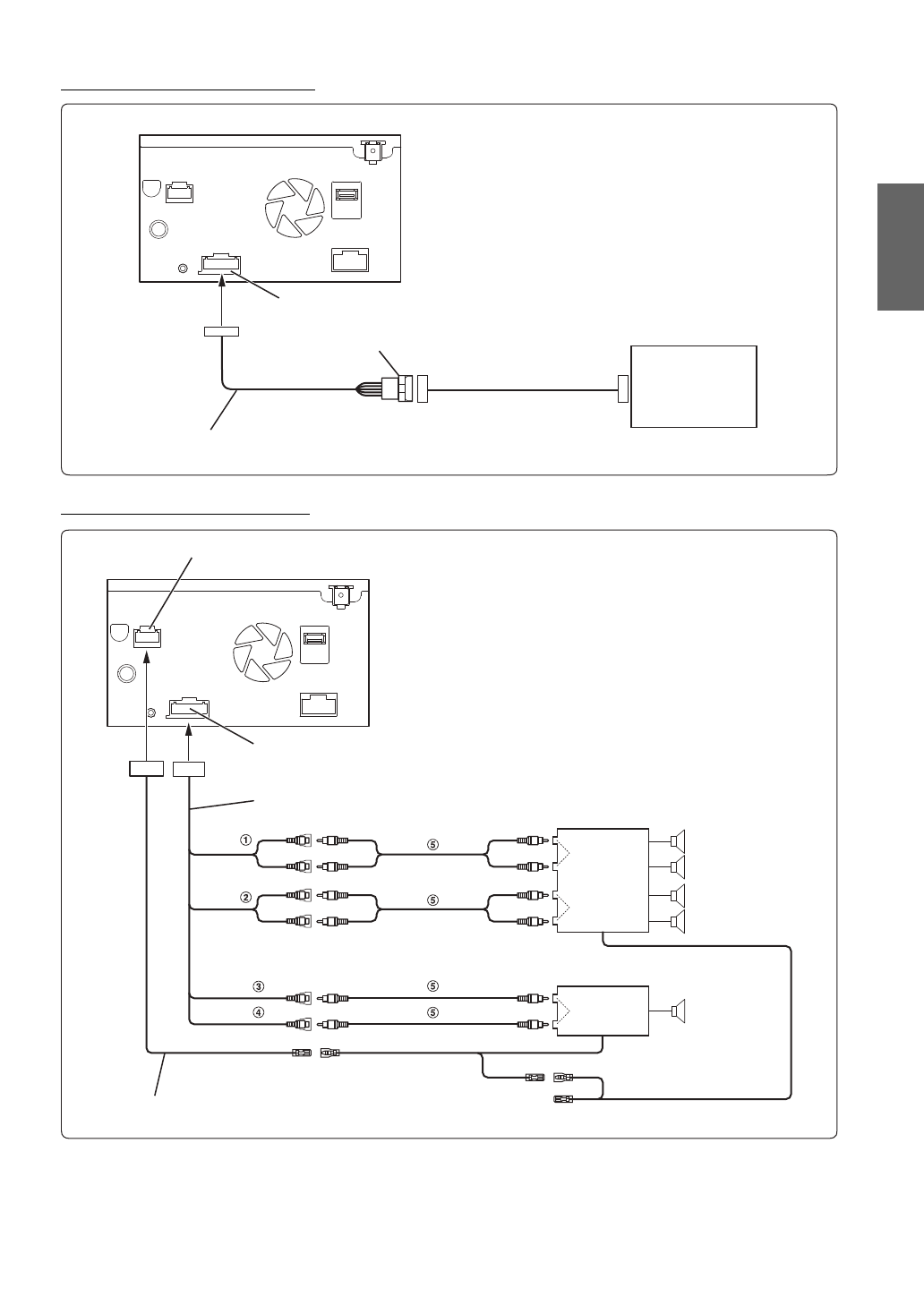
Подключение
камеры
заднего
вида
Подключение
внешнего
усилителя
1
Фронтальные
выходные
разъемы
RCA
КРАСНЫЙ
-
для
правого
,
БЕЛЫЙ
-
для
левого
.
2
Задние
выходные
разъемы
RCA
КРАСНЫЙ
-
для
правого
,
БЕЛЫЙ
-
для
левого
.
3
RCA-
разъем
сабвуфера
(
правый
)
4
RCA-
разъем
сабвуфера
(
левый
)
5
Кабельный
удлинитель
RCA (
приобретается
дополнительно
)
Разъем
AUX/PRE OUT
Соединительный
кабель
AUX/
PRE OUT
Входной
разъем
CAMERA
Задняя
камера
(
приобретается
дополнительно
)
Удлинительный
кабель
для
камеры
(
в
комплекте
с
камерой
)
HCE-C107D
Разъем
AUX/PRE OUT
Разъем
внешнего
интерфейса
Соединительный
кабель
AUX/PRE OUT
(
Красный
)
(
Белый
)
Усилитель
4-
канальный
Вход
Вход
Передний
динамик
Задний
динамик
SWR
SWL
REMO
(
Синий
/
белый
)
Кабель
подключения
внешнего
интерфейса
Усилитель
для
сабвуфера
(
приобретается
дополнительно
)
Вход
Сабвуфер
(
Красный
)
(
Белый
)
Содержание
- 3 РУССКИЙ; Содержание; ВАЖНАЯ ИНФОРМАЦИЯ: ПЕРЕД
- 4 Android Auto (приобретается
- 5 Устройство HDMI (приобретается; Использование DVD-проигрывателя
- 7 Инструкция по эксплуатации; Безопасная эксплуатация устройства; ПРЕДУПРЕЖДЕНИЕ
- 9 ПРИМЕЧАНИЕ; Очистка продукта; ВНИМАНИЕ
- 10 Обращение с USB флэш-накопителями
- 11 Функция “Избранное”; Пример экрана “Избранное”; О переключении сенсорного экрана; Аккуратно проведите пальцем по дисплею.; Свойства
- 12 Переключение экрана источников звука на необходимый экран; Экран меню
- 13 Положение отображения двойного экрана; Аудио на весь экран
- 14 Расположение элементов управления; Включение и выключение питания; Приступая к работе
- 15 Включение системы; OK; Первоначальный запуск системы; RESET; Настройка уровня громкости
- 16 Переключение источников; MENU
- 17 Об основных операциях экрана списка; Об экране настройки быстрого вызова; Нажмите
- 18 Функция настройки “Звук”; Функция “Система для задних пассажиров”
- 19 Об экране меню; Нажмите кнопку; Пример экрана меню
- 20 Изменение порядка источника звука; Об отображении индикаторов; Редактировать меню
- 21 Настройка экрана приветствия; Коснитесь; После извлечения флэш-накопителя USB нажмите
- 22 Использование функции “Избранное”; Редактирование экрана “Избранное”; Добавление элементов
- 23 Аудио; Нажмите область текста зарегистрированного элемента.; Изменение имен элементов
- 24 Перетащите элемент в нужное место.; Удаление выбранного элемента; Удаление всех элементов; Изменение расположения
- 25 Получение уведомления; Коснитесь нужной кнопки для выполнения операции.
- 26 Отображение экрана “Список сообщ.”
- 27 Процедура настройки; Настройка
- 28 Настройка Bluetooth; Отображение “Информ. Bluetooth”
- 29 Настройка “Телефон”; Настройка пароля
- 30 Настройка “Звук”; Общие настройки
- 31 Включение/выключение сабвуфера; Настройка “Уровень сабвуфера”; Настройка фазы сабвуфера
- 32 Предустановки эквалайзера
- 33 Настройка “Обход настроек”
- 35 Информация о временной коррекции
- 36 Настройка параметра “Визуальные”
- 37 Настройка “Дисплей/кнопки”
- 38 Настройка минимального уровня подсветки дисплея; Изменение цвета дисплея; Переключение Расположение обложки
- 39 Настройка кода безопасности
- 40 Настройка “Автомобиль”; Настройка установки; Настройка “Источники”
- 41 Настройка радио; Настройка “Поиск PI”
- 42 Настройка DAB; Настройка “Режим оповещения”
- 43 Настройка AUX; Используемый 4-полюсный миниразъем AV; Настройка HDMI; Настройка Apple CarPlay; Настройка имени AUX
- 44 Настройка камеры; Настройка “Система”; Настройка входа камеры; Настройка входа “Сигнал камеры”
- 46 Настройка “Камера по умолчанию”; Настройка Дополнительные устройства; Настройка “Экран по умолчанию”
- 47 Настройка функции “Система для задних пассажиров”; Настройка “Дополнительные устройства”; Настройка “Датчик ДУ”
- 48 Настройка “Приложение”; Что представляет собой Android Auto; Android Auto
- 49 Активация приложения Alpine Connect; Spotify®
- 50 Функциональный режим; Пример экрана режима предварительной настройки; Пример главного экрана диапазона СВ/ДВ
- 51 Базовые операции с радио
- 52 Функция прерывания; Работа RDS
- 53 Выбор принимаемых PTY; Прием дорожных сообщений
- 55 Предварительная настройка станции; Служебный компонент/функция поиска PTY; Функция поиска станций
- 57 Отображение текста DAB; Нажимайте
- 58 Пример экрана режима быстрого поиска
- 59 Воспроизведение; Повторное воспроизведение
- 60 Поиск нужной композиции; О форматах USB Видео
- 61 Пример главного экрана iPod/iPhone
- 62 Поиск аудиофайла; Режим быстрого поиска
- 63 Функция поиска по алфавиту; Коснитесь “R” для поиска.; Воспроизведение в случайном порядке
- 64 Настройка DVD-проигрывателя
- 65 Остановка воспроизведения
- 66 DVD
- 67 Воспроизведение диска; В случае отображения экрана меню
- 68 Операции ввода с цифровой клавиатуры
- 69 Поиск по номеру эпизода; Прямой поиск по номеру эпизода; Переключение угла просмотра
- 70 Переключение режимов экрана; Использование HDMI
- 71 Настройка перед использованием; Пример экрана меню телефона; О технологии Bluetooth
- 72 Прием вызова; Коснитесь экрана уведомления о входящем звонке.; Завершение вызова; Функция ожидания вызова
- 73 Вызов; Вызов с помощью функции “Избранное”; Вызов с помощью меню телефона
- 74 Использование Siri
- 75 Функция телефонной книги; Настройка громкости речевого сигнала
- 76 Удаление записей из телефонной книги; Bluetooth аудио
- 78 Подключение устройства Bluetooth; Отключение соединения Bluetooth
- 79 Работа внешнего DVD-плеера
- 80 Пример экрана режима управления меню; Работа внешнего DVD-чейнджера
- 81 Работа ТV приемника
- 82 Работа камеры заднего вида; Переключение ракурсов камеры заднего вида; Настройка расположения окна с предупреждением
- 84 Работа передней камеры; Коснитесь кнопки; Переключение ракурсов передней камеры
- 85 Работа боковой камеры; Переключение ракурсов боковой камеры
- 86 Доступные основные функции; Режим “Данные автом.”; Примеры экрана функций; Пример экрана “Климат”
- 87 Обновление программного обеспечения; Обновление для данного устройства; О поддерживаемых форматах; Информация
- 88 Терминология
- 90 Если отображается данное сообщение
- 91 Технические характеристики; МОНИТОР
- 92 Declaration of Conformity