Культиваторы AL-KO COMBI CARE 38 Р COMFORT - инструкция пользователя по применению, эксплуатации и установке на русском языке. Мы надеемся, она поможет вам решить возникшие у вас вопросы при эксплуатации техники.
Если остались вопросы, задайте их в комментариях после инструкции.
"Загружаем инструкцию", означает, что нужно подождать пока файл загрузится и можно будет его читать онлайн. Некоторые инструкции очень большие и время их появления зависит от вашей скорости интернета.

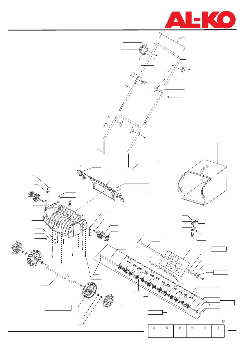
47404001
47418840
460420 (2)
474341
474362
47436840 (2)
47439001
703704
47437902
54475702 (4)
463705
700044 (4)
701980
700119
510176 (3)
460783
349507 (2)
703027
474342
700137 (4)
703094
47404401
47404301
474189
474349
336375 (2)
510176 (8)
47405501
474392
474391
47405140
47405240
510176 (2)
510065 (2)
474380
474378
701980
700488
700507
373702
47434501 (4)
47434440 (2)
474394
474046 (2)
460771 (2)
510176 (4)
47434301 (2)
474042
47405601
47412040
474385
474383
474382
373702
700488
474393
700507
474384 (6)
543555 (2)
701502 (2)
700147 (2)
474381
474346 (12)
474347 (13)
474376
474377
1/2
703704
460794
348962 (2)
474396
a
b
c
d
e
f
E 112799
*
*
*
*
*
*
Combi Care 38P
112799




