Котел VIESSMANN Vitotron 100 VMN3-24 24кВТ - инструкция пользователя по применению, эксплуатации и установке на русском языке. Мы надеемся, она поможет вам решить возникшие у вас вопросы при эксплуатации техники.
Если остались вопросы, задайте их в комментариях после инструкции.
"Загружаем инструкцию", означает, что нужно подождать пока файл загрузится и можно будет его читать онлайн. Некоторые инструкции очень большие и время их появления зависит от вашей скорости интернета.

11
Инструкция по монтажу и эксплуатации
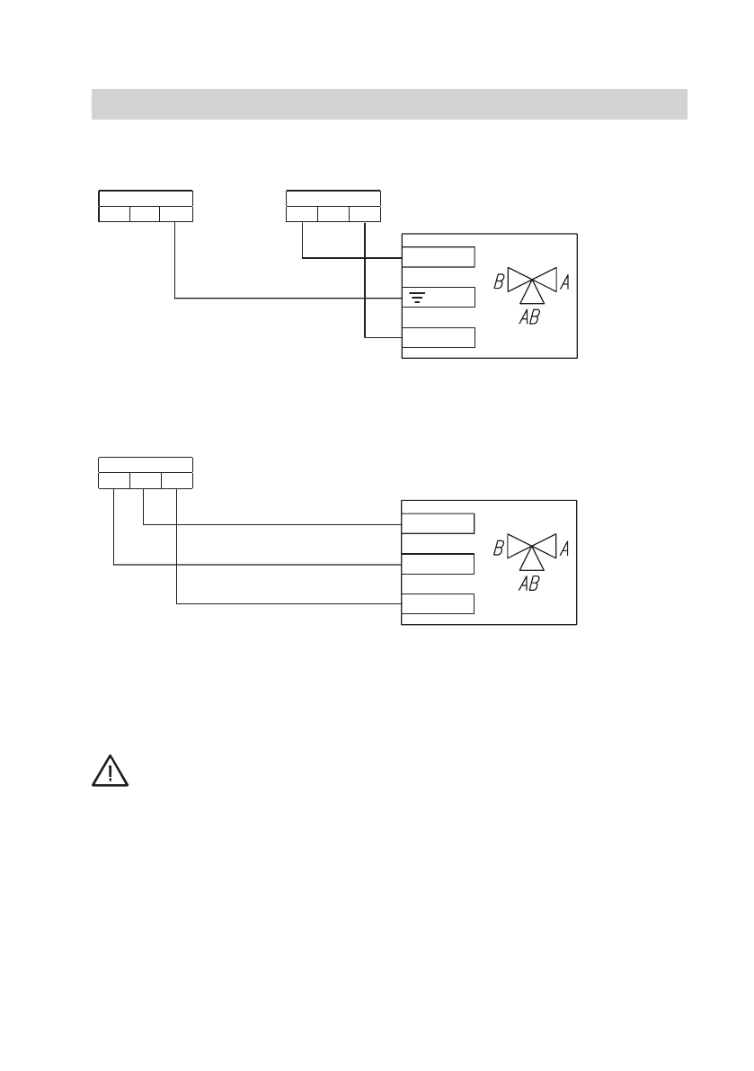
Подключение внешних датчиков и контроллеров
Внимание, с целью активации функции ГВС, необходимо следовать
описанию в разделе
Сервис / Конфигурация – Водонагреватель.
Не подавать напряжение на входы FN, MA, RT, Tcyl, Tos, Tr!
Грозит серьезной поломкой контроллера.
Управление SPST
Управление SPDT
TWV
LB LA
N
LA
LB
N
M.SUPPLY
TWV
L
N
PE
L
A
L
B
N
Control
N
Содержание
- 3 Условия безопасной и бесперебойной работы
- 4 Примечания установки
- 5 Схемы подключения котлов к системе отопления; очистку фильтра или его замену.; Tcyl
- 6 Монтаж; Подключение внешних; ция – Насос – Удалить воздух]; Не подавать напряжение на
- 8 Выбор типа подключения
- 9 Подключение внешних датчиков и контроллеров; FN – программируемая функция входа; FN; MA
- 10 Tcyl – датчик температуры емкостного водонагревателя; L N PE
- 11 Внимание, с целью активации функции ГВС, необходимо следовать; Сервис / Конфигурация – Водонагреватель.; Управление SPST; LA; Control
- 12 Расширение системы дополнительными
- 13 буферная емкость – буферная емкость нагревается котлом согласно
- 14 Панель управления
- 15 Основной экран
- 16 Информация о параметрах системы отопления
- 18 Настройки; Настройка котла; [Конфгурация – Отопление – Управление – Постоянные параметры]
- 19 Внимание, в незаданных периодах времени будет
- 20 Суточный график
- 22 Настройка контуров отопления
- 23 Расширение системы дополнительными контурами отопления; Сервис / Конфигурация; Просмотр параметров; * Выполнение изменений в меню конфигурации возможно после вво-
- 24 [Конфигурация – Управление – Постоянные параметры]
- 28 Обратите внимание, опция доступна, если температура в помещении; * если включен любой из вышеперечисленных режимов, то после
- 29 Режим Работы; Первый запуск
- 30 Суточная программа
- 31 Функция ТУРБО
- 32 Кривая нагрева; в свою очередь когда температура воздуха высокая, нет необходимо-
- 33 Технические данные