Котел Ferroli ECONCEPT 51 101 - инструкция пользователя по применению, эксплуатации и установке на русском языке. Мы надеемся, она поможет вам решить возникшие у вас вопросы при эксплуатации техники.
Если остались вопросы, задайте их в комментариях после инструкции.
"Загружаем инструкцию", означает, что нужно подождать пока файл загрузится и можно будет его читать онлайн. Некоторые инструкции очень большие и время их появления зависит от вашей скорости интернета.

ECONCEPT 51/51i - 101/101i
92
RU
cod. 3540S573 - 02/2012 (Rev. 00)
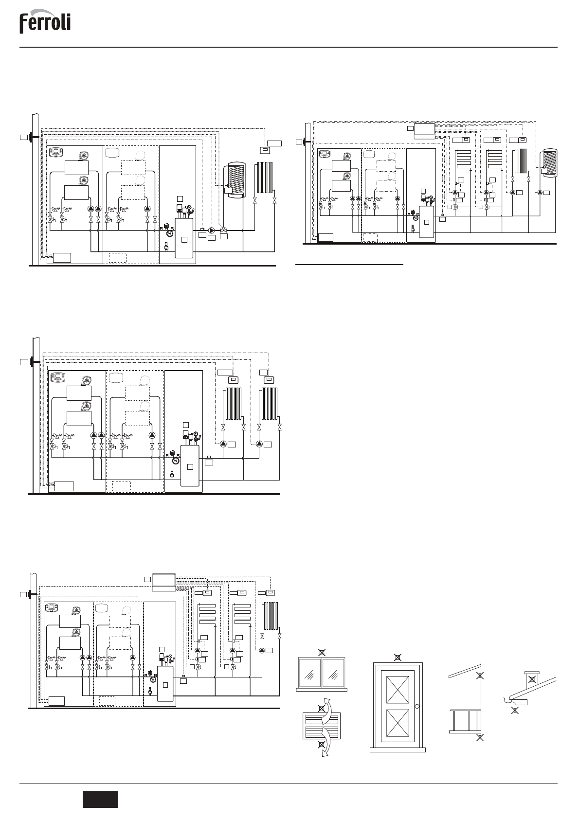
Ɉɞɢɧ
ɤɨɧɬɭɪ
ɩɪɹɦɨɝɨ
ɨɬɨɩɥɟɧɢɹ
ɢ
ɨɞɢɧ
ɤɨɧɬɭɪ
Ƚȼɋ
ɫ
ɪɚɫɩɪɟɞɟɥɢɬɟɥɶɧɵɦ
ɤɥɚɩɚɧɨɦ
ɉɪɨɜɟɪɢɬɶ
/
ɂɡɦɟɧɢɬɶ
ɩɚɪɚɦɟɬɪ
P02
ɦɟɧɸ
"
ɉɪɨɡɪɚɱɧɵɟ
ɩɚɪɚɦɟɬɪɵ
"
ɧɚ
3
.
ɂɡɦɟɧɢɬɶ
ɩɚɪɚɦɟɬɪ
P.02
ɜ
Ɇɟɧɸ
"
Ɍɢɩ
ɫɢɫɬɟɦɵ
"
ɧɚ
1.
ɂɡɦɟɧɢɬɶ
ɩɚɪɚɦɟɬɪ
P.09
Ɇɟɧɸ
"
Ɍɢɩ
ɫɢɫɬɟɦɵ
"
ɧɚ
1.
ɂɡɦɟɧɢɬɶ
ɩɚɪɚɦɟɬɪ
P.11
ɜ
Ɇɟɧɸ
"
Ɍɢɩ
ɫɢɫɬɟɦɵ
"
ɧɚ
1.
ɪɢɫ
. 21
Ⱦɜɚ
ɤɨɧɬɭɪɚ
ɩɪɹɦɨɝɨ
ɨɬɨɩɥɟɧɢɹ
ɉɪɨɜɟɪɢɬɶ
/
ɂɡɦɟɧɢɬɶ
ɩɚɪɚɦɟɬɪ
P02
ɦɟɧɸ
"
ɉɪɨɡɪɚɱɧɵɟ
ɩɚɪɚɦɟɬɪɵ
"
ɧɚ
1
.
ɂɡɦɟɧɢɬɶ
ɩɚɪɚɦɟɬɪ
P.01
ɜ
Ɇɟɧɸ
"
Ɍɢɩ
ɫɢɫɬɟɦɵ
"
ɧɚ
4.
ɂɡɦɟɧɢɬɶ
ɩɚɪɚɦɟɬɪ
P.02
ɜ
Ɇɟɧɸ
"
Ɍɢɩ
ɫɢɫɬɟɦɵ
"
ɧɚ
1.
ɂɡɦɟɧɢɬɶ
ɩɚɪɚɦɟɬɪ
P.09
Ɇɟɧɸ
"
Ɍɢɩ
ɫɢɫɬɟɦɵ
"
ɧɚ
1.
ɪɢɫ
. 22
Ⱦɜɚ
ɤɨɧɬɭɪɚ
ɫɦɟɲɚɧɧɨɝɨ
ɨɬɨɩɥɟɧɢɹ
ɢ
ɨɞɢɧ
ɤɨɧɬɭɪ
ɩɪɹɦɨɝɨ
ɨɬɨɩɥɟɧɢɹ
ɉɪɨɜɟɪɢɬɶ
/
ɂɡɦɟɧɢɬɶ
ɩɚɪɚɦɟɬɪ
P02
ɦɟɧɸ
"
ɉɪɨɡɪɚɱɧɵɟ
ɩɚɪɚɦɟɬɪɵ
"
ɧɚ
1
.
ɂɡɦɟɧɢɬɶ
ɩɚɪɚɦɟɬɪ
P.02
ɜ
Ɇɟɧɸ
"
Ɍɢɩ
ɫɢɫɬɟɦɵ
"
ɧɚ
1.
ɂɡɦɟɧɢɬɶ
ɩɚɪɚɦɟɬɪ
P.09
Ɇɟɧɸ
"
Ɍɢɩ
ɫɢɫɬɟɦɵ
"
ɧɚ
1.
ɍɤɚɡɚɧɢɹ
ɩɨ
ɜɵɩɨɥɧɟɧɢɸ
ɷɥɟɤɬɪɢɱɟɫɤɢɯ
ɫɨɟɞɢɧɟɧɢɣ
ɢ
ɡɚɞɚɧɢɹ
ɩɚɪɚɦɟɬɪɨɜ
ɨɬɨɩɢɬɟɥɶɧɵɯ
ɡɨɧ
ɫɦ
.
ɜ
ɪɭɤɨɜɨɞɫɬɜɟ
"
Ɋɟɝɭɥɹɬɨɪ
ɨɬɨɩɢɬɟɥɶɧɨɣ
ɡɨɧɵ
FZ4"
ɪɢɫ
. 23
Ⱦɜɚ
ɤɨɧɬɭɪɚ
ɫɦɟɲɚɧɧɨɝɨ
ɨɬɨɩɥɟɧɢɹ
,
ɨɞɢɧ
ɤɨɧɬɭɪ
ɩɪɹɦɨɝɨ
ɨɬɨɩɥɟɧɢɹ
ɢ
ɨɞɢɧ
ɤɨɧɬɭɪ
Ƚȼɋ
ɫ
ɧɚɫɨɫɨɦ
ɉɪɨɜɟɪɢɬɶ
/
ɂɡɦɟɧɢɬɶ
ɩɚɪɚɦɟɬɪ
P02
ɦɟɧɸ
"
ɉɪɨɡɪɚɱɧɵɟ
ɩɚɪɚɦɟɬɪɵ
"
ɧɚ
2
.
ɂɡɦɟɧɢɬɶ
ɩɚɪɚɦɟɬɪ
P.02
ɜ
Ɇɟɧɸ
"
Ɍɢɩ
ɫɢɫɬɟɦɵ
"
ɧɚ
1.
ɂɡɦɟɧɢɬɶ
ɩɚɪɚɦɟɬɪ
P.09
Ɇɟɧɸ
"
Ɍɢɩ
ɫɢɫɬɟɦɵ
"
ɧɚ
1.
ɍɤɚɡɚɧɢɹ
ɩɨ
ɜɵɩɨɥɧɟɧɢɸ
ɷɥɟɤɬɪɢɱɟɫɤɢɯ
ɫɨɟɞɢɧɟɧɢɣ
ɢ
ɡɚɞɚɧɢɹ
ɩɚɪɚɦɟɬɪɨɜ
ɨɬɨɩɢɬɟɥɶɧɵɯ
ɡɨɧ
ɫɦ
.
ɜ
ɪɭɤɨɜɨɞɫɬɜɟ
"
Ɋɟɝɭɥɹɬɨɪ
ɨɬɨɩɢɬɟɥɶɧɨɣ
ɡɨɧɵ
FZ4"
ɪɢɫ
. 24
3.4
ɗɥɟɤɬɪɢɱɟɫɤɢɟ
ɫɨɟɞɢɧɟɧɢɹ
ɉɨɞɤɥɸɱɟɧɢɟ
ɤ
ɫɟɬɢ
ɷɥɟɤɬɪɨɫɧɚɛɠɟɧɢɹ
B
ɗɥɟɤɬɪɢɱɟɫɤɚɹ
ɛɟɡɨɩɚɫɧɨɫɬɶ
ɚɩɩɚɪɚɬɚ
ɨɛɟɫɩɟɱɢɜɚɟɬɫɹ
ɬɨɥɶɤɨ
ɜ
ɬɨɦ
ɫɥɭɱɚɟ
,
ɟɫɢ
ɨɧ
ɩɪɚɜɢɥɶɧɨ
ɩɨɞɤɥɸɱɟɧ
ɤ
ɷɮɮɟɤɬɢɜɧɨɣ
ɫɢɫɬɟɦɟ
ɡɚɡɟɦɥɟɧɢɹ
,
ɭɫɬɪɨɟɧɧɨɣ
ɜ
ɫɨɨɬɜɟɬɫɬɜɢɢ
ɫ
ɞɟɣɫɬɜɭɸɳɢɦɢ
ɩɪɚɜɢɥɚɦɢ
ɬɟɯɧɢɤɢ
ɛɟɡɨɩɚɫɧɨɫɬɢ
.
ɉɨɪɭɱɢɬɟ
ɤɜɚɥɢɮɢɰɢɪɨɜɚɧɧɨɦɭ
ɩɟɪɫɨɧɚɥɭ
ɩɪɨɜɟɪɢɬɶ
ɢɫɩɪɚɜɧɨɫɬɶ
ɢ
ɞɨɫɬɚɬɨɱɧɨɫɬɶ
ɫɢɫɬɟɦɵ
ɡɚɡɟɦɥɟɧɢɹ
.
ɂɡɝɨɬɨɜɢɬɟɥɶ
ɧɟ
ɧɟɫɟɬ
ɨɬɜɟɬɫɬɜɟɧɧɨɫɬɢ
ɡɚ
ɭɳɟɪɛ
,
ɩɪɢɱɢɧɟɧɧɵɣ
ɜɫɥɟɞɫɬɜɢɟ
ɬɨɝɨ
,
ɱɬɨ
ɚɝɪɟɝɚɬ
ɧɟ
ɛɵɥ
ɡɚɡɟɦɥɟɧ
.
ɍɞɨɫɬɨɜɟɪɶɬɟɫɶ
ɬɚɤɠɟ
,
ɱɬɨ
ɫɢɫɬɟɦɚ
ɷɥɟɤɬɪɨɫɧɚɛɠɟɧɢɹ
ɫɩɨɫɨɛɧɚ
ɨɛɟɫɩɟɱɢɬɶ
ɦɚɤɫɢɦɚɥɶɧɭɸ
ɩɨɬɪɟɛɥɹɟɦɭɸ
ɦɨɳɧɨɫɬɶ
ɚɝɪɟɝɚɬɚ
,
ɭɤɚɡɚɧɧɭɸ
ɧɚ
ɬɚɛɥɢɱɤɟ
ɧɨɦɢɧɚɥɶɧɵɯ
ɞɚɧɧɵɯ
.
Ʉɨɬɟɥ
ɩɨɫɬɚɜɥɹɟɬɫɹ
ɫ
ɝɨɬɨɜɨɣ
ɷɥɟɤɬɪɢɱɟɫɤɨɣ
ɩɪɨɜɨɞɤɨɣ
ɢ
ɤɚɛɟɥɟɦ
ɞɥɹ
ɩɨɞɤɥɸɱɟɧɢɹ
ɤ
ɥɢɧɢɢ
ɷɥɟɤɬɪɨɩɢɬɚɧɢɹ
ɬɢɩɚ
"Y"
ɛɟɡ
ɜɢɥɤɢ
.
ɉɨɞɤɥɸɱɟɧɢɟ
ɤ
ɷɥɟɤɬɪɢɱɟɫɤɨɣ
ɫɟɬɢ
ɞɨɥɠɧɨ
ɛɵɬɶ
ɜɵɩɨɥɧɟɧɨ
ɜ
ɜɢɞɟ
ɮɢɤɫɢɪɨɜɚɧɧɨɝɨ
ɫɨɟɞɢɧɟɧɢɹ
,
ɨɛɨɪɭɞɨɜɚɧɧɨɝɨ
ɞɜɭɯɩɨɥɸɫɧɵɦ
ɜɵɤɥɸɱɚɬɟɥɟɦ
,
ɪɚɫɫɬɨɹɧɢɟ
ɦɟɠɞɭ
ɤɨɧɬɚɤɬɚɦɢ
ɤɨɬɨɪɨɝɨ
ɞɨɥɠɧɨ
ɛɵɬɶ
ɧɟ
ɦɟɧɟɟ
3
ɦɦ
.
Ɇɟɠɞɭ
ɤɨɬɥɨɦ
ɢ
ɢɫɬɨɱɧɢɤɨɦ
ɷɥɟɤɬɪɢɱɟɫɤɨɝɨ
ɩɢɬɚɧɢɹ
ɞɨɥɠɧɵ
ɛɵɬɶ
ɭɫɬɚɧɨɜɥɟɧɵ
ɩɥɚɜɤɢɟ
ɩɪɟɞɨɯɪɚɧɢɬɟɥɢ
,
ɪɚɫɫɱɢɬɚɧɧɵɟ
ɧɚ
ɫɢɥɭ
ɬɨɤɚ
ɧɟ
ɛɨɥɟɟ
3 A.
ɉɪɢ
ɜɵɩɨɥɧɟɧɢɢ
ɷɥɟɤɬɪɢɱɟɫɤɢɯ
ɫɨɟɞɢɧɟɧɢɣ
ɨɱɟɧɶ
ɜɚɠɧɨ
ɫɨɛɥɸɫɬɢ
ɩɨɥɹɪɧɨɫɬɶ
(
ɎȺɁȺ
:
ɤɨɪɢɱɧɟɜɵɣ
ɩɪɨɜɨɞ
/
ɇȿɃɌɊȺɅɖ
:
ɫɢɧɢɣ
ɩɪɨɜɨɞ
/
ɁȿɆɅə
:
ɠɟɥɬɨ
-
ɡɟɥɟɧɵɣ
ɩɪɨɜɨɞ
.
ɉɪɢ
ɦɨɧɬɚɠɟ
ɢɥɢ
ɡɚɦɟɧɟ
ɤɚɛɟɥɹ
ɩɢɬɚɧɢɹ
,
ɩɪɨɜɨɞ
ɡɚɡɟɦɥɟɧɢɹ
ɫɥɟɞɭɟɬ
ɨɫɬɚɜɥɹɬɶ
ɞɥɢɧɧɟɟ
ɨɫɬɚɥɶɧɵɯ
ɧɚ
2
ɫɦ
.
B
ɉɨɥɶɡɨɜɚɬɟɥɸ
ɡɚɩɪɟɳɚɟɬɫɹ
ɫɚɦɨɫɬɨɹɬɟɥɶɧɨ
ɩɪɨɢɡɜɨɞɢɬɶ
ɡɚɦɟɧɭ
ɩɢɬɚɸɳɟɝɨ
ɤɚɛɟɥɹ
.
ȼ
ɫɥɭɱɚɟ
ɩɨɜɪɟɠɞɟɧɢɹ
ɤɚɛɟɥɹ
ɜɵɤɥɸɱɢɬɟ
ɚɝɪɟɝɚɬ
ɢ
ɨɛɪɚɳɚɣɬɟɫɶ
ɤ
ɤɜɚɥɢɮɢɰɢɪɨɜɚɧɧɵɦ
ɫɩɟɰɢɚɥɢɫɬɚɦ
ɞɥɹ
ɟɝɨ
ɡɚɦɟɧɵ
.
ȼ
ɫɥɭɱɚɟ
ɡɚɦɟɧɵ
ɷɥɟɤɬɪɢɱɟɫɤɨɝɨ
ɤɚɛɟɥɹ
ɩɢɬɚɧɢɹ
ɢɫɩɨɥɶɡɭɣɬɟ
ɢɫɤɥɸɱɢɬɟɥɶɧɨ
ɤɚɛɟɥɶ
ɬɢɩɚ
“HAR
H05 VV-F”
3x0,75
ɦɦ
2
ɫ
ɧɚɪɭɠɧɵɦ
ɞɢɚɦɟɬɪɨɦ
ɧɟ
ɛɨɥɟɟ
8
ɦɦ
.
Ɍɟɪɦɨɫɬɚɬ
ɤɨɦɧɚɬɧɨɣ
ɬɟɦɩɟɪɚɬɭɪɵ
B
ȼɇɂɆȺɇɂȿ
:
ɌȿɊɆɈɋɌȺɌ
ɄɈɆɇȺɌɇɈɃ
ɌȿɆɉȿɊȺɌɍɊɕ
ȾɈɅɀȿɇ
ȻɕɌɖ
ɍɋɌɊɈɃɋɌȼɈɆ
ɋ
ɄɈɇɌȺɄɌȺɆɂ
ɇȿ
ɉɈȾ
ɇȺɉɊəɀȿɇɂȿɆ
.
ɉɊɂ
ɉɈȾȺɑȿ
ɇȺɉɊəɀȿɇɂə
230
ȼ
ɇȺ
ɄɅȿɆɆɕ
ɌȿɊɆɈɋɌȺɌȺ
ɄɈɆɇȺɌɇɈɃ
ɌȿɆɉȿɊȺɌɍɊɕ
ɉɈȼɅȿɑȿɌ
ɁȺ
ɋɈȻɈɃ
ɇȿɉɈȾɅȿɀȺɓȿȿ
ɊȿɆɈɇɌɍ
ɉɈȼɊȿɀȾȿɇɂȿ
ɗɅȿɄɌɊɈɇɇɈɃ
ɉɅȺɌɕ
.
ɉɪɢ
ɩɨɞɤɥɸɱɟɧɢɢ
ɪɟɝɭɥɹɬɨɪɨɜ
ɤɨɦɧɚɬɧɨɣ
ɬɟɦɩɟɪɚɬɭɪɵ
ɫ
ɩɨɜɪɟɦɟɧɧɨɣ
ɩɪɨɝɪɚɦɦɨɣ
ɭɩɪɚɜɥɟɧɢɹ
ɢɥɢ
ɬɚɣɦɟɪɚ
,
ɧɟ
ɫɥɟɞɭɟɬ
ɡɚɩɵɬɵɜɚɬɶ
ɢɯ
ɱɟɪɟɡ
ɪɚɡɦɵɤɚɸɳɢɟ
ɤɨɧɬɚɤɬɵ
.
ȼ
ɡɚɜɢɫɢɦɨɫɬɢ
ɨɬ
ɬɢɩɚ
ɭɫɬɪɨɣɫɬɜɚ
ɩɢɬɚɧɢɟ
ɞɨɥɠɟɧ
ɩɨɞɜɨɞɢɬɶɫɹ
ɧɚɩɪɹɦɭɸ
ɨɬ
ɫɟɬɢ
ɢɥɢ
ɨɬ
ɛɚɬɚɪɟɟɤ
.
Ⱦɚɬɱɢɤ
ɬɟɦɩɟɪɚɬɭɪɵ
ɧɚɪɭɠɧɨɝɨ
ɜɨɡɞɭɯɚ
(
ɨɩɰɢɹ
)
ɉɨɞɤɥɸɱɢɬɟ
ɞɚɬɱɢɤ
ɤ
ɫɨɨɬɜɟɬɫɬɜɭɸɳɢɦ
ɤɥɟɦɦɚɦ
.
Ⱦɥɢɧɚ
ɷɥɟɤɬɪɢɱɟɫɤɨɝɨ
ɤɚɛɟɥɹ
ɞɥɹ
ɩɪɢɫɨɟɞɢɧɟɧɢɹ
ɞɚɬɱɢɤɚ
ɬɟɦɩɟɪɚɬɭɪɵ
ɧɚɪɭɠɧɨɝɨ
ɜɨɡɞɭɯɚ
ɤ
ɤɨɬɥɭ
ɧɟ
ɞɨɥɠɧɚ
ɩɪɟɜɵɲɚɬɶ
50
ɦ
.
Ɇɨɠɟɬ
ɛɵɬɶ
ɢɫɩɨɥɶɡɨɜɚɧ
ɨɛɵɤɧɨɜɟɧɧɵɣ
ɞɜɭɯɠɢɥɶɧɵɣ
ɤɚɛɟɥɶ
.
ɉɪɟɞɩɨɱɬɢɬɟɥɶɧɨ
,
ɱɬɨɛɵ
ɞɚɬɱɢɤ
ɬɟɦɩɟɪɚɬɭɪɵ
ɧɚɪɭɠɧɨɝɨ
ɜɨɡɞɭɯɚ
ɛɵɥ
ɭɫɬɚɧɨɜɥɟɧ
ɧɚ
ɫɟɜɟɪɧɨɣ
,
ɫɟɜɟɪɨ
-
ɡɚɩɚɞɧɨɣ
ɫɬɟɧɟ
ɡɞɚɧɢɹ
ɥɢɛɨ
ɧɚ
ɬɨɣ
ɫɬɨɪɨɧɟ
,
ɤɭɞɚ
ɜɵɯɨɞɹɬ
ɨɫɧɨɜɧɵɟ
ɠɢɥɵɟ
ɩɨɦɟɳɟɧɢɹ
.
Ⱦɚɬɱɢɤ
ɧɟ
ɞɨɥɠɟɧ
ɧɚɯɨɞɢɬɶɫɹ
ɧɚ
ɫɨɥɧɟɱɧɨɣ
ɫɬɨɪɨɧɟ
ɜ
ɭɬɪɟɧɧɟɟ
ɜɪɟɦɹ
ɢ
,
ɜɨɨɛɳɟ
,
ɩɨ
ɜɨɡɦɨɠɧɨɫɬɢ
,
ɧɟ
ɞɨɥɠɟɧ
ɩɨɞɜɟɪɝɚɬɶɫɹ
ɩɪɹɦɨɦɭ
ɜɨɡɞɟɣɫɬɜɢɸ
ɫɨɥɧɟɱɧɵɯ
ɥɭɱɟɣ
;
ɜ
ɫɥɭɱɚɟ
ɧɟɨɛɯɨɞɢɦɨɫɬɢ
ɫɥɟɞɭɟɬ
ɩɪɟɞɭɫɦɨɬɪɟɬɶ
ɤɚɤɭɸ
-
ɧɢɛɭɞɶ
ɡɚɳɢɬɭ
.
ȼ
ɥɸɛɨɦ
ɫɥɭɱɚɟ
ɞɚɬɱɢɤ
ɧɟ
ɞɨɥɠɟɧ
ɧɚɯɨɞɢɬɶɫɹ
ɪɹɞɨɦ
ɫ
ɨɤɧɚɦɢ
,
ɞɜɟɪɶɦɢ
,
ɜɟɧɬɢɥɹɰɢɨɧɧɵɦɢ
ɨɬɜɟɪɫɬɢɹɦɢ
,
ɞɵɦɨɜɵɦɢ
ɬɪɭɛɚɦɢ
ɢɥɢ
ɢɫɬɨɱɧɢɤɚɦɢ
ɬɟɩɥɚ
,
ɤɨɬɨɪɵɟ
ɦɨɝɭɬ
ɩɪɢɜɟɫɬɢ
ɤ
ɢɫɤɚɠɟɧɢɸ
ɩɪɨɢɡɜɨɞɢɦɵɯ
ɢɡɦɟɪɟɧɢɣ
.
ɪɢɫ
. 25 -
Ɇɟɫɬɚ
,
ɜ
ɤɨɬɨɪɵɯ
ɧɟ
ɪɟɤɨɦɟɧɞɭɟɬɫɹ
ɭɫɬɚɧɨɜɢɬɶ
ɞɚɬɱɢɤ
ɬɟɦɩɟɪɚɬɭɪɵ
ɧɚɪɭɠɧɨɝɨ
ɜɨɡɞɭɯɚ
.
C
I
D
138
298
306
95
42
72/139
D
I
D
138
307
306
298
72b
72/139
E
Zona 1
Zona 2
Zona 3
M
M
I
D
SM
298
138
PZ
TS
SM
PZ
TS
PR
FZ4
72/139
72/139
72/139
F
Zona 1
Zona 2
Zona 3
M
M
I
D
SM
298
SM
PR
PZ
130
42
138
PZ
TS
TS
72/139
FZ4
72/139
72/139