Котел Ferroli ECONCEPT 51 101 - инструкция пользователя по применению, эксплуатации и установке на русском языке. Мы надеемся, она поможет вам решить возникшие у вас вопросы при эксплуатации техники.
Если остались вопросы, задайте их в комментариях после инструкции.
"Загружаем инструкцию", означает, что нужно подождать пока файл загрузится и можно будет его читать онлайн. Некоторые инструкции очень большие и время их появления зависит от вашей скорости интернета.

ECONCEPT 51/51i - 101/101i
101
RU
cod. 3540S573 - 02/2012 (Rev. 00)
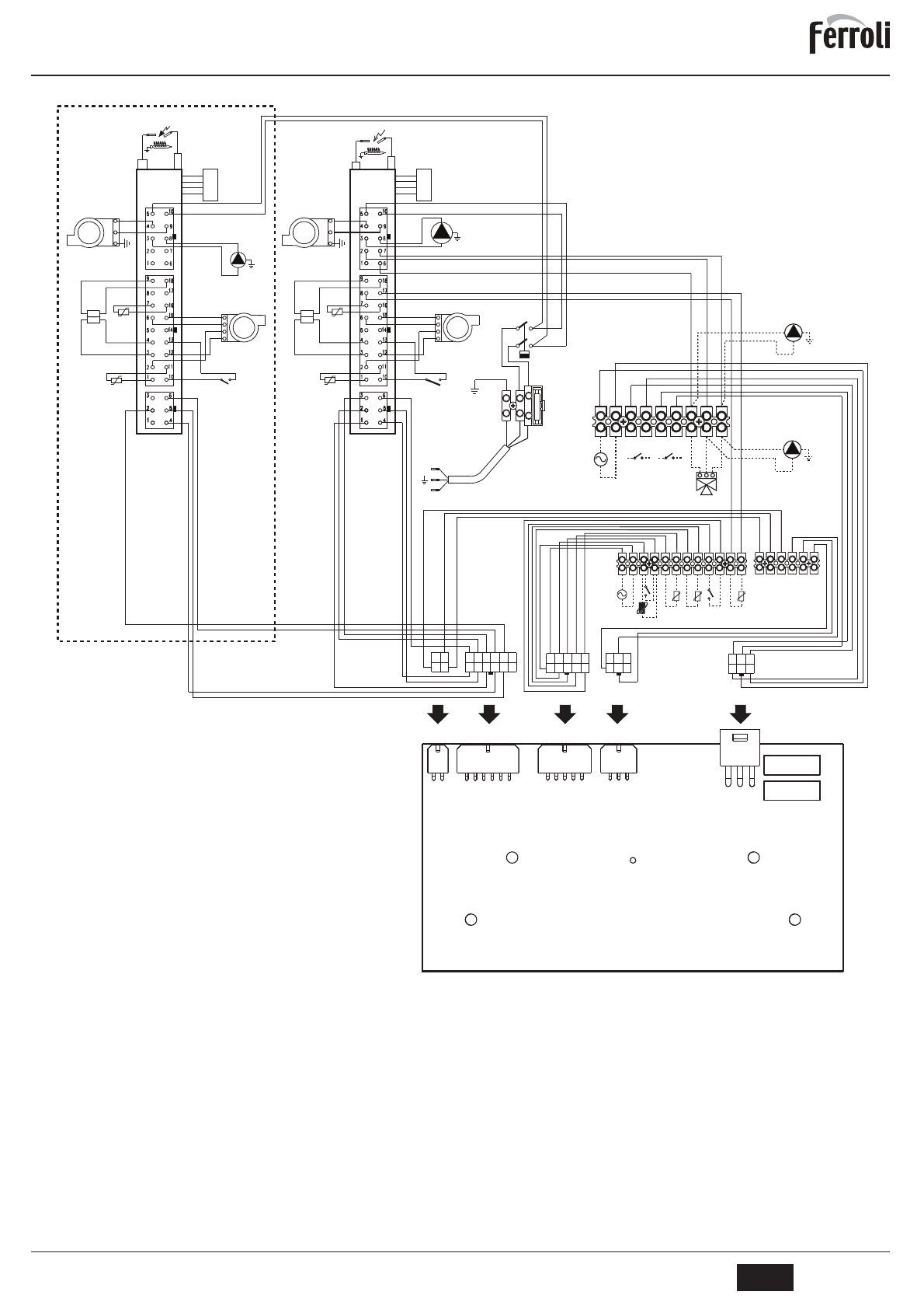
ɪɢɫ
. 47 -
ɗɥɟɤɬɪɢɱɟɫɤɚɹ
ɫɯɟɦɚ
T°
T°
230V
50Hz
16
278
341
186
114
16
32
82
81
V1
V2
44
X1
X3
X2
98
L
N
1
2
3
4
5
6
7
8
9
10
11
12
1
2
3
4
5
6
1
2
3
4
5
6
7
8
9
10
FUSE
3.15A
T°
T°
DBM12KC
16
278
341
186
114
16
32
82
81
V1
V2
44
X1
X3
X2
A
25 26 27 28 29 30
1
2
3
4
1
2
3
4
5
6
DSP12C
X01
X04
X03
X05
13 14 15 16
17 18 19 20 21 22 23 24
299
139
72
138
298
42
4
5 6
7
8
9
10 11 12
(
( (
(
300
301
95
302
130/307
72B
A B C
DBM12KC
306